GM Service Manual Online
For 1990-2009 cars only
Makes
🢒
Buick
🢒
2006
🢒
LaCrosse
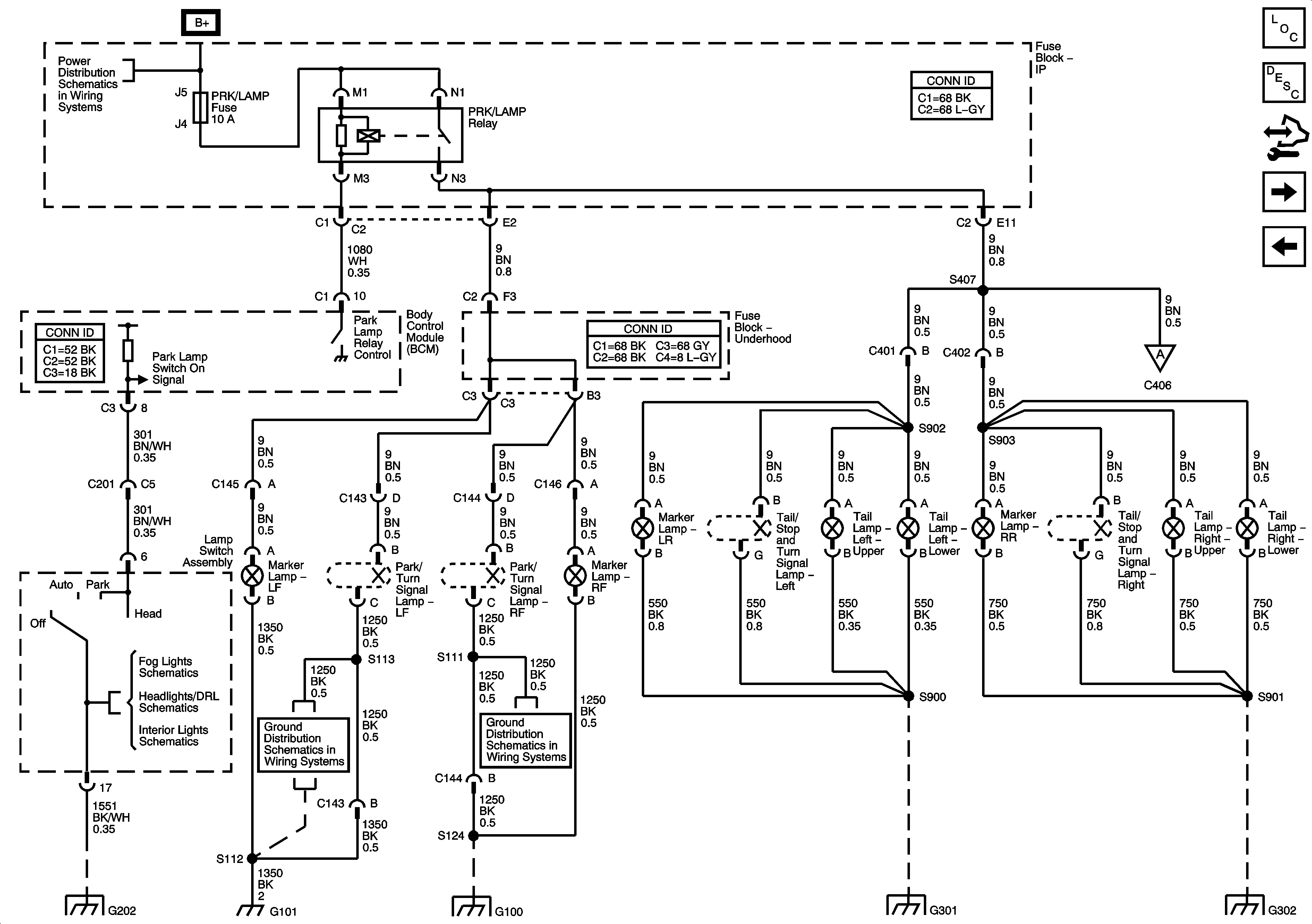
🢒 Park Lamps
Park Lamps
Park Lamps
Master Electrical Component List
Exterior Lighting Systems Description and Operation
Control Module References
Backup and License Lamps
Turn Signal, Hazard and Stop Lamps Outputs
Fuse Block - Underhood B+ Bus
B+ Bus - Underhood Fuse Block - 2 of 2
Fog Lights Schematics
Headlights/Daytime Runing Lights (DRL) Schematics
Lamp Controls
G101, G102, G103, G111, G112, and G113
G100
G202
G101, G102, G103, G111, G112, and G113
G100
G301
G302