GM Service Manual Online
For 1990-2009 cars only
Figure 1:

Cell 10: Battery and Underhood Fuse Blocks


Object Number: 343379  Size: FS
Power and Grounding Components
Cell 10: IGN SW Fuse (1 of 2)
Cell 14: G102 and G105 (1 of 4)
Figure 2:

Cell 10: IGN SW Fuse (1 of 2)


Object Number: 343418  Size: FS
Power and Grounding Components
Cell 10: IGN SW Fuse (2 of 2)
Cell 10: Battery and Underhood Fuse Blocks
Cell 10: IGN SW Fuse (2 of 2)
Cell 10: Battery and Underhood Fuse Blocks
Handling ESD Sensitive Parts Notice
Figure 3:

Cell 10: IGN SW Fuse (2 of 2)


Object Number: 343422  Size: FS
Power and Grounding Components
Cell 10: MISC LGT, COOL FNS, C/LTR/RDO/CLSTR/MISC, IGN SW, RR DEFOG/PWRSEAT, ABS SOL, and ABS MOT Fuses
Cell 10: IGN SW Fuse (1 of 2)
Cell 10: Battery and Underhood Fuse Blocks
Figure 4:

Cell 10: MISC LGT, COOL FNS, C/LTR/RDO/CLSTR/MISC, IGN SW, RR DEFOG/PWR SEAT, ABS SOL, and ABS MOT Fuses


Object Number: 343386  Size: FS
Power and Grounding Components
Cell 10: LCM/HDLP Circuit Breaker
Cell 10: IGN SW Fuse (2 of 2)
Cell 10: Battery and Underhood Fuse Blocks
Handling ESD Sensitive Parts Notice
Figure 5:

Cell 10: LCM/HDLP Circuit Breaker


Object Number: 343410  Size: FS
Power and Grounding Components
Cell 10: A/C, PCM/VATS, HORNS/DR LKS/TRNK RLY Fuses, and PWR WDO/SR Circuit Breaker
Cell 10: MISC LGT, COOL FNS, C/LTR/RDO/CLSTR/MISC, IGN SW, RR DEFOG/PWRSEAT, ABS SOL, and ABS MOT Fuses
Cell 10: Battery and Underhood Fuse Blocks
Handling ESD Sensitive Parts Notice
Handling ESD Sensitive Parts Notice
Figure 6:

Cell 10: A/C, PCM/VATS, HORNS/DR LKS/TRNK RLY Fuses, and PWR WDO/SR Circuit Breaker


Object Number: 343427  Size: FS
Power and Grounding Components
Cell 10: ELC Fuse
Cell 10: LCM/HDLP Circuit Breaker
Cell 10: Battery and Underhood Fuse Blocks
Handling ESD Sensitive Parts Notice
Handling ESD Sensitive Parts Notice
Handling ESD Sensitive Parts Notice
Figure 7:

Cell 10: ELC Fuse


Object Number: 343430  Size: FS
Power and Grounding Components
Cell 10: BASE A/C Fuse
Cell 10: A/C, PCM/VATS, HORNS/DR LKS/TRNK RLY Fuses, and PWR WDO/SR Circuit Breaker
Cell 10: Battery and Underhood Fuse Blocks
Figure 8:

Cell 10: BASE A/C Fuse


Object Number: 343493  Size: FS
Power and Grounding Components
Cell 10: CHIME Fuse
Cell 10: ELC Fuse
Cell 10: MISC LGT, COOL FNS, C/LTR/RDO/CLSTR/MISC, IGN SW, RR DEFOG/PWRSEAT, ABS SOL, and ABS MOT Fuses
Handling ESD Sensitive Parts Notice
Handling ESD Sensitive Parts Notice
Figure 9:

Cell 10: CHIME Fuse


Object Number: 343454  Size: FS
Power and Grounding Components
Cell 10: VATS, T/SIG/BU LP/BTSI, AIR BAG, IP AUX OUTLET, and AIR BAG/VATS Fuses
Cell 10: BASE A/C Fuse
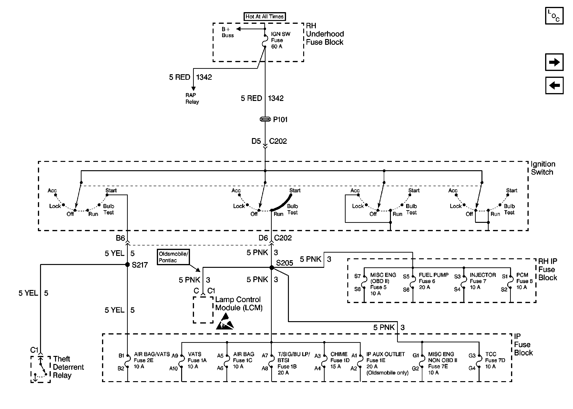
Cell 10: IGN SW Fuse (1 of 2)
Handling ESD Sensitive Parts Notice
Figure 10:

Cell 10: VATS, T/SIG/BU LP/BTSI, AIR BAG, IP AUX OUTLET, and AIR BAG/VATS Fuses


Object Number: 343459  Size: FS
Power and Grounding Components
Cell 10: NON OBD II MISC ENG, TCC, and IGN OFF/UNLOCK Fuses
Cell 10: CHIME Fuse
Cell 10: IGN SW Fuse (1 of 2)
Handling ESD Sensitive Parts Notice
Handling ESD Sensitive Parts Notice
SIR Caution
Figure 11:

Cell 10: NON OBD II MISC ENG, TCC, and IGN OFF/UNLOCK Fuses


Object Number: 343466  Size: FS
Power and Grounding Components
Cell 10: VATS, T/SIG/BU LP/BTSI, AIR BAG, IP AUX OUTLET, and AIR BAG/VATS Fuses
Cell 10: ABS/CCR and CLG FAN/TCC Fuses
Cell 10: IGN SW Fuse (1 of 2)
Handling ESD Sensitive Parts Notice
Figure 12:

Cell 10: ABS/CCR and CLG FAN/TCC Fuses


Object Number: 343488  Size: FS
Power and Grounding Components
Cell 10: AUTO A/C / CRUISE Fuse
Cell 10: NON OBD II MISC ENG, TCC, and IGN OFF/UNLOCK Fuses
Handling ESD Sensitive Parts Notice
Handling ESD Sensitive Parts Notice
Handling ESD Sensitive Parts Notice
Cell 10: MISC LGT, COOL FNS, C/LTR/RDO/CLSTR/MISC, IGN SW, RR DEFOG/PWRSEAT, ABS SOL, and ABS MOT Fuses
Figure 13:

Cell 10: AUTO A/C / CRUISE Fuse


Object Number: 343489  Size: FS
Power and Grounding Components
Cell 10: RR DEFOG and HTD MIR Fuses
Cell 10: ABS/CCR and CLG FAN/TCC Fuses
Cell 10: MISC LGT, COOL FNS, C/LTR/RDO/CLSTR/MISC, IGN SW, RR DEFOG/PWRSEAT, ABS SOL, and ABS MOT Fuses
Handling ESD Sensitive Parts Notice
Handling ESD Sensitive Parts Notice
Handling ESD Sensitive Parts Notice
Handling ESD Sensitive Parts Notice
Handling ESD Sensitive Parts Notice
Figure 14:

Cell 10: RR DEFOG and HTD MIR Fuses


Object Number: 343491  Size: FS
Power and Grounding Components
Cell 10: PWR STS and PWR SUNRF Circuit Breakers
Cell 10: AUTO A/C / CRUISE Fuse
Cell 10: MISC LGT, COOL FNS, C/LTR/RDO/CLSTR/MISC, IGN SW, RR DEFOG/PWRSEAT, ABS SOL, and ABS MOT Fuses
Handling ESD Sensitive Parts Notice
Handling ESD Sensitive Parts Notice
Figure 15:

Cell 10: BRK/HZRD LPS, FOG LPS, CTSY LP/PWR MIR, and PARKLPS/INT LPS Fuses


Object Number: 343500  Size: FS
Power and Grounding Components
Cell 10: RADIO and WPR/WSHR Fuses
Cell 10: PWR STS and PWR SUNRF Circuit Breakers
Handling ESD Sensitive Parts Notice
Figure 16:

Cell 10: PWR STS and PWR SUNRF Circuit Breakers


Object Number: 343450  Size: FS
Power and Grounding Components
Cell 10: BRK/HZRD LPS, FOG LPS, CTSY LP/PWR MIR, and PARKLPS/INT LPS Fuses
Cell 10: RR DEFOG and HTD MIR Fuses
Handling ESD Sensitive Parts Notice
Handling ESD Sensitive Parts Notice
Figure 17:

Cell 10: RADIO and WPR/WSHR Fuses


Object Number: 374546  Size: FS
Power and Grounding Components
Cell 10: INTERIOR LPS, PERIMETER LT, and PARKLAMPS Fuses
Cell 10: BRK/HZRD LPS, FOG LPS, CTSY LP/PWR MIR, and PARKLPS/INT LPS Fuses
Handling ESD Sensitive Parts Notice
Figure 18:

Cell 10: INTERIOR LPS, PERIMETER LT, and PARKLAMPS Fuses


Object Number: 343511  Size: FS
Power and Grounding Components
Cell 10: INTERIOR LPS Fuse Continuation
Cell 10: RADIO and WPR/WSHR Fuses
Cell 10: INTERIOR LPS Fuse Continuation
Cell 10: PARKLAMPS Fuse Continuation (Buick)
Cell 110 Headlamp Switch, LCM, RFA
Cell 110: Headlamp Switch, RFA, and Park Lamp Control
Figure 19:

Cell 10: INTERIOR LPS Fuse Continuation


Object Number: 343504  Size: FS
Power and Grounding Components
Cell 10: PARKLAMPS Fuse Continuation (Buick)
Cell 10: INTERIOR LPS, PERIMETER LT, and PARKLAMPS Fuses
Handling ESD Sensitive Parts Notice
Handling ESD Sensitive Parts Notice
Cell 10: INTERIOR LPS, PERIMETER LT, and PARKLAMPS Fuses
Figure 20:

Cell 10: PARKLAMPS Fuse Continuation (Buick)


Object Number: 343507  Size: FS
Power and Grounding Components
Cell 10: CIGAR LTR Fuse
Cell 10: INTERIOR LPS Fuse Continuation
Cell 10: INTERIOR LPS, PERIMETER LT, and PARKLAMPS Fuses
Figure 21:

Cell 10: CIGAR LTR Fuse


Object Number: 343514  Size: FS
Power and Grounding Components
Cell 10: MISC/RDO/CLSTR Fuse
Cell 10: PARKLAMPS Fuse Continuation (Buick)
Cell 10: MISC LGT, COOL FNS, C/LTR/RDO/CLSTR/MISC, IGN SW, RR DEFOG/PWRSEAT, ABS SOL, and ABS MOT Fuses
Figure 22:

Cell 10: MISC/RDO/CLSTR Fuse


Object Number: 343517  Size: FS
Power and Grounding Components
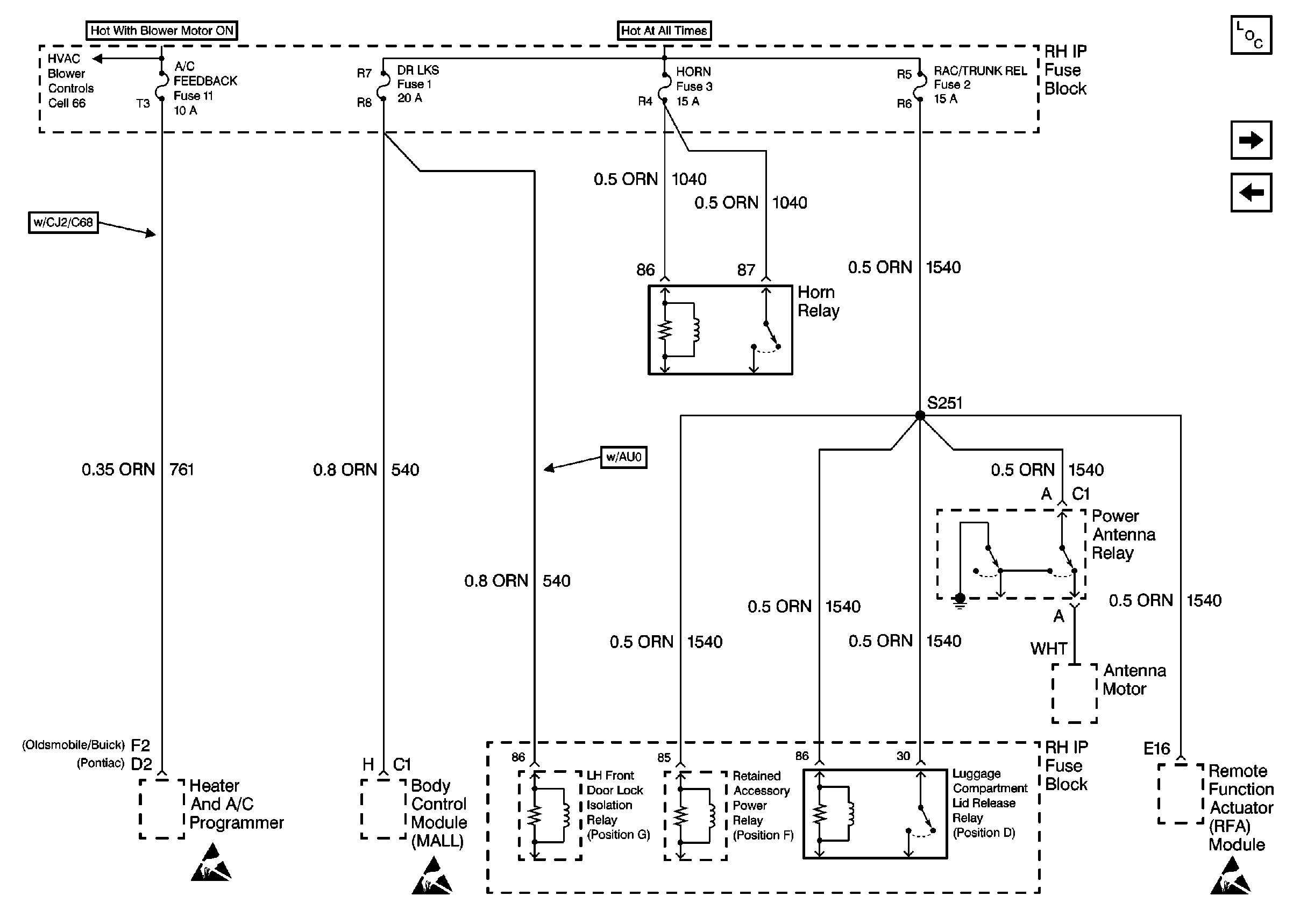
Cell 10: A/C FEEDBACK, DR LKS, HORN, and RAC/TRUNK REL Fuses
Cell 10: CIGAR LTR Fuse
Handling ESD Sensitive Parts Notice
Handling ESD Sensitive Parts Notice
Handling ESD Sensitive Parts Notice
Cell 10: MISC LGT, COOL FNS, C/LTR/RDO/CLSTR/MISC, IGN SW, RR DEFOG/PWRSEAT, ABS SOL, and ABS MOT Fuses
Figure 23:

Cell 10: A/C FEEDBACK, DR LKS, HORN, and RAC/TRUNK REL Fuses


Object Number: 343519  Size: FS
Power and Grounding Components
Cell 10: FUEL PUMP, MISC ENG OBD II, and INJECTOR Fuses
Cell 10: MISC/RDO/CLSTR Fuse
Handling ESD Sensitive Parts Notice
Handling ESD Sensitive Parts Notice
HVAC Blower Control Schematics
Figure 24:

Cell 10: FUEL PUMP, MISC ENG OBD II, and INJECTOR Fuses


Object Number: 343530  Size: FS
Power and Grounding Components
Cell 10: PCM Fuse
Cell 10: A/C FEEDBACK, DR LKS, HORN, and RAC/TRUNK REL Fuses
Handling ESD Sensitive Parts Notice
Cell 10: IGN SW Fuse (1 of 2)
Figure 25:

Cell 10: PCM Fuse


Object Number: 343532  Size: FS
Power and Grounding Components
Cell 10: FUEL PUMP, MISC ENG OBD II, and INJECTOR Fuses
Handling ESD Sensitive Parts Notice
Handling ESD Sensitive Parts Notice
Handling ESD Sensitive Parts Notice
Handling ESD Sensitive Parts Notice
Handling ESD Sensitive Parts Notice
Handling ESD Sensitive Parts Notice
Cell 10: IGN SW Fuse (1 of 2)