GM Service Manual Online
For 1990-2009 cars only
Figure 1:

Cell 150: Radio Power and Ground (Oldsmobile)


Object Number: 342408  Size: FS
Entertainment Components
Radio/Audio System Description
Cell 150: Radio Power and Ground (Buick)
Handling ESD Sensitive Parts Notice
Power Distribution Schematics
Power Distribution Schematics
Power Distribution Schematics
Power Distribution Schematics
Power Distribution Schematics
Power Distribution Schematics
Power Distribution Schematics
Steering Wheel Controls Schematics
Data Link Connector Schematics
Ground Distribution Schematics
Interior Lights Dimming Schematics Buick
Interior Lights Dimming Schematics Buick
Power Antenna Schematics
Figure 2:

Cell 150: Radio Power and Ground (Buick)


Object Number: 342410  Size: FS
Entertainment Components
Radio/Audio System Description
Cell 150: Radio Power and Ground (Pontiac)
Cell 150: Radio Power and Ground (Oldsmobile)
Handling ESD Sensitive Parts Notice
Power Distribution Schematics
Power Distribution Schematics
Power Distribution Schematics
Power Distribution Schematics
Steering Wheel Controls Schematics
Power Distribution Schematics
Power Distribution Schematics
Power Distribution Schematics
Ground Distribution Schematics
Power Antenna Schematics
Interior Lights Dimming Schematics Buick
Interior Lights Dimming Schematics Buick
Steering Wheel Controls Schematics
Figure 3:

Cell 150: Radio Power and Ground (Pontiac)


Object Number: 342412  Size: FS
Entertainment Components
Radio/Audio System Description
Cell 150: Speakers (Buick w/UQ8)
Cell 150: Radio Power and Ground (Buick)
Handling ESD Sensitive Parts Notice
Power Antenna Schematics
Ground Distribution Schematics
Interior Lights Dimming Schematics Buick
Power Distribution Schematics
Power Distribution Schematics
Power Distribution Schematics
Power Distribution Schematics
Steering Wheel Controls Schematics
Power Distribution Schematics
Data Link Connector Schematics
Figure 4:

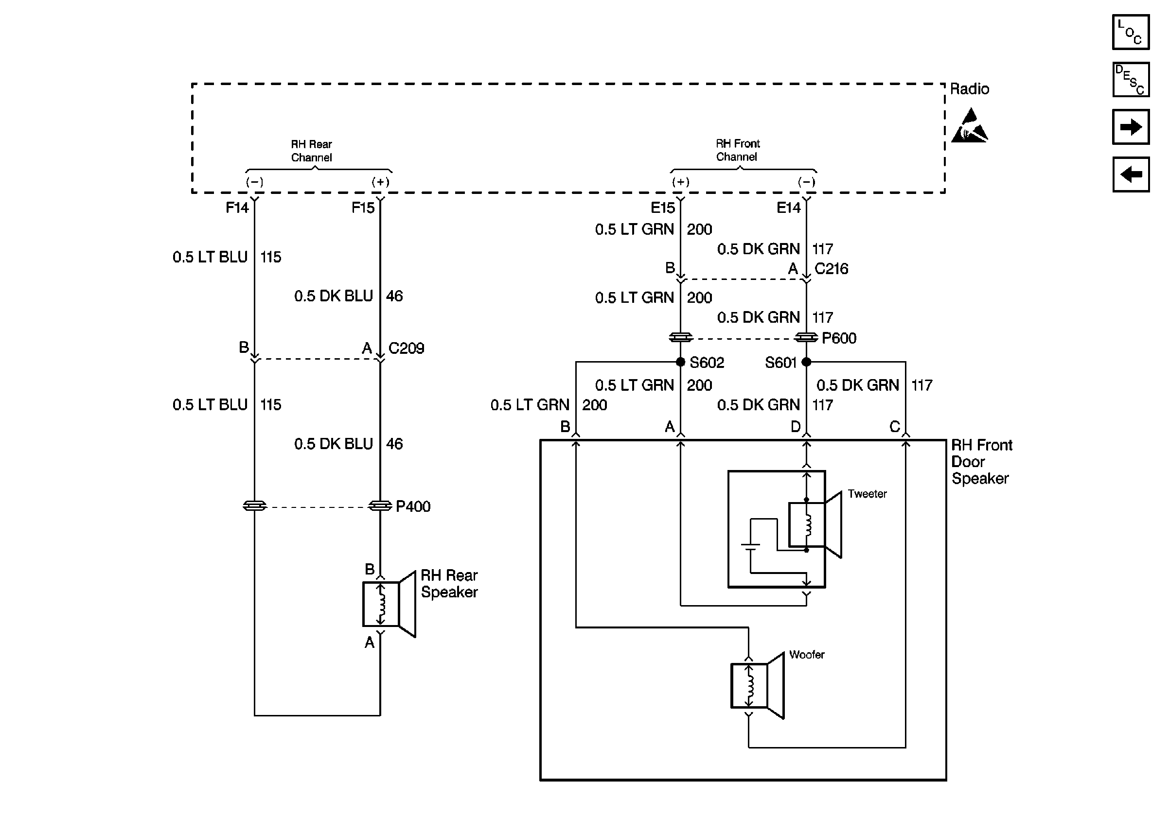
Cell 150: RH Speakers (Buick w/UW6)


Object Number: 342417  Size: FS
Entertainment Components
Radio/Audio System Description
Cell 150: LH Speakers (Buick w/UW6)
Cell 150: Radio Power and Ground (Pontiac)
Handling ESD Sensitive Parts Notice
Figure 5:

Cell 150: LH Speakers (Buick w/UW6)


Object Number: 342419  Size: FS
Entertainment Components
Radio/Audio System Description
Cell 150: Speakers (Buick w/UQ8)
Cell 150: RH Speakers (Buick w/UW6)
Handling ESD Sensitive Parts Notice
Figure 6:

Cell 150: Speakers (Buick w/UQ8)


Object Number: 342415  Size: FS
Entertainment Components
Radio/Audio System Description
Cell 150: Speakers (Oldsmobile, Pontiac w/UW6)
Cell 150: LH Speakers (Buick w/UW6)
Handling ESD Sensitive Parts Notice
Figure 7:

Cell 150: Speakers (Oldsmobile, Pontiac w/UW6)


Object Number: 342421  Size: FS
Entertainment Components
Radio/Audio System Description
Cell 150: Speakers (Pontiac w/UX7)
Cell 150: Speakers (Buick w/UQ8)
Handling ESD Sensitive Parts Notice
Figure 8:

Cell 150: Speakers (Pontiac w/UX7)


Object Number: 342420  Size: FS
Entertainment Components
Radio/Audio System Description
Cell 150: Front Speakers (Pontiac w/UZ8)
Cell 150: Speakers (Oldsmobile, Pontiac w/UW6)
Handling ESD Sensitive Parts Notice
Figure 9:

Cell 150: Front Speakers (Pontiac w/UZ8)


Object Number: 342422  Size: FS
Entertainment Components
Radio/Audio System Description
Cell 150: Rear Speakers (Pontiac w/UZ8)
Cell 150: Speakers (Pontiac w/UX7)
Handling ESD Sensitive Parts Notice
Handling ESD Sensitive Parts Notice
Ground Distribution Schematics
Power Distribution Schematics
Power Distribution Schematics
Figure 10:

Cell 150: Rear Speakers (Pontiac w/UZ8)


Object Number: 342423  Size: FS
Entertainment Components
Radio/Audio System Description
Cell 150: Front Speakers (Pontiac w/UZ8)
Handling ESD Sensitive Parts Notice
Handling ESD Sensitive Parts Notice