GM Service Manual Online
For 1990-2009 cars only
Figure 1:

Power, Ground, MIL and DLC


Object Number: 1703550  Size: FS
Master Electrical Component List
Powertrain Control Module Description
Control Module References
Engine Data Sensors, 5V Reference Bussing
Engine Controls Schematic Icons
Underhood Fuse Block B+
Rear Fuse Block B+
Underhood Fuse Block B+
RUN/CRANK Relay, TRANS IGN 3, AIRBAG IGN 3, HVAC/IPC, ECM IGN 3 Fuses
IGN SWTCH, STR/WHL/ILLUM Fuses
PWR/TRAIN, AIR PUMP, AIR/SOL Relays, ECM/CRNK, INJ/COIL, PWR TRN, AIR PUMP, AIR/SOL Fuses
PWR/TRAIN, AIR PUMP, AIR/SOL Relays, ECM/CRNK, INJ/COIL, PWR TRN, AIR PUMP, AIR/SOL Fuses
RUN/CRANK Relay, TRANS IGN 3, AIRBAG IGN 3, HVAC/IPC, ECM IGN 3 Fuses
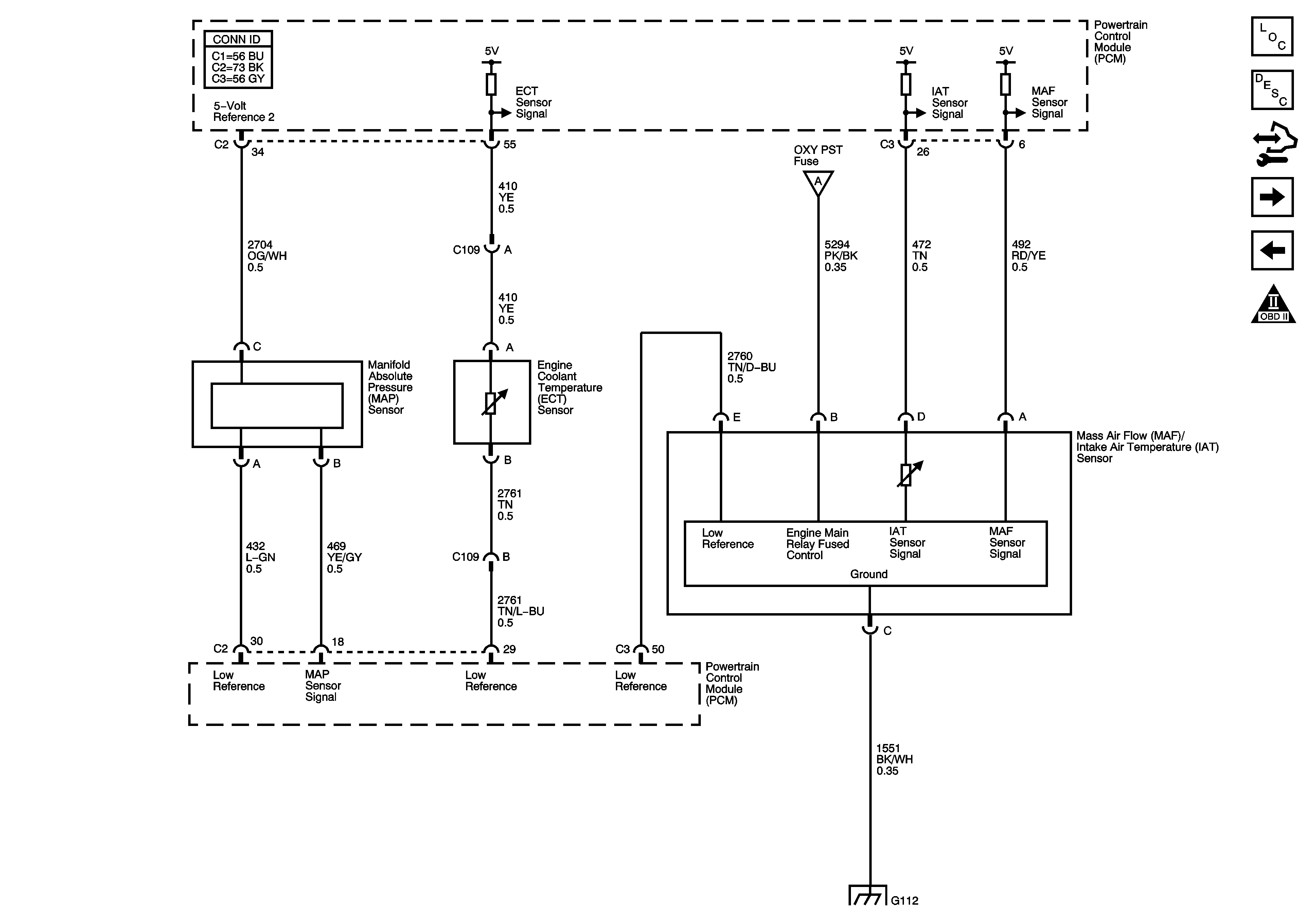
Engine Data Sensors, Pressure, Temp, and MAF/IAT
PWR/TRAIN, AIR PUMP, AIR/SOL Relays, ECM/CRNK, INJ/COIL, PWR TRN, AIR PUMP, AIR/SOL Fuses
G112 (L26)
High Speed Serial Data
G112 (L26)
Figure 2:

Engine Data Sensors, 5-Volt Reference Bussing


Object Number: 1703551  Size: FS
Master Electrical Component List
Powertrain Control Module Description
Control Module References
Engine Data Sensors, Pressure, Temp, and MAF/IAT
Power, Ground, MIL, and DLC
Engine Controls Schematic Icons
Figure 3:

Engine Data Sensors - Pressure, Temp and MAF/IAT


Object Number: 1703552  Size: FS
Master Electrical Component List
Powertrain Control Module Description
Control Module References
Engine Data Sensors, HO2S
Engine Data Sensors, 5V Reference Bussing
Engine Controls Schematic Icons
Power, Ground, MIL, and DLC
G112 (L26)
Figure 4:

Engine Data Sensors, HO2S


Object Number: 1703553  Size: FS
Master Electrical Component List
Powertrain Control Module Description
Control Module References
Engine Data Sensors, APP and TAC
Engine Data Sensors, Pressure, Temp, and MAF/IAT
Engine Controls Schematic Icons
Underhood Fuse Block B+
AIR PUMP, AIR/SOL, A/C, COOL/FAN 2, COOL/FAN, COOL/FAN 1 Relays, INJ/COIL, OXY PST Fuses
PWR/TRAIN, AIR PUMP, AIR/SOL Relays, ECM/CRNK, INJ/COIL, PWR TRN, AIR PUMP, AIR/SOL Fuses
Figure 5:

Engine Data Sensors, APP and TAC


Object Number: 1703555  Size: FS
Master Electrical Component List
Throttle Actuator Control (TAC) System Description
Control Module References
Ignition Controls, CKP, CMP, Knock Sensors
Engine Data Sensors, HO2S
Engine Controls Schematic Icons
Underhood Fuse Block B+
Rear Stop/Turn Signal Lamps
PWR/TRAIN, AIR PUMP, AIR/SOL Relays, ECM/CRNK, INJ/COIL, PWR TRN, AIR PUMP, AIR/SOL Fuses
G112 (L26)
Figure 6:

Ignition Controls, CKP, CMP, Knock Sensors


Object Number: 1703556  Size: FS
Master Electrical Component List
Electronic Ignition (EI) System Description
Control Module References
Fuel Controls
Engine Data Sensors, APP and TAC
Engine Controls Schematic Icons
Underhood Fuse Block B+
G101, G110, G111, G114, G115, G302, G303, G306, G307
Figure 7:

Fuel Controls


Object Number: 1703562  Size: FS
Master Electrical Component List
Fuel System Description
Control Module References
EVAP Controls
Ignition Controls, CKP, CMP, Knock Sensors
Engine Controls Schematic Icons
Underhood Fuse Block B+
Figure 8:

EVAP Controls


Object Number: 1703565  Size: FS
Master Electrical Component List
Evaporative Emission Control System Description
Control Module References
EGR
Fuel Controls
Engine Controls Schematic Icons
Rear Fuse Block B+
Engine Data Sensors, 5V Reference Bussing
G301
G403
Engine Data Sensors, 5V Reference Bussing
Figure 9:

EGR


Object Number: 1703568  Size: FS
Master Electrical Component List
Exhaust Gas Recirculation (EGR) System Description
Control Module References
Controlled and Monitored Subsystem References
EVAP Controls
Engine Controls Schematic Icons
Rear Fuse Block B+
Figure 10:

Controlled/Monitored Subsystem References


Object Number: 1703569  Size: FS
Master Electrical Component List
Powertrain Control Module Description
Control Module References
Automatic Transmission Controls References
EGR
Engine Controls Schematic Icons
Compressor Controls
Compressor Controls
Engine Cooling Schematics
Shift Lock Control Schematics
Starting 1 of 2
Charging
Oil Level, EOP, Fuel Level Sensor
Oil Level, EOP, Fuel Level Sensor
Figure 11:

Automatic Transmission Controls References


Object Number: 1703571  Size: FS
Master Electrical Component List
Powertrain Control Module Description
Control Module References
Controlled and Monitored Subsystem References
Engine Controls Schematic Icons
Stop Lamp Signal, TFT Sensor and TCC, Shift Solenoids
Transmission Internal Mode Switch (IMS)
VSS and AT ISS Sensors, Pressure Control Solenoid Valve, and TCC Release Switch