GM Service Manual Online
For 1990-2009 cars only
Makes
🢒
Buick
🢒
2007
🢒
Rendezvous - FWD
🢒
Diagnostic Navigation
🢒
Vehicle Diagnostic Information
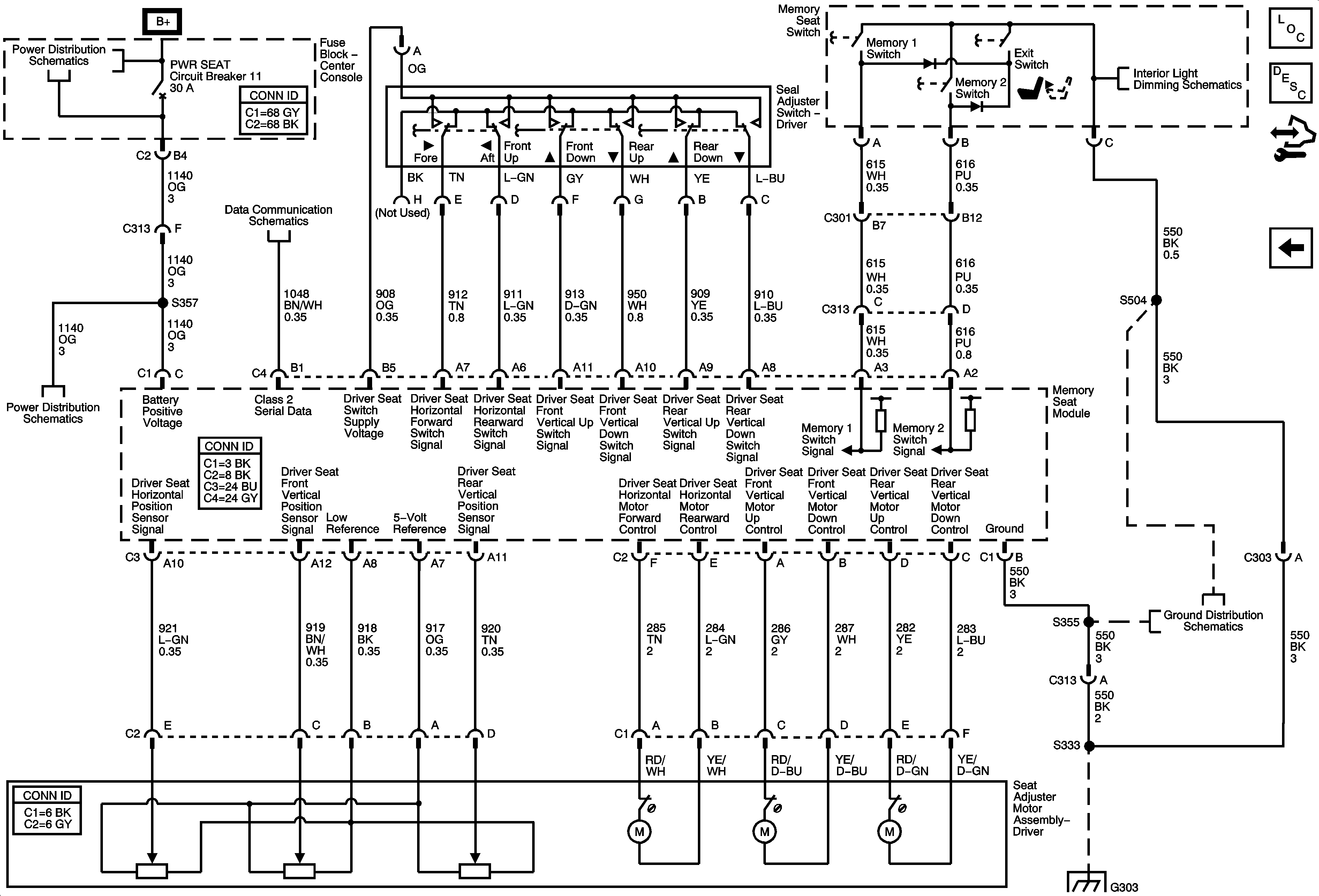
🢒 Driver Seat Schematics
Figure
1:
Power Seat
Master Electrical Component List
Power Seats System Description and Operation
Control Module References
Memory Seat
BATT 2, ELC CMPRSR, LGATE, PWR DR LCK, PWR MIR, PWR SEAT, and RR AUX PWR OUTLET Fuses
BATT 2, ELC CMPRSR, LGATE, PWR DR LCK, PWR MIR, PWR SEAT, and RR AUX PWR OUTLET Fuses
G303-1 of 2
Figure
2:
Memory Seat
Master Electrical Component List
Memory Seats Description and Operation
Control Module References
Power Seat
BATT 2, ELC CMPRSR, LGATE, PWR DR LCK, PWR MIR, PWR SEAT, and RR AUX PWR OUTLET Fuses
Data Communication Schematics
Dimming Controls and Door, Roof, and Steering Wheel Lamps
BATT 2, ELC CMPRSR, LGATE, PWR DR LCK, PWR MIR, PWR SEAT, and RR AUX PWR OUTLET Fuses
G303-1 of 2
G303-1 of 2