GM Service Manual Online
For 1990-2009 cars only

Object Number: 197647  Size: SF
Engine Controls Components
Engine Controls Schematics
OBD II Symbol Description Notice
Handling ESD Sensitive Parts Notice

Circuit Description

The PCM uses the 5 Volt Reference B circuit as a sensor feed for the A/C Refrigerant Pressure Sensor. The PCM monitors the voltage on the 5 Volt Reference B circuit. If the voltage is out of tolerance, the PCM will set DTC P1639.

Conditions for Running the DTC

The ignition is on.

Conditions for Setting the DTC

    • The PCM detects a voltage out of tolerance condition on the 5 Volt Reference B circuit.
    • Above condition for longer than 10 seconds.

Action Taken When the DTC Sets

    • The PCM will illuminate the malfunction indicator lamp (MIL) during the second consecutive trip in which the diagnostic test has been run and failed.
    • The PCM will store conditions which were present when the DTC set as Freeze Frame/Failure Records data.

Conditions for Clearing the MIL/DTC

    • The PCM will turn OFF the malfunction indicator lamp (MIL) during the third consecutive trip in which the diagnostic has run and passed.
    • The history DTC will clear after 40 consecutive warm-up cycles have occurred without a malfunction.
    • The DTC can be cleared by using a scan tool.

Diagnostic Aids

Important: : Inspect the PCM and engine grounds for being secure and clean.

Check for the following conditions:

    • Poor connection at the PCM.
        Inspect harness connectors for backed out terminals, improper mating, broken locks, improperly formed or damaged terminals, and poor terminal to wire connection.
    • Damaged harness.
        Inspect the wiring harness for damage. If the harness appears to be OK, observe the A/C High Side Pressure display on the scan tool while moving connectors and wiring harnesses related to the A/C refrigerant pressure sensor. A change in the A/C High Side Pressure display will indicate the location of the malfunction.

Reviewing the Fail Records vehicle mileage since the diagnostic test last failed may help determine how often the condition that caused the DTC to be set occurs. This may assist in diagnosing the condition.

Test Description

The numbers below refer to the step numbers on the Diagnostic Table.

  1. This step is checking for a short to voltage on the 5 volt ref line.

  1. This vehicle is equipped with a PCM which utilizes an Electrically Erasable Programmable Read Only Memory (EEPROM). When the PCM is being replaced, the new PCM must be programmed.

DTC P1639 - 5 Volt Reference B Circuit

Step

Action

Value(s)

Yes

No

1

Did you perform the Powertrain On-Board Diagnostic (OBD) System Check?

--

Go to Step 2

Go to Powertrain On Board Diagnostic (OBD) System Check

2

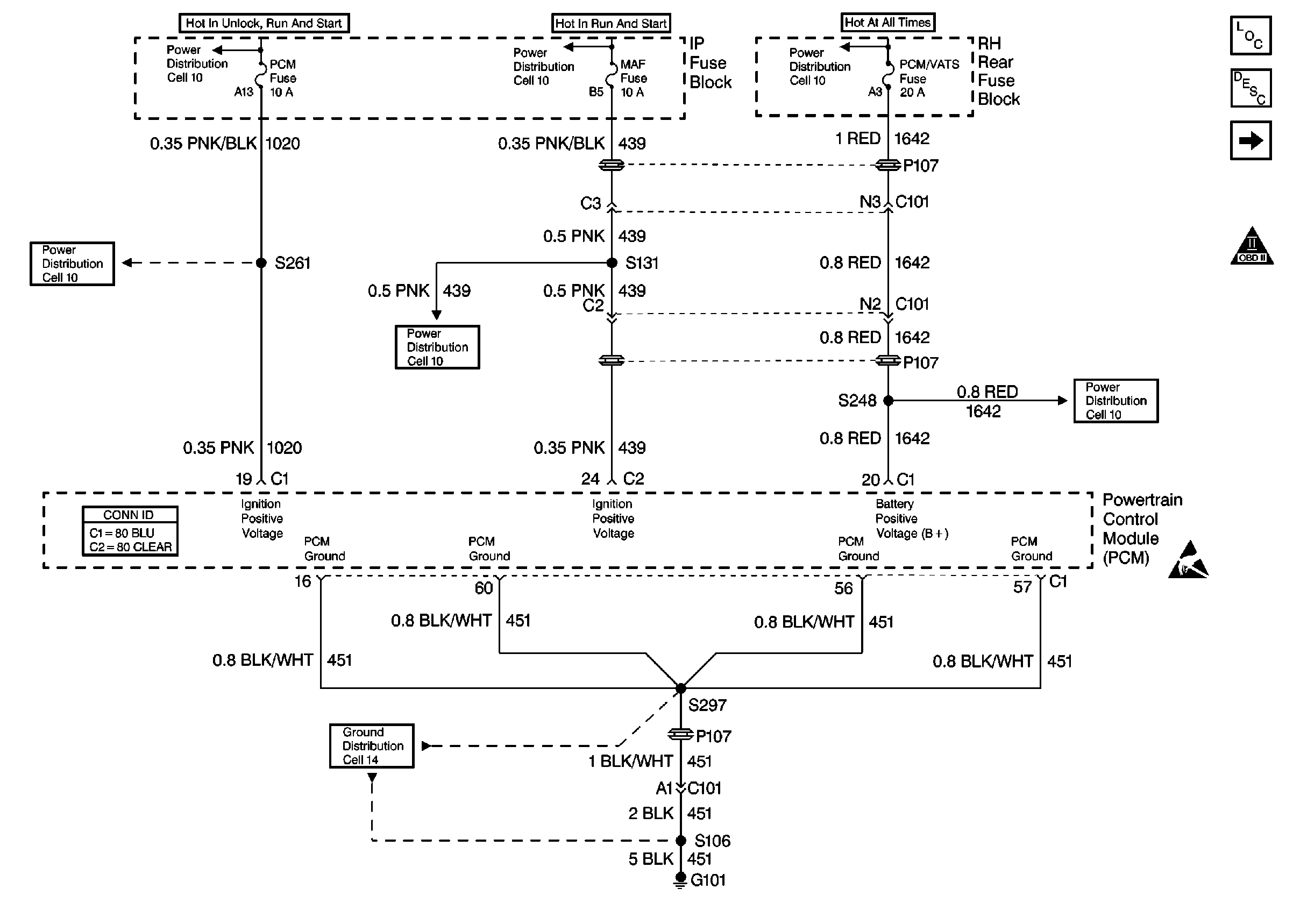
Visually/physically check the PCM and engine grounds. Refer to

Cell 20: PCM Power and Grounds


Object Number: 380974  Size: FS
Engine Controls Components
Powertrain Control Module Description
Cell 20: MIL Control, DLC
OBD II Symbol Description Notice
Cell 10: PCM Fuse and MAF Fuse (Buick)
Cell 10: PCM Fuse and MAF Fuse (Buick)
Cell 10: PCM Fuse and MAF Fuse (Buick)
Cell 10: PCM Fuse and MAF Fuse (Buick)
Powertrain Control Module Connector End Views
Handling ESD Sensitive Parts Notice
Cell 14: G100 and G101 (Buick)
Cell 10: Battery
in Wiring Systems.

Did you find a problem?

--

Go to Step 13

Go to Step 3

3

  1. Ensure that the A/C is OFF.
  2. Observe A/C High Side Pressure display on the scan tool.

Does the scan tool display voltage greater than the first specified value or less than the second specified value?

4.8 

0.1 V

Go to DTC P0530 Air Conditioning (A/C) Refrigerant Pressure Sensor Circuit

Go to Step 4

4

  1. Disconnect the A/C refrigerant pressure sensor.
  2. Use a J 39200 Digital Multimeter in order to measure the voltage between the 5 volt reference B circuit and the sensor ground circuit.

Is voltage greater than the specified value?

5.5 V

Go to Step 5

Go to Step 7

5

  1. Turn OFF the ignition.
  2. Disconnect the PCM.
  3. Turn ON the ignition.
  4. Measure the voltage between the 5 volt reference B circuit and the PCM ground circuit at the PCM harness connector.

Is voltage greater than the specified value indicated?

0 V

Go to Step 6

Go to Step 11

6

Locate and repair short to voltage in the 5 volt reference B circuit. Refer to Wiring Repairs .

Is the action complete?

--

Go to Step 13

--

7

Is voltage less than the specified value indicated?

4.5 V

Go to Step 9

Go to Step 8

8

  1. Check for a short to voltage in the A/C refrigerant pressure sensor signal circuit wiring.
  2. If a problem is found, repair as necessary. Refer to Wiring Repairs in Wiring Systems.

Did you find a problem?

--

Go to Step 13

Go to Step 10

9

  1. Turn OFF the ignition.
  2. Disconnect the PCM.
  3. Check the 5 volt reference B circuit for a short to ground or to the sensor ground circuit.
  4. If a problem is found, repair as necessary. Refer to Wiring Repairs .

Was a problem found?

--

Go to Step 13

Go to Step 11

10

  1. Turn ON the ignition with the A/C refrigerant pressure sensor disconnected.
  2. After at least 10 seconds, check for DTC P1635.

Is DTC P1635 set?

--

Go to Step 11

Go to Step 12

11

Important: The replacement PCM must be programmed.

Refer to Powertrain Control Module Replacement/Programming .

Replace the PCM.

Is the action complete?

--

Go to Step 13

--

12

Replace the A/C refrigerant pressure sensor. Refer to Air Conditioning (A/C) Refrigerant Pressure Sensor Replacement in Heater, Ventilation, and Air Conditioning (HVAC).

Is action complete?

--

Go to Step 13

--

13

  1. Review and record scan tool Fail Records data.
  2. Clear the DTCs.
  3. Operate the vehicle within Fail Records conditions.
  4. Use a scan tool in order to monitor the Specific DTC info for DTC P1639 until the DTC P1639 test runs.

Does the scan tool indicate DTC P1639 failed this ignition?

--

Go to Step 2

System OK