GM Service Manual Online
For 1990-2009 cars only
Figure 1:

Cell 20: Power, Ground, and MIL


Object Number: 361528  Size: FS
Engine Controls Components
Engine Control Module Description
Cell 20: DLC and CAN Interface
OBD II Symbol Description Notice
Handling ESD Sensitive Parts Notice
Handling ESD Sensitive Parts Notice
Handling ESD Sensitive Parts Notice
Power Distribution Schematics
Power Distribution Schematics
Cell 20: Ignition System
Power Distribution Schematics
Cell 20: Fuel Controls
Cell 20: Engine Data Sensors
Cell 20: Fuel Controls
Cell 20: Air Injection Pump, MAF and ECT Sensors
Cell 20: EVAP Tank, Purge and Intake Plenum, Resonance Sol. Valves
Figure 2:

Cell 20: DLC and CAN Interface


Object Number: 443806  Size: FS
Engine Controls Components
Serial Data Communications
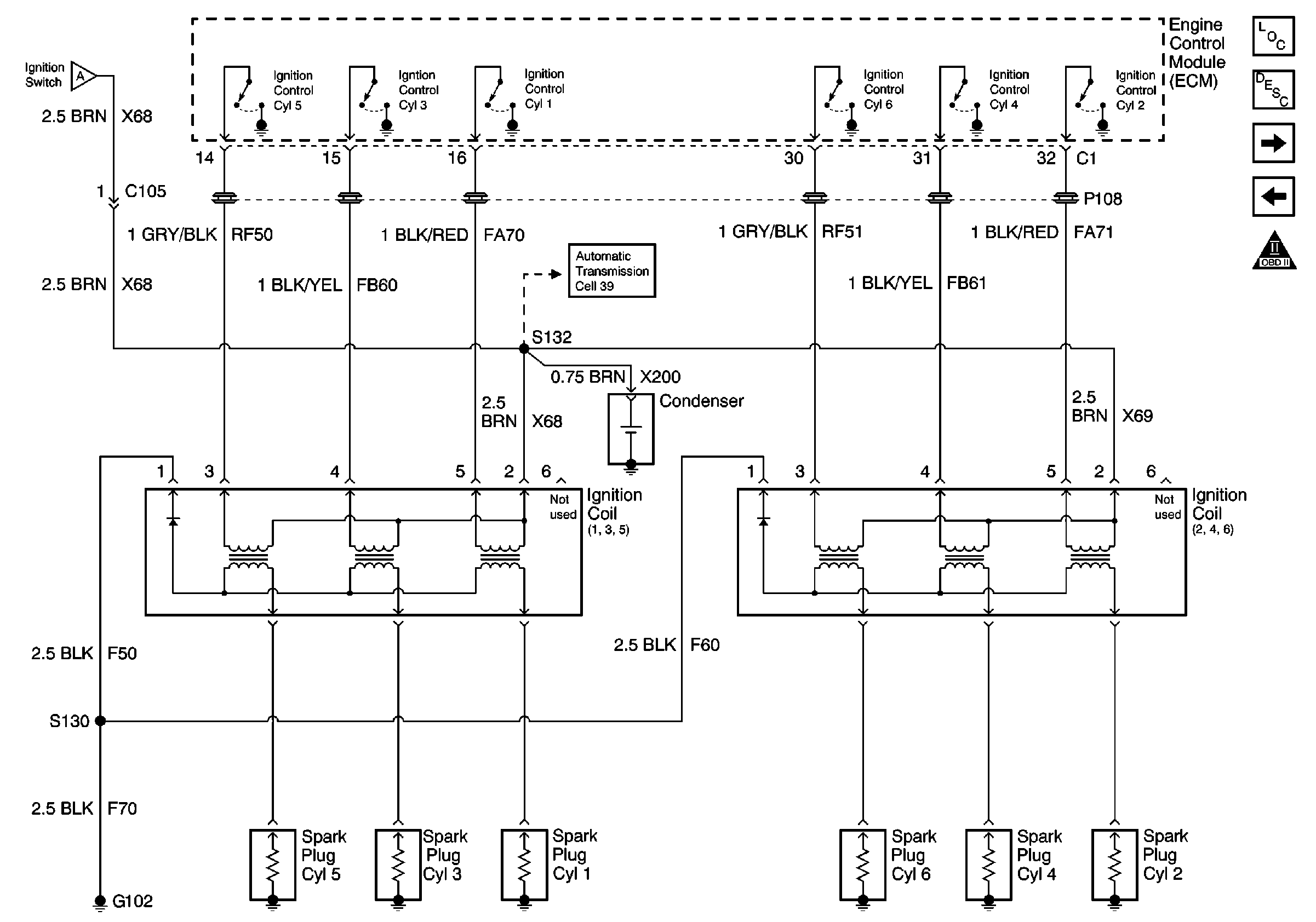
Cell 20: Ignition System
Cell 20: Power, Ground, and MIL
OBD II Symbol Description Notice
Handling ESD Sensitive Parts Notice
Cell 50 Sun Roof Actuator, TCM, ECM, and Instrument Cluster
Figure 3:

Cell 20: Ignition System


Object Number: 361542  Size: FS
Engine Controls Components
Electronic Ignition (EI) System Description
Cell 20: Fuel Controls
Cell 20: DLC and CAN Interface
OBD II Symbol Description Notice
Cell 20: Power, Ground, and MIL
Automatic Transmission Controls Schematics
Figure 4:

Cell 20: Fuel Controls


Object Number: 361544  Size: FS
Engine Controls Components
Fuel Supply Component Description
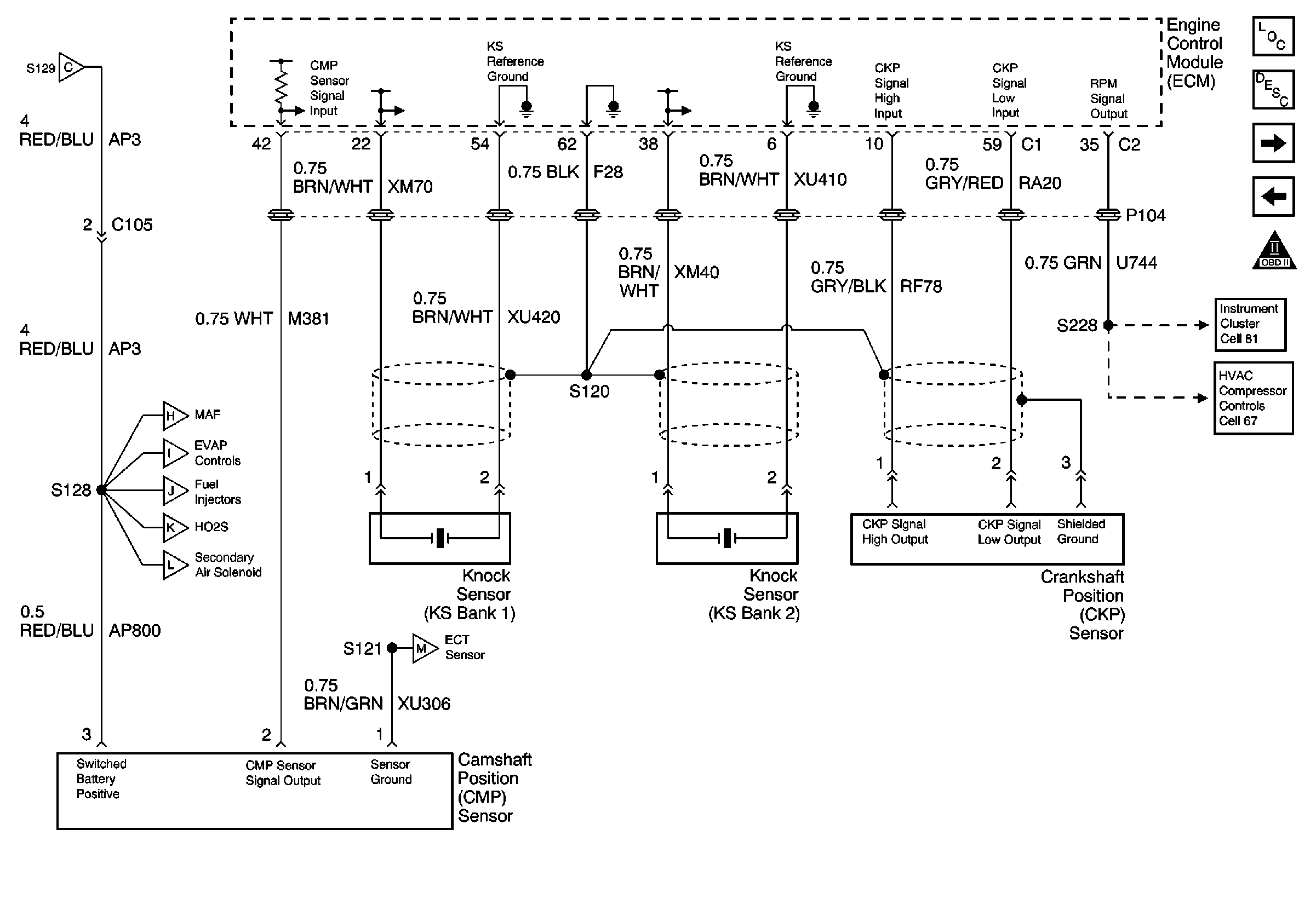
Cell 20: Engine Data Sensors
Cell 20: Ignition System
Engine Controls Schematic Icons
Cell 20: Accelerator Pedal Position (APP) Sensor
Cell 20: Power, Ground, and MIL
Cell 20: Power, Ground, and MIL
Ground Distribution Schematics
Figure 5:

Cell 20: Engine Data Sensors


Object Number: 361543  Size: FS
Engine Controls Components
Information Sensors
Cell 20: Fuel Injectors
Cell 20: Fuel Controls
Engine Controls Schematic Icons
Cell 81: Gauge Cluster Brake Pad Wear and Seat Belt Warning Indicators
Cell 67
Cell 20: Air Injection Pump, MAF and ECT Sensors
Cell 20: Air Injection Pump, MAF and ECT Sensors
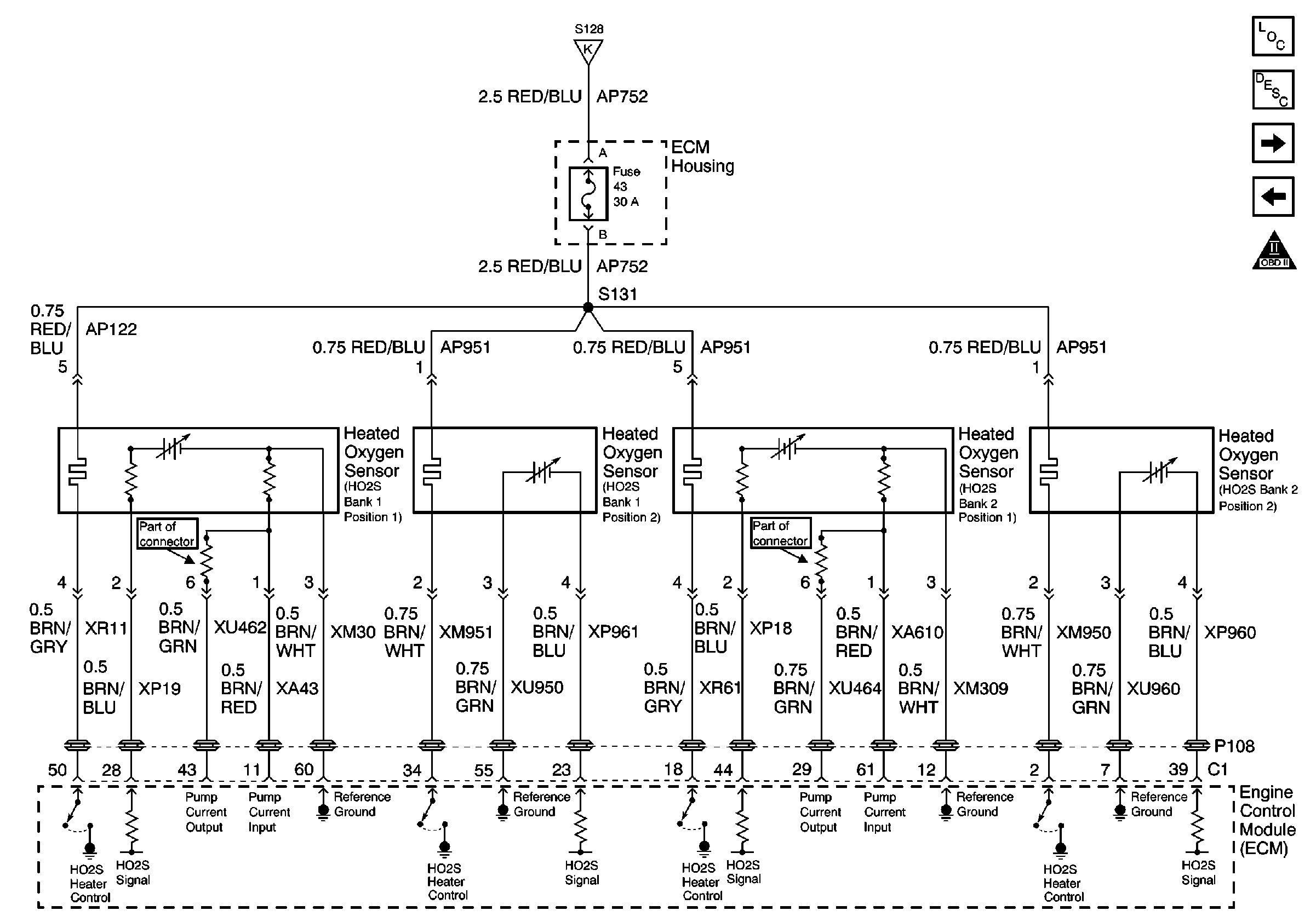
Cell 20: Heated Oxygen Sensors
Cell 20: Fuel Injectors
Cell 20: EVAP Tank, Purge and Intake Plenum, Resonance Sol. Valves
Cell 20: Air Injection Pump, MAF and ECT Sensors
Cell 20: Power, Ground, and MIL
Figure 6:

Cell 20: Fuel Injectors


Object Number: 361545  Size: FS
Engine Controls Components
Fuel Metering System Description
Cell 20: Air Injection Pump, MAF and ECT Sensors
Cell 20: Engine Data Sensors
Engine Controls Schematic Icons
Cell 20: Engine Data Sensors
Figure 7:

Cell 20: Air Injection Pump, MAF and ECT Sensors


Object Number: 361546  Size: FS
Engine Controls Components
Information Sensors
Cell 20: Heated Oxygen Sensors
Cell 20: Fuel Injectors
Engine Controls Schematic Icons
Ground Distribution Schematics
Cell 20: Power, Ground, and MIL
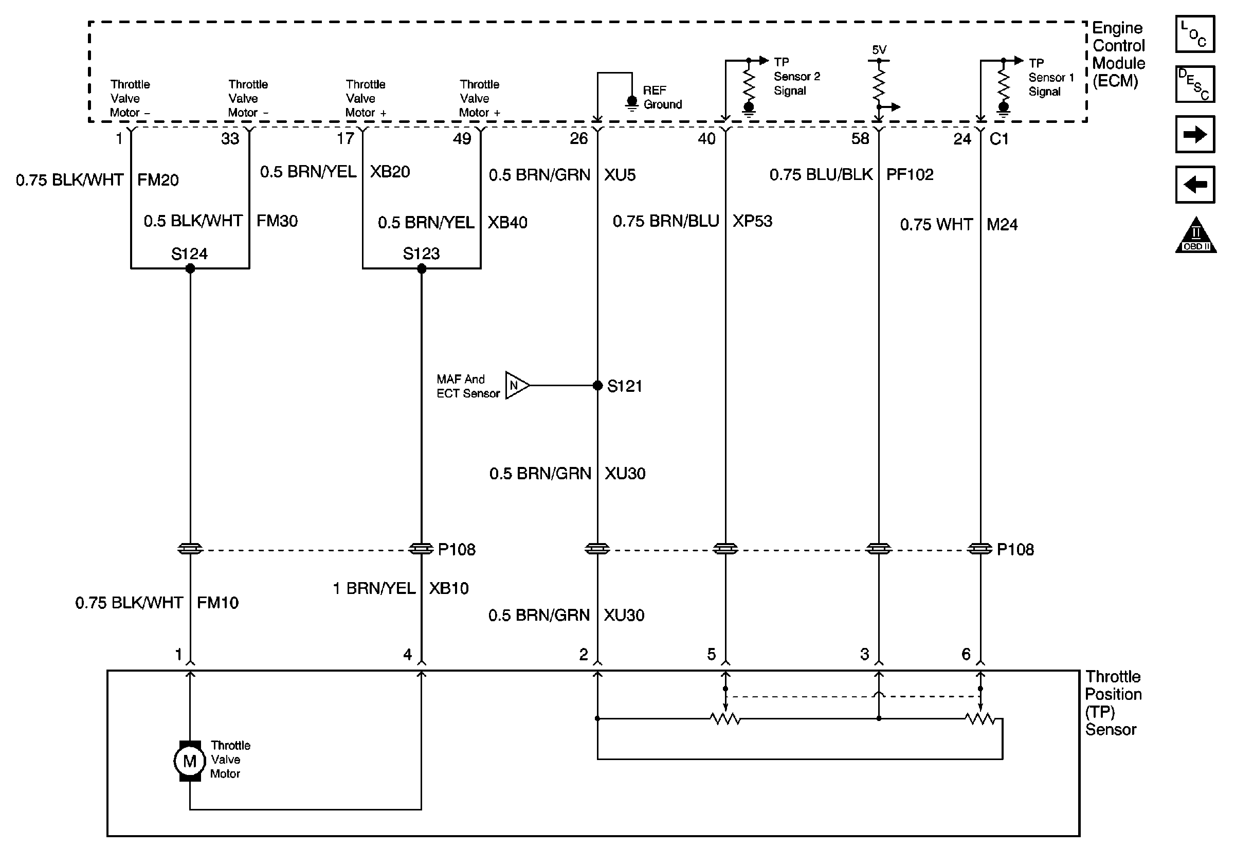
Cell 20: Throttle Position (TP) Sensor
Cell 20: Engine Data Sensors
Cell 20: Engine Data Sensors
Cell 20: Engine Data Sensors
Figure 8:

Cell 20: Heated Oxygen Sensors


Object Number: 365713  Size: FS
Engine Controls Components
Information Sensors
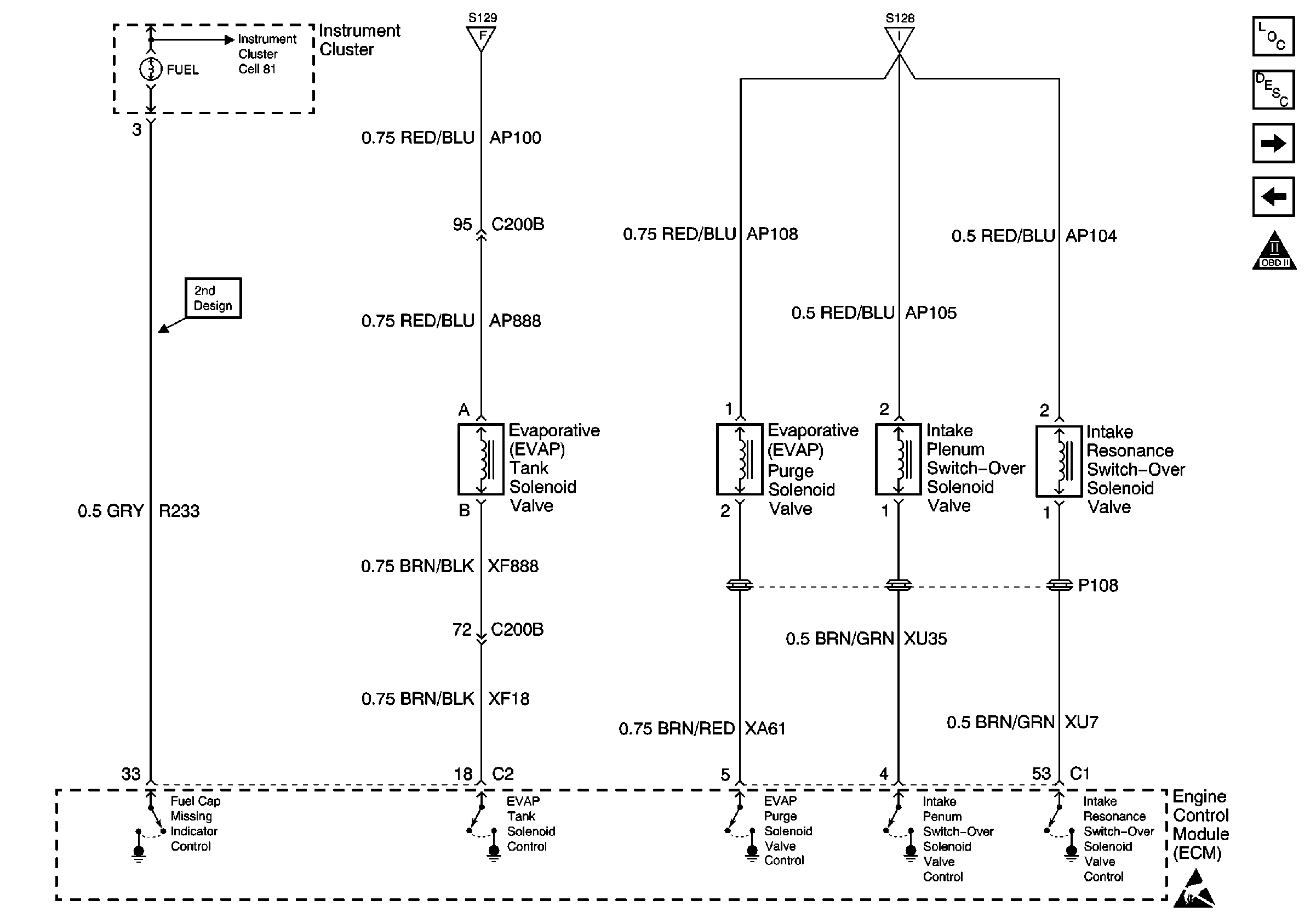
Cell 20: EVAP Tank, Purge and Intake Plenum, Resonance Sol. Valves
Cell 20: Air Injection Pump, MAF and ECT Sensors
Engine Controls Schematic Icons
Cell 20: Engine Data Sensors
Figure 9:

Cell 20: EVAP Tank, Purge and Intake Plenum, Resonance Sol. Valves


Object Number: 365716  Size: FS
Engine Controls Components
Evaporative Emission Control System Operation Description
Cell 20: Throttle Position (TP) Sensor
Cell 20: Heated Oxygen Sensors
Engine Controls Schematic Icons
Cell 20: Engine Data Sensors
Cell 20: Power, Ground, and MIL
Cell 81: Instrument Cluster Cruise, Airbag, MIL and A/T Malfunction Indicators
Figure 10:

Cell 20: Throttle Position (TP) Sensor


Object Number: 361547  Size: FS
Engine Controls Components
Information Sensors
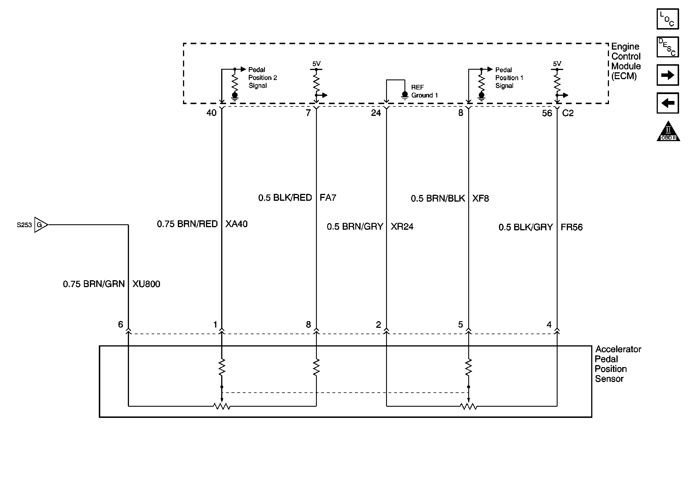
Cell 20: Accelerator Pedal Position (APP) Sensor
Cell 20: EVAP Tank, Purge and Intake Plenum, Resonance Sol. Valves
Engine Controls Schematic Icons
Cell 20: Air Injection Pump, MAF and ECT Sensors
Figure 11:

Cell 20: Accelerator Pedal Position (APP) Sensor


Object Number: 363038  Size: FS
Engine Controls Components
Information Sensors
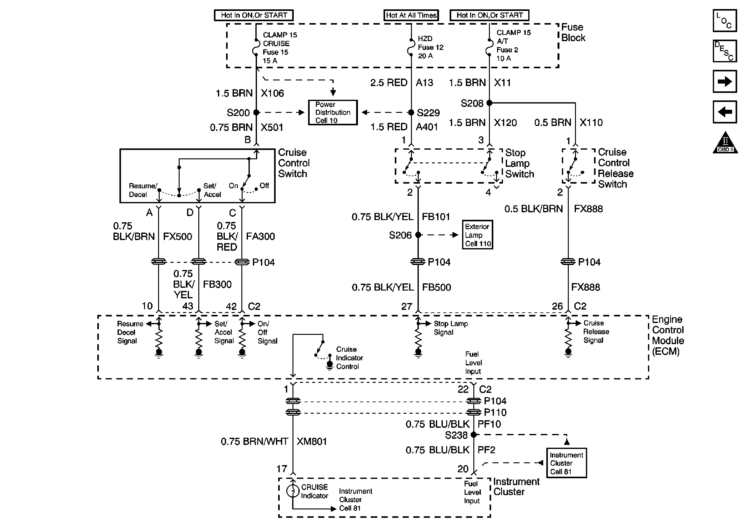
Cell 20: Cruise Control
Cell 20: Throttle Position (TP) Sensor
Engine Controls Schematic Icons
Cell 20: Fuel Controls
Figure 12:

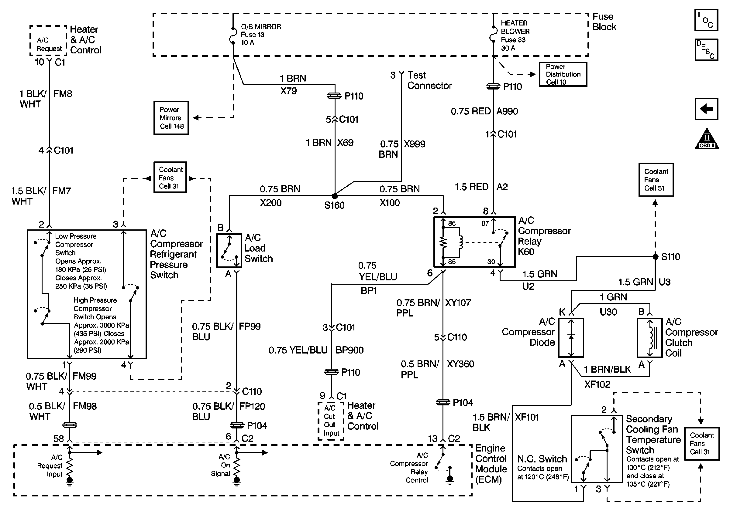
Cell 20: Cruise Control


Object Number: 365718  Size: FS
Engine Controls Components
Cruise Control System Circuit Description
Cell 20: A/C Controls
Cell 20: Accelerator Pedal Position (APP) Sensor
Engine Controls Schematic Icons
Power Distribution Schematics
Cell 81: Instrument Cluster Coolant and Fuel Gauges
Cell 110 Cornering Lamps, Stop/Tailamps, Auxiliary Brake Lamp
Cell 81: Instrument Cluster Cruise, Airbag, MIL and A/T Malfunction Indicators
Figure 13:

Cell 20: A/C Controls


Object Number: 366529  Size: FS
Engine Controls Components
Air Conditioning (A/C) System Description
Cell 20: Cruise Control
Engine Controls Schematic Icons
Cell 10 Fuse Block, Turn Signal Switch, Blower Control, and A/C Compressor Relay
Cooling Fan, Auxiliary Water Pump, and Heater Water Auxiliary Pump
Coolant Level Indicator
Cell 147 Outside Remote Control Rear View Mirror Switch Without Memory
Coolant Level Indicator