GM Service Manual Online
For 1990-2009 cars only
Figure 1:

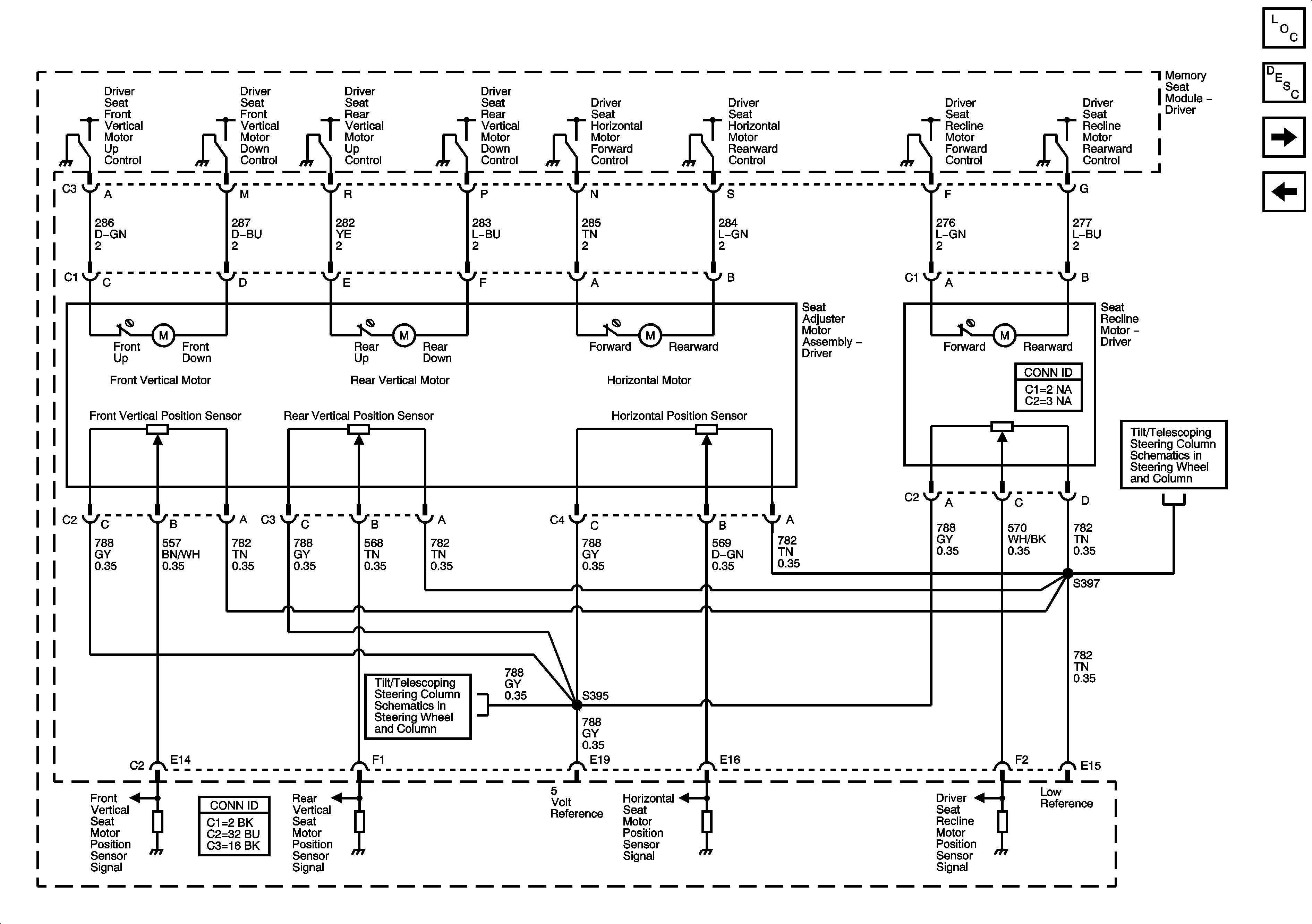
Memory Seat Controls


Object Number: 1205383  Size: FS
Master Electrical Component List
Memory Seats Description and Operation
Motors
Fuse Block-Underhood Fuse: BATT5, BCM Fuses; ACCA/DRIV DR SW, IGNITION SW/INTR SENS, ONSTAR, PARK BRAKE SOL A, and TILT/TELE SW/MEM SEAT MOD
Fuse Block-Underhood Fuse: BATT5, BCM Fuses; ACCA/DRIV DR SW, IGNITION SW/INTR SENS, ONSTAR, PARK BRAKE SOL A, and TILT/TELE SW/MEM SEAT MOD
Fuse Block-Underhood Fuse; BATT1, Fuse Block-I/P Fuses; HEATED SEAT LH, HEATED SEAT RH, POWER LUMBAR LH/RH, Fuse Block-I/P Circuit Breakers; DOOR CONTROLS, and POWER SEATS
DLC, HVAC Control Module, Radio and Switches
Tilt/Telescoping Steering Column Schematics
Class 2
G301
Figure 2:

Motors


Object Number: 1205387  Size: FS
Master Electrical Component List
Memory Seats Description and Operation
Lumbar Support Schematics
DLC, Ground, Power, Switches, and References to Tilt/Telescope Steering
Tilt/Telescoping Steering Column Schematics
Tilt/Telescoping Steering Column Schematics
Figure 3:

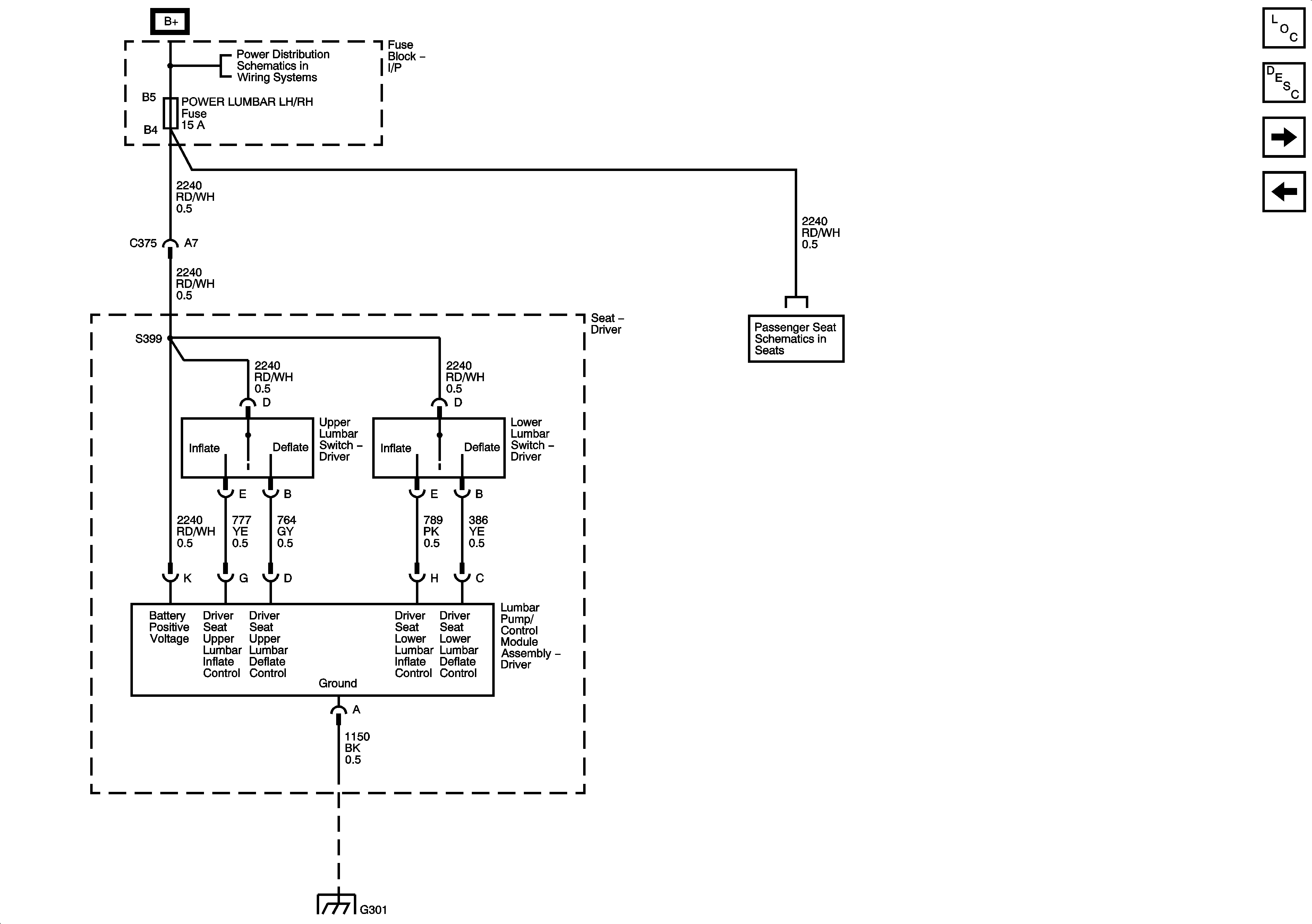
Lumbar Controls


Object Number: 1205382  Size: FS
Master Electrical Component List
Lumbar Support Description and Operation
Driver
Motors
Fuse Block-Underhood Fuse; BATT1, Fuse Block-I/P Fuses; HEATED SEAT LH, HEATED SEAT RH, POWER LUMBAR LH/RH, Fuse Block-I/P Circuit Breakers; DOOR CONTROLS, and POWER SEATS
Lumbar Support
G301
Figure 4:

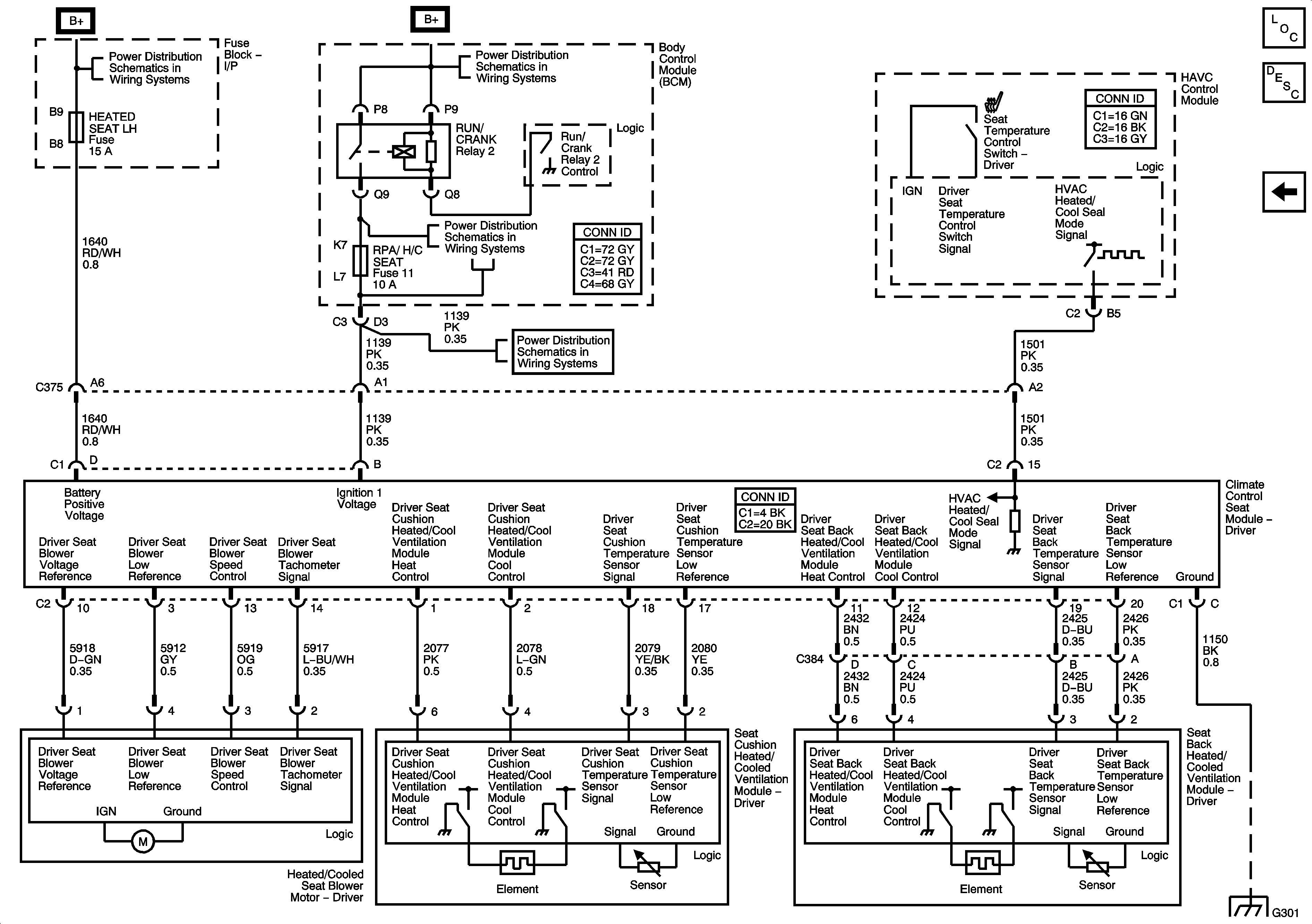
Heat Controls


Object Number: 1205376  Size: FS
Master Electrical Component List
Heated/Cooled Seats Description and Operation
Lumbar Support Schematics
Fuse Block-Underhood Fuse; BATT1, Fuse Block-I/P Fuses; HEATED SEAT LH, HEATED SEAT RH, POWER LUMBAR LH/RH, Fuse Block-I/P Circuit Breakers; DOOR CONTROLS, and POWER SEATS
BCM Fuses; A.C.LATCH/PK BRK B, CLUSTER, DOOR LOCKS, HVAC/PWR SND, INTERIOR LIGHTS, ISRVM/HVAC, and TUTD SW/STRG COL SW
BCM Fuses; ECM, GMLAN DEVICES, RPA / H/C SEAT, and SDM/PSIR SW, Fuse Block-Underhood Fuses; ABS/MRRTD, and ACC/TCM
BCM Fuses; ECM, GMLAN DEVICES, RPA / H/C SEAT, and SDM/PSIR SW, Fuse Block-Underhood Fuses; ABS/MRRTD, and ACC/TCM
G301