GM Service Manual Online
For 1990-2009 cars only
Makes
🢒
Cadillac
🢒
2004
🢒
XLR
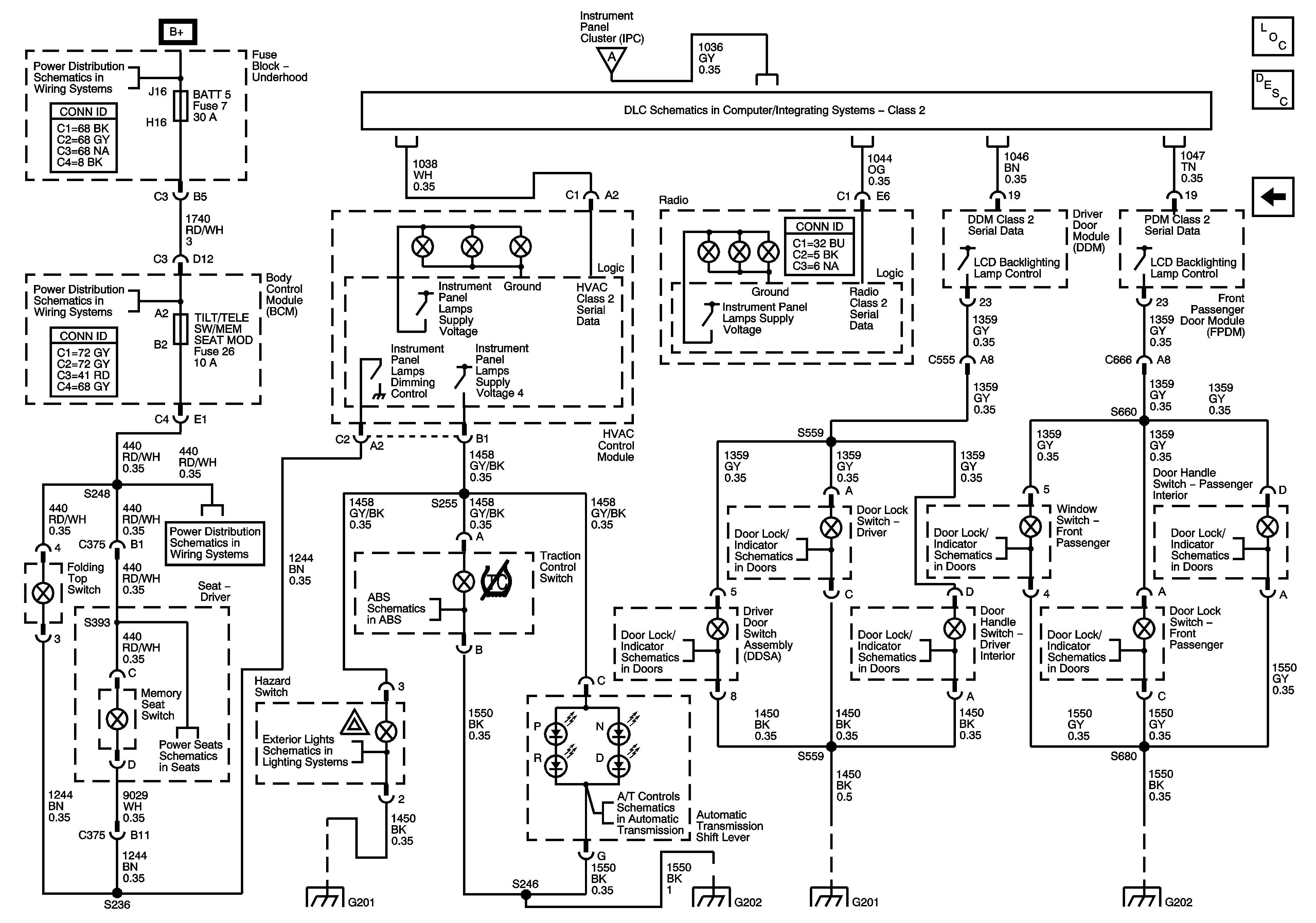
🢒 DLC, HVAC Control Module, Radio and Switches
DLC, HVAC Control Module, Radio and Switches
DLC, HVAC Control Module, Radio and Switches
Master Electrical Component List
Interior Lighting Systems Description and Operation
Dimmer Controls, IPC, Switches and DLC
Fuse Block-Underhood Bussing
Dimmer Controls, IPC, Switches and DLC
Class 2
Fuse Block-Underhood Fuse: BATT5, BCM Fuses; ACCA/DRIV DR SW, IGNITION SW/INTR SENS, ONSTAR, PARK BRAKE SOL A, and TILT/TELE SW/MEM SEAT MOD
Fuse Block-Underhood Fuse: BATT5, BCM Fuses; ACCA/DRIV DR SW, IGNITION SW/INTR SENS, ONSTAR, PARK BRAKE SOL A, and TILT/TELE SW/MEM SEAT MOD
Brake Pedal Signal, and Traction Control Switch
Turn Signal and Hazard Lamps (Domestic)
DLC, Ground, Power, Switches, and References to Tilt/Telescope Steering
Shift Lever
Indicators, Messages, and Ajar/Open/Lock Switches
Passenger
Actuators and Handle Switches
Indicators, Messages, and Ajar/Open/Lock Switches
Actuators and Handle Switches
Indicators, Messages, and Ajar/Open/Lock Switches