GM Service Manual Online
For 1990-2009 cars only
Makes
🢒
Cadillac
🢒
2004
🢒
XLR
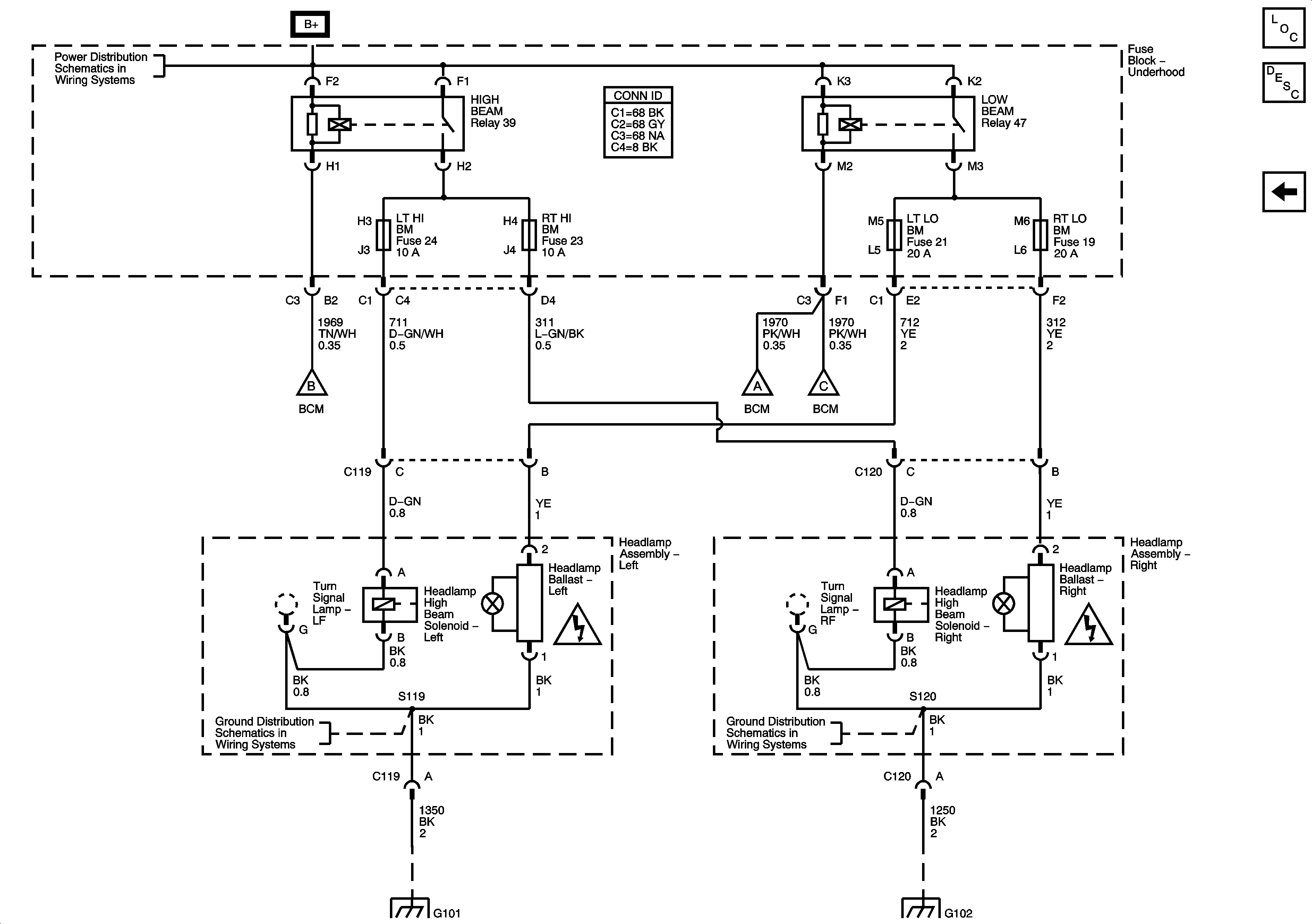
🢒 Headlamps
Headlamps
Headlamps
Master Electrical Component List
Exterior Lighting Systems Description and Operation
Headlamp/DRL Controls
Fuse Block-Underhood Bussing
Headlamp/DRL Controls
Headlamp/DRL Controls
Headlamp/DRL Controls
G101
G102