GM Service Manual Online
For 1990-2009 cars only
Makes
🢒
Cadillac
🢒
2004
🢒
XLR
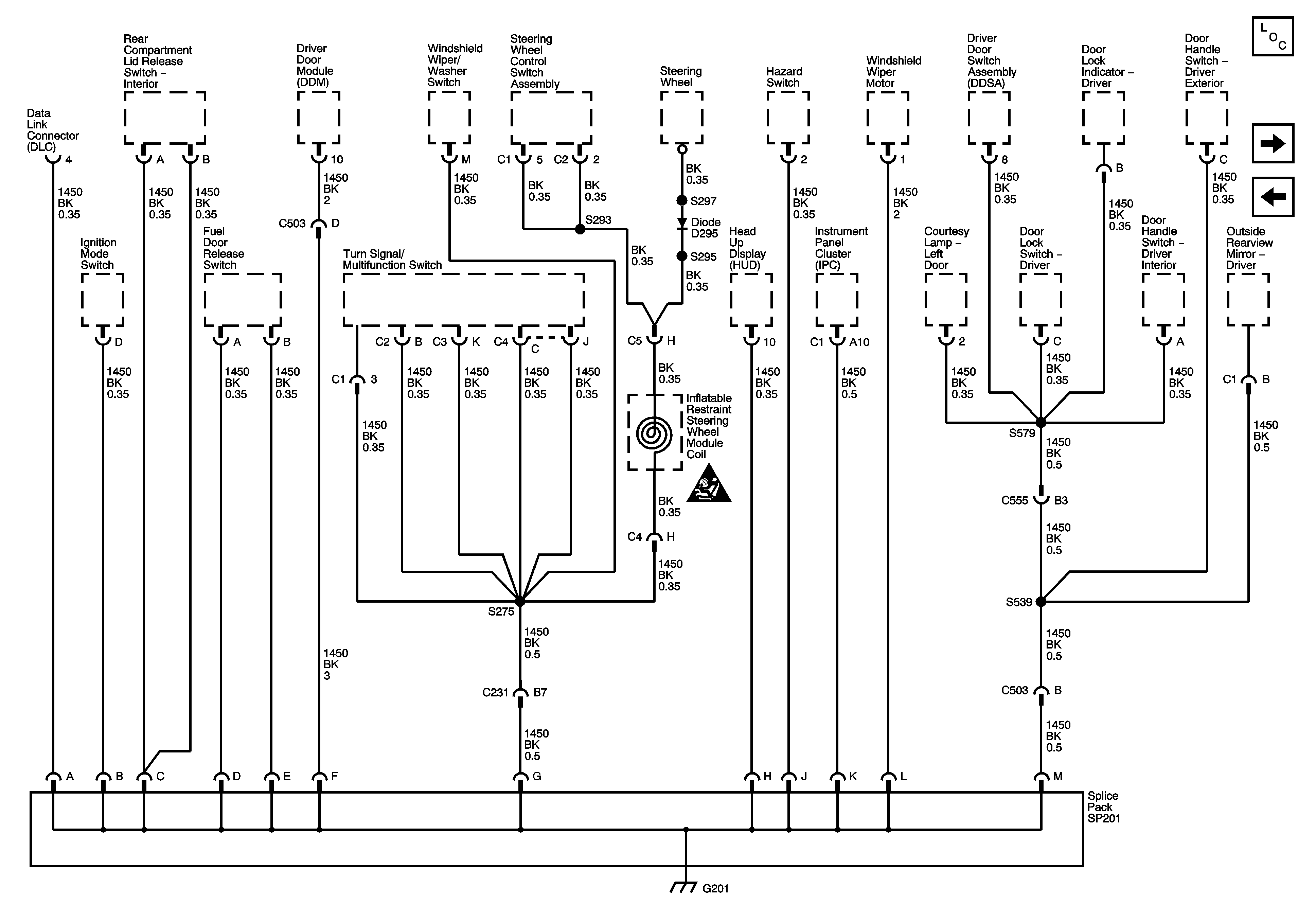
🢒 G201
G201
G201
Master Electrical Component List
G202-1 of 2
G105 and G107