GM Service Manual Online
For 1990-2009 cars only
Makes
🢒
Chevrolet
🢒
1998
🢒
Astro - 4WD
🢒
Body and Accessories
🢒
Lighting Systems
🢒 Interior Lights Dimming Schematics
Figure
1:
Cell 117 (Headlamp and Panel Dimmer Switch, Remote CD/Cassette Tape Player)
Power and Grounding Components
Interior Lights Dimming Circuit Description
Handling ESD Sensitive Parts Notice
Ground Distribution Schematics
Ground Distribution Schematics
Handling ESD Sensitive Parts Notice
Handling ESD Sensitive Parts Notice
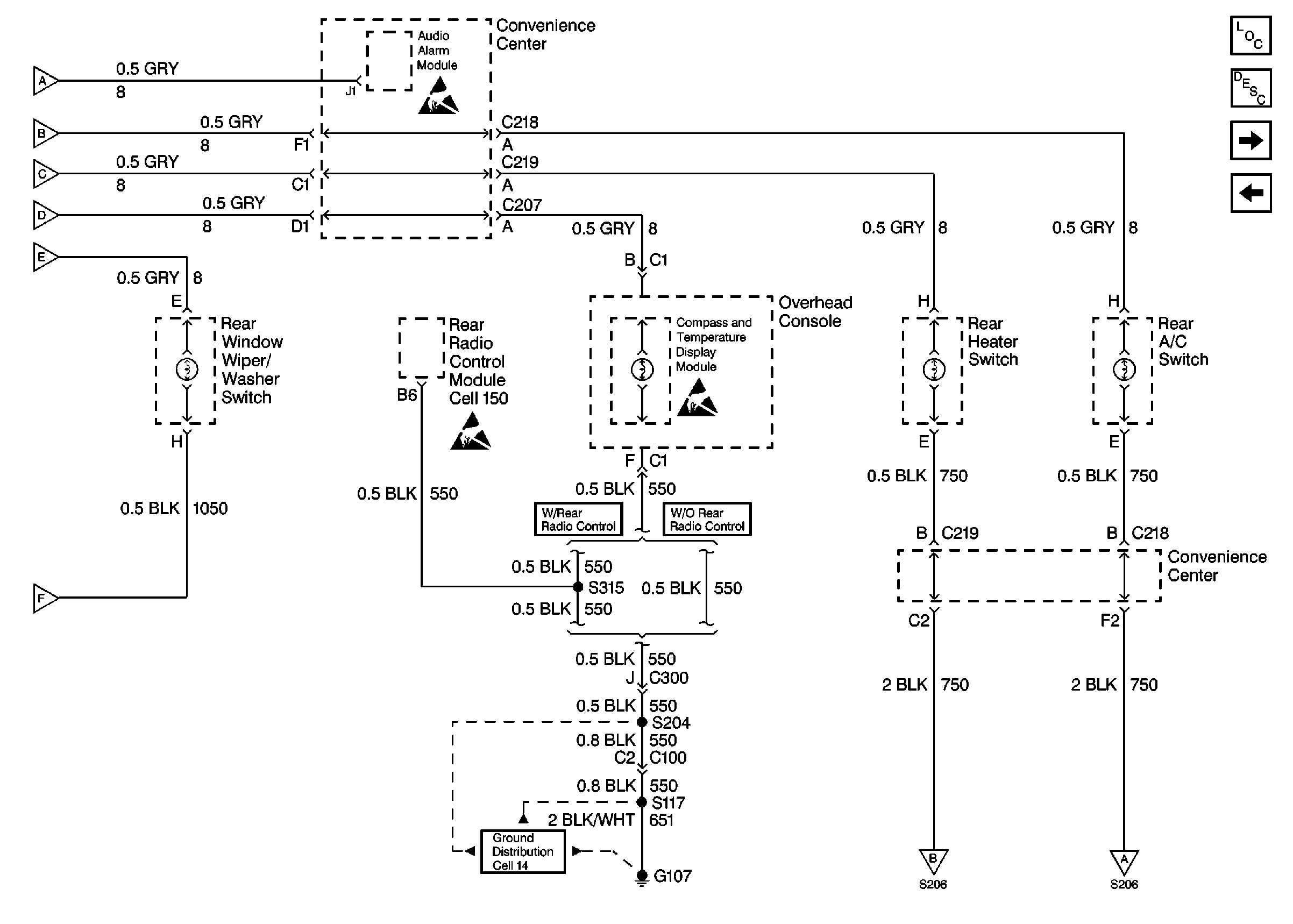
Cell 117 (Convenience Center, Rear Window Wiper/Washer Switch, Rear A/C Switch)
Handling ESD Sensitive Parts Notice
Cell 117 (Convenience Center, Rear Window Wiper/Washer Switch, Rear A/C Switch)
Cell 117 (Convenience Center, Rear Window Wiper/Washer Switch, Rear A/C Switch)
Figure
2:
Cell 117 (Convenience Center, Rear Window Wiper/Washer Switch, Rear A/C Switch)
Power and Grounding Components
Interior Lights Dimming Circuit Description
Cell 117 (IP Fuse Block, Headlamp and Panel Dimmer Switch, Convenience Center, Overhead Console, Rear Radio Control Module)
Cell 117 (Headlamp and Panel Dimmer Switch, Remote CD/Cassette Tape PlayeR)
Handling ESD Sensitive Parts Notice
Cell 117 (Headlamp and Panel Dimmer Switch, Remote CD/Cassette Tape PlayeR)
Handling ESD Sensitive Parts Notice
Handling ESD Sensitive Parts Notice
Ground Distribution Schematics
Cell 117 (Headlamp and Panel Dimmer Switch, Remote CD/Cassette Tape PlayeR)
Figure
3:
Cell 117 (IP Fuse Block, Headlamp and Panel Dimmer Switch, Convenience Center, Overhead Console, Rear Radio Control Module)
Fuse Block Schematics
Ground Distribution Schematics
Ground Distribution Schematics
Ground Distribution Schematics
Power and Grounding Components
Interior Lights Dimming Circuit Description
Cell 117 (Convenience Center, Rear Window Wiper/Washer Switch, Rear A/C Switch)
Handling ESD Sensitive Parts Notice
Handling ESD Sensitive Parts Notice
Handling ESD Sensitive Parts Notice
Handling ESD Sensitive Parts Notice
Handling ESD Sensitive Parts Notice