GM Service Manual Online
For 1990-2009 cars only
Makes
🢒
Chevrolet
🢒
1998
🢒
Astro - 4WD
🢒
Body and Accessories
🢒
Doors
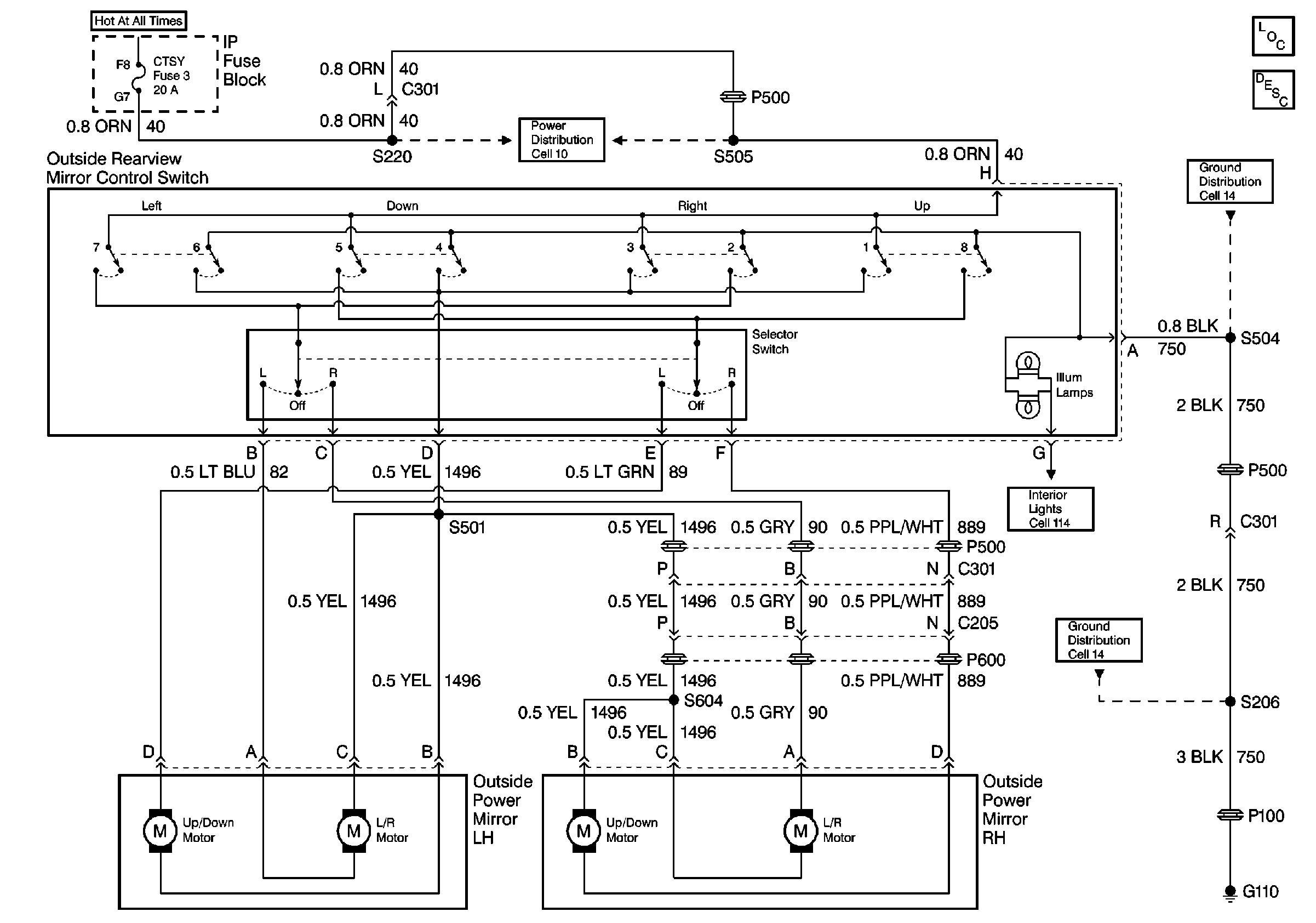
🢒 Outside Rearview Mirror Schematics
Cell 147: Power Mirrors
Fuse Block Schematics
Power Door Systems Components
Outside Mirrors Circuit Description
Ground Distribution Schematics
Interior Lights Schematics
Ground Distribution Schematics