GM Service Manual Online
For 1990-2009 cars only
Makes
🢒
Chevrolet
🢒
1998
🢒
Blazer - 4WD
🢒
Body and Accessories
🢒
Retained Accessory Power
🢒 Retained Accessory Power (RAP) Schematics
Figure
1:
Cell 15: UBEC, BBEC, and Ignition Switch
Retained Accessory Power (RAP) Component Views
Retained Accessory Power (RAP) Circuit Description
Cell 15: BBEC
Power Distribution Schematics
Power Distribution Schematics
Power Distribution Schematics
Cell 15: IP Fuse Block
Cell 15: BBEC
Cell 15: UBEC, IP Fuse Block, and Splice Pack SP200
Figure
2:
Cell 15: BBEC
Retained Accessory Power (RAP) Component Views
Retained Accessory Power (RAP) Circuit Description
Cell 15: UBEC, IP Fuse Block, and Splice Pack SP200
Cell 15: UBEC, BBEC, and Ignition Switch
Handling ESD Sensitive Parts Notice
Handling ESD Sensitive Parts Notice
Cell 15: UBEC, BBEC, and Ignition Switch
Figure
3:
Cell 15: IP Fuse Block
Retained Accessory Power (RAP) Component Views
Retained Accessory Power (RAP) Circuit Description
Cell 15: UBEC, IP Fuse Block, and Splice Pack SP200
Cell 15: BBEC
Cell 15: UBEC, BBEC, and Ignition Switch
Handling ESD Sensitive Parts Notice
Handling ESD Sensitive Parts Notice
Handling ESD Sensitive Parts Notice
Handling ESD Sensitive Parts Notice
Figure
4:
Cell 15: UBEC, IP Fuse Block, and Splice Pack SP200
Retained Accessory Power (RAP) Component Views
Retained Accessory Power (RAP) Circuit Description
Cell 15: IP Fuse Block
Cell 15: Front Door Jamb Switches
Cell 15: UBEC, BBEC, and Ignition Switch
Keyless Entry Schematics
Instrument Cluster: Analog Schematics
Power Distribution Schematics
Power Distribution Schematics
Power Distribution Schematics
Power Distribution Schematics
Power Distribution Schematics
Handling ESD Sensitive Parts Notice
Cell 15: Front Door Jamb Switches
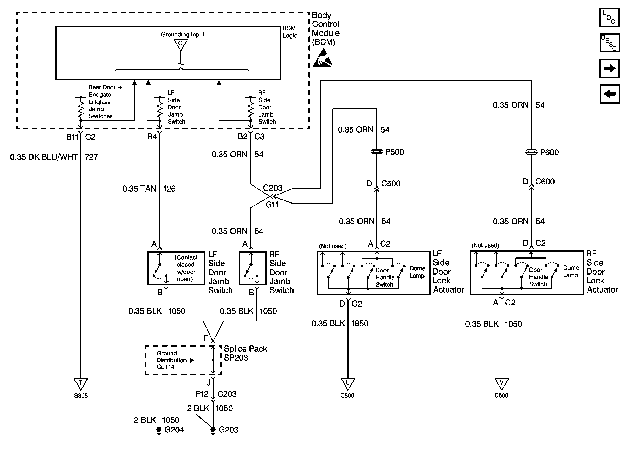
Cell 15: Front Side Door Jamb Switches, Endgate Liftglass Jamb Switch, and Front Side Door Lock Actuators
Cell 15: Front Side Door Jamb Switches, Endgate Liftglass Jamb Switch, and Front Side Door Lock Actuators
Cell 15: Front Side Door Jamb Switches, Endgate Liftglass Jamb Switch, and Front Side Door Lock Actuators
Cell 15: Front Side Door Jamb Switches and Lock Actuators
Cell 15: Front Side Door Jamb Switches and Lock Actuators
Cell 15: Front Side Door Jamb Switches and Lock Actuators
Figure
5:
Cell 15: Front Door Jamb Switches
Retained Accessory Power (RAP) Component Views
Retained Accessory Power (RAP) Circuit Description
Cell 15: Front Side Door Jamb Switches, Endgate Liftglass Jamb Switch, and Front Side Door Lock Actuators
Cell 15: UBEC, IP Fuse Block, and Splice Pack SP200
Cell 15: UBEC, IP Fuse Block, and Splice Pack SP200
Ground Distribution Schematics
Handling ESD Sensitive Parts Notice
Figure
6:
Cell 15: Front Side Door Jamb Switches, Endgate Liftglass Jamb Switch, and Front Side Door Lock Actuators
Retained Accessory Power (RAP) Component Views
Retained Accessory Power (RAP) Circuit Description
Cell 15: Front Side Door Jamb Switches, Endgate Liftglass Jamb Switch, and Front Side Door Lock Actuators
Cell 15: Front Door Jamb Switches
Handling ESD Sensitive Parts Notice
Cell 15: UBEC, IP Fuse Block, and Splice Pack SP200
Ground Distribution Schematics
Ground Distribution Schematics
Cell 15: G202, G205, and G207
Cell 15: G202, G205, and G207
Figure
7:
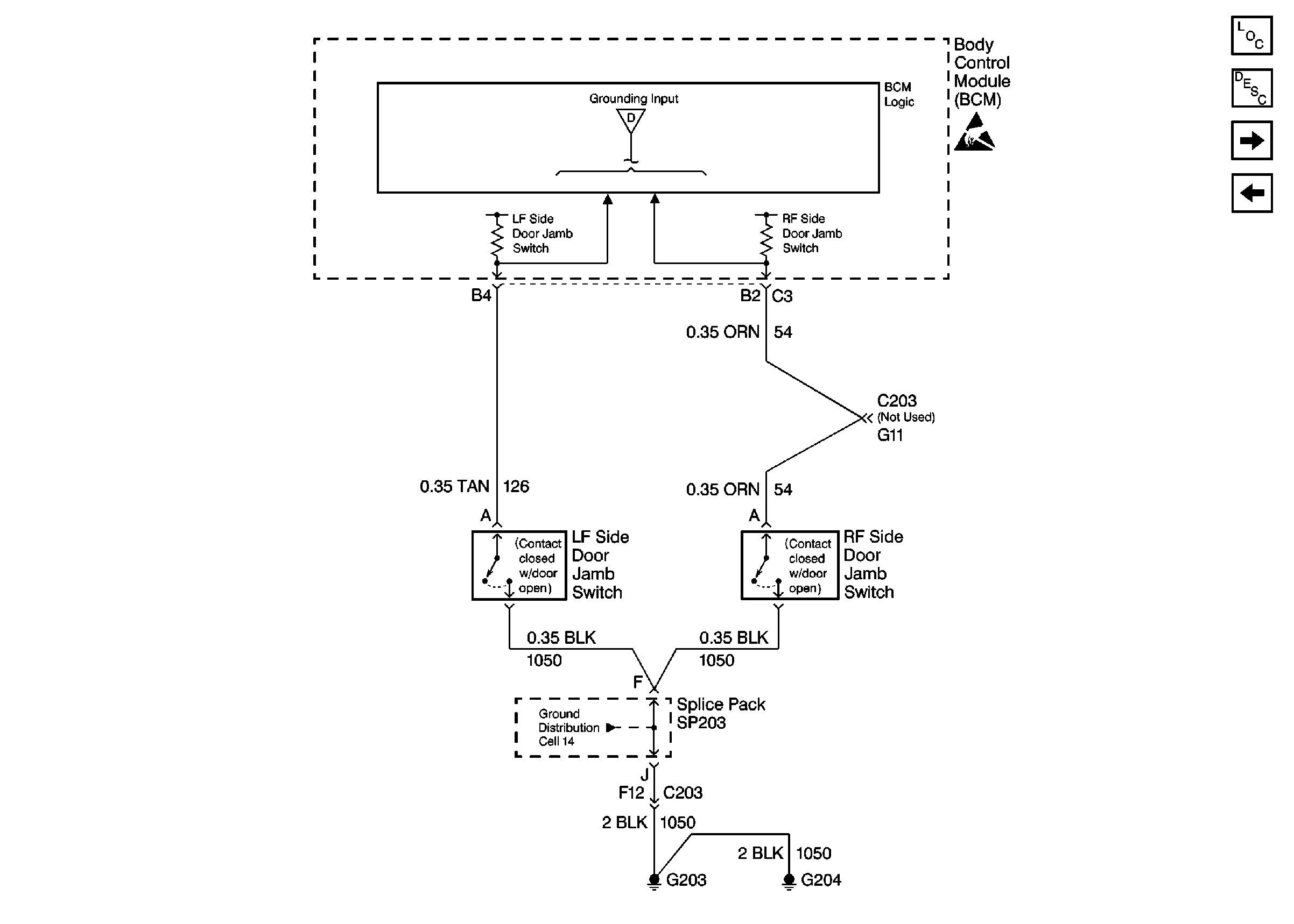
Cell 15: Front Side Door Jamb Switches, Endgate Liftglass Jamb Switch, and Front Side Door Lock Actuators
Retained Accessory Power (RAP) Component Views
Retained Accessory Power (RAP) Circuit Description
Cell 15: Front Side Door Jamb Switches and Lock Actuators
Cell 15: Front Side Door Jamb Switches, Endgate Liftglass Jamb Switch, and Front Side Door Lock Actuators
Ground Distribution Schematics
Ground Distribution Schematics
Handling ESD Sensitive Parts Notice
Cell 15: UBEC, IP Fuse Block, and Splice Pack SP200
Cell 15: G202, G205, and G207
Cell 15: G202, G205, and G207
Figure
8:
Cell 15: Front Side Door Jamb Switches and Lock Actuators
Retained Accessory Power (RAP) Component Views
Retained Accessory Power (RAP) Circuit Description
Cell 15: Front Side Door Jamb Switches and Lock Actuators
Cell 15: Front Side Door Jamb Switches, Endgate Liftglass Jamb Switch, and Front Side Door Lock Actuators
Handling ESD Sensitive Parts Notice
Ground Distribution Schematics
Cell 15: UBEC, IP Fuse Block, and Splice Pack SP200
Cell 15: Rear Side Door and Endgate Liftglass Jamb Switches
Cell 15: G202, G205, and G207
Cell 15: G202, G205, and G207
Figure
9:
Cell 15: Front Side Door Jamb Switches and Lock Actuators
Retained Accessory Power (RAP) Component Views
Retained Accessory Power (RAP) Circuit Description
Cell 15: Rear Side Door and Endgate Liftglass Jamb Switches
Cell 15: Front Side Door Jamb Switches and Lock Actuators
Cell 15: UBEC, IP Fuse Block, and Splice Pack SP200
Handling ESD Sensitive Parts Notice
Cell 15: Rear Side Door and Endgate Liftglass Jamb Switches
Figure
10:
Cell 15: Rear Side Door and Endgate Liftglass Jamb Switches
Retained Accessory Power (RAP) Component Views
Retained Accessory Power (RAP) Circuit Description
Cell 15: Front Side Door Jamb Switches and Lock Actuators
Cell 15: Front Side Door Jamb Switches and Lock Actuators
Cell 15: Front Side Door Jamb Switches and Lock Actuators
Ground Distribution Schematics
Figure
11:
Cell 15: Front Side Door Jamb Switches and Lock Actuators
Retained Accessory Power (RAP) Component Views
Retained Accessory Power (RAP) Circuit Description
Cell 15: Rear Side Door Jamb Switches, Liftgate Liftglass Jamb Switch, and Liftgate Liftglass Ajar Switch
Cell 15: Rear Side Door and Endgate Liftglass Jamb Switches
Cell 15: UBEC, IP Fuse Block, and Splice Pack SP200
Handling ESD Sensitive Parts Notice
Ground Distribution Schematics
Ground Distribution Schematics
Cell 15: Rear Side Door Jamb Switches, Liftgate Liftglass Jamb Switch, and Liftgate Liftglass Ajar Switch
Cell 15: Rear Side Door Jamb Switches, Liftgate Liftglass Jamb Switch, and Liftgate Liftglass Ajar Switch
Cell 15: G202, G205, and G207
Cell 15: G202, G205, and G207
Figure
12:
Cell 15: Rear Side Door Jamb Switches, Liftgate Liftglass Jamb Switch, and Liftgate Liftglass Ajar Switch
Retained Accessory Power (RAP) Component Views
Retained Accessory Power (RAP) Circuit Description
Cell 15: G202, G205, and G207
Cell 15: Front Side Door Jamb Switches and Lock Actuators
Ground Distribution Schematics
Cell 15: Front Side Door Jamb Switches and Lock Actuators
Cell 15: Front Side Door Jamb Switches and Lock Actuators
Figure
13:
Cell 15: G202, G205, and G207
Retained Accessory Power (RAP) Component Views
Retained Accessory Power (RAP) Circuit Description
Cell 15: Rear Side Door Jamb Switches, Liftgate Liftglass Jamb Switch, and Liftgate Liftglass Ajar Switch
Ground Distribution Schematics
Ground Distribution Schematics
Ground Distribution Schematics
Ground Distribution Schematics
Ground Distribution Schematics
Cell 15: Front Side Door Jamb Switches, Endgate Liftglass Jamb Switch, and Front Side Door Lock Actuators
Cell 15: Front Side Door Jamb Switches and Lock Actuators
Cell 15: Front Side Door Jamb Switches, Endgate Liftglass Jamb Switch, and Front Side Door Lock Actuators
Cell 15: Front Side Door Jamb Switches and Lock Actuators
Cell 15: Front Side Door Jamb Switches, Endgate Liftglass Jamb Switch, and Front Side Door Lock Actuators
Cell 15: Front Side Door Jamb Switches, Endgate Liftglass Jamb Switch, and Front Side Door Lock Actuators
Cell 15: Front Side Door Jamb Switches and Lock Actuators
Cell 15: Front Side Door Jamb Switches and Lock Actuators
Cell 15: Rear Side Door Jamb Switches, Liftgate Liftglass Jamb Switch, and Liftgate Liftglass Ajar Switch
Cell 15: Front Side Door Jamb Switches and Lock Actuators