GM Service Manual Online
For 1990-2009 cars only
Figure 1:

Power and Ground


Object Number: 544017  Size: FS
Body Control Module Components
Body Control System Circuit Description
PCM/VCM, Data Link Connector (DLC) and Dimming Signal
STUD 2, ABS, TBC and RR W/W Fuses
Power and Grounding Connector End Views
ILLUM and PARK LP Fuses
Ign RUN and START Bus Bar
Ign ACC, RUN and RAP Bus Bar
Keyless Entry Schematics
ILLUM and PARK LP Fuses
TURN, SIR and GAUGES Fuses
HVAC and CRUISE Fuses
HVAC and CRUISE Fuses
G200, G201 and G207 (Pickup)
Body Control System Connector End Views
Handling ESD Sensitive Parts Notice
Figure 2:

PCM/VCM, Data Link Connector (DLC) and Dimming Signal


Object Number: 544019  Size: FS
Body Control Module Components
Body Control System Circuit Description
Automatic Transmission Preference Switch
Power and Ground
Powertrain Control Module Connector End Views
Handling ESD Sensitive Parts Notice
VCM Connector End Views
Handling ESD Sensitive Parts Notice
SP201 (2.2L)
Body Control System Connector End Views
Handling ESD Sensitive Parts Notice
Horns
Transfer Case Control Connector End Views
Entertainment Connector End Views
Handling ESD Sensitive Parts Notice
Figure 3:

Automatic Transmission Preference Switch


Object Number: 544021  Size: FS
Body Control Module Components
Body Control System Circuit Description
Horns
PCM/VCM, Data Link Connector (DLC) and Dimming Signal
Power and Grounding Connector End Views
Handling ESD Sensitive Parts Notice
Instrument Cluster and BCM
G205 and G208 (Envoy)
G200, G201 and G207 (Pickup)
G200, G201 and G207 (Pickup)
Park/Neutral Position and Backup Lamp Switch, and Automatic Transmission Controller (Utility w/ Floor Shift)
PCM/VCM, Data Link Connector (DLC) and Dimming Signal
Handling ESD Sensitive Parts Notice
Driver Information Systems Connector End Views
Handling ESD Sensitive Parts Notice
Figure 4:

Horns


Object Number: 544022  Size: FS
Body Control Module Components
Body Control System Circuit Description
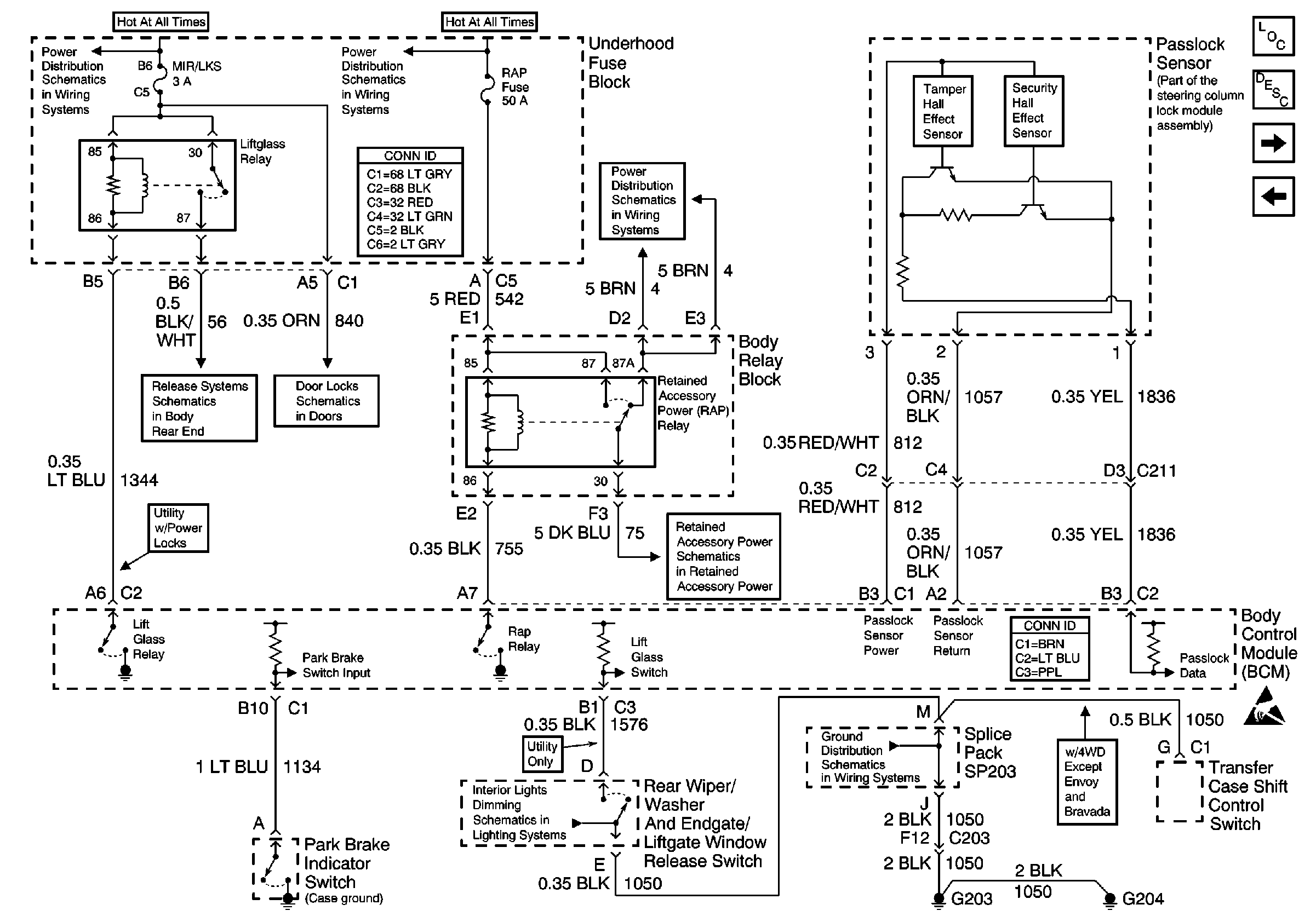
Passlock ™ Sensor, Liftglass Relay and RAP Relay
Automatic Transmission Preference Switch
Secondary AIR Pump Control
Secondary AIR Pump Control
Power and Grounding Connector End Views
Body Control System Connector End Views
G109, G111, G112 and G113 (Except Export)
G109, G111, G112 and G113 (Except Export)
Figure 5:

Passlockā„¢ Sensor, Liftglass Relay and RAP Relay


Object Number: 544023  Size: FS
Body Control Module Components
Body Control System Circuit Description
Seat Belt Switch, Headlamp Ambient Light Sensor and PCM/VCM
Horns
B+ Bus Bar
B+ Bus Bar
Power and Grounding Connector End Views
Ign ACC, RUN and RAP Bus Bar
Output
Door Lock Switch Inputs
RAP Relay and Ignition and Start Switch
ILLUM Fuse 12
Body Control System Connector End Views
G203 and G204 (Pickup)
Handling ESD Sensitive Parts Notice
Figure 6:

Seat Belt Switch, Headlamp Ambient Light Sensor and PCM/VCM


Object Number: 544024  Size: FS
Body Control Module Components
Body Control System Circuit Description
Power Door Lock Relays, Remote Control Door Lock Receiver
Passlock ™ Sensor, Liftglass Relay and RAP Relay
Body Control System Connector End Views
Handling ESD Sensitive Parts Notice
w/o Trip Computer
Cruise Control Module and PCM/VCM
VCM Connector End Views
G200, G201, G203, G204, Park Position Switch and PCM/VCM
Handling ESD Sensitive Parts Notice
Powertrain Control Module Connector End Views
Handling ESD Sensitive Parts Notice
Cruise Control Module and PCM/VCM
Power and Ground (Chevy/GMC)
6-Way LH Power Seat
G420 and G450 (Utility w/ Endgate)
G200, G201, G203, G204, Park Position Switch and PCM/VCM
G200, G201 and G207 (Pickup)
Figure 7:

Power Door Lock Relays, Remote Control Door Lock Receiver


Object Number: 544026  Size: FS
Body Control Module Components
Body Control System Circuit Description
Rear Jamb Switches, Ignition Key Alarm Switch
Seat Belt Switch, Headlamp Ambient Light Sensor and PCM/VCM
Body Control System Connector End Views
Handling ESD Sensitive Parts Notice
G200, G201 and G207 (Pickup)
Relay Control
INT BATT Fuse
Relay Control
Relay Control
G200, G201 and G207 (Pickup)
Figure 8:

Rear Jamb Switches, Ignition Key Alarm Switch


Object Number: 545860  Size: FS
Body Control Module Components
Body Control System Circuit Description
Front Jamb Switches and Door Handle Switch
Power Door Lock Relays, Remote Control Door Lock Receiver
Body Control System Connector End Views
Handling ESD Sensitive Parts Notice
Front Jamb Switches and Door Handle Switch
G420 and G450 (Utility w/ Endgate)
G200, G201 and G207 (Envoy)
G200, G201 and G207 (Utility)
Figure 9:

Front Jamb Switches and Door Handle Switch


Object Number: 545862  Size: FS
Body Control Module Components
Body Control System Circuit Description
Interior Lights and Dome Lamps
Rear Jamb Switches, Ignition Key Alarm Switch
Body Control System Connector End Views
Handling ESD Sensitive Parts Notice
G203 and G204 (Pickup)
2000 S/T Headlight Leveling
Rear Jamb Switches, Ignition Key Alarm Switch
G205 and G206 (Utility)
G202 (Pickup)
High Mount Stop Lamp, Multifunction Switch (Turn Signal Switch) and Turn Signal Lamp Flasher
G205 and G206 (Utility)
Power and Ground
Figure 10:

Interior Lights and Dome Lamps


Object Number: 544033  Size: FS
Body Control Module Components
Body Control System Circuit Description
Turn Signals
Front Jamb Switches and Door Handle Switch
Headlamps (Except Envoy)
Headlamps, Low Beam and DRL Relay (Envoy)
Park and Turn Signal Lamps, Marker and License Lamps, Rear (Pickup)
G203 and G204 (Pickup)
Headlamp Switch
Inadvertent Power Relay
Inadvertent Power Lamp Relay
Inadvertent Power Relay
CTSY LP Fuse and Courtesy Lamp Relay
G200, G201 and G207 (Pickup)
Body Control System Connector End Views
Figure 11:

Turn Signals


Object Number: 544035  Size: FS
Body Control Module Components
Body Control System Circuit Description
Headlamps (Except Envoy)
Interior Lights and Dome Lamps
Body Control System Connector End Views
Handling ESD Sensitive Parts Notice
Handling ESD Sensitive Parts Notice
G203 and G204 (Pickup)
Turn Signal Lamps, Front and Turn Signal Fuses, Rear
Figure 12:

Headlamps (Except Envoy)


Object Number: 544037  Size: FS
Body Control Module Components
Body Control System Circuit Description
Headlamps, High Beam (Envoy)
Turn Signals
G102 (Except Export)
B+ Bus Bar
Power and Grounding Connector End Views
Flash-To-Pass Switch, DRL Relay (ZR2) and BCM
ILLUM and PARK LP Fuses
G200, G201 and G207 (Pickup)
Flash-To-Pass Switch, DRL Relay (ZR2) and BCM
Flash-To-Pass Switch, DRL Relay (ZR2) and BCM
Interior Lights and Dome Lamps
Body Control System Connector End Views
Handling ESD Sensitive Parts Notice
Figure 13:

Headlamps, High Beam (Envoy)


Object Number: 544039  Size: FS
Body Control Module Components
Body Control System Circuit Description
Headlamps, Low Beam and DRL Relay (Envoy)
Headlamps (Except Envoy)
B+ Bus Bar
Power and Grounding Connector End Views
G200, G201 and G207 (Envoy)
G200, G201 and G207 (Envoy)
Body Control System Connector End Views
Handling ESD Sensitive Parts Notice
Headlamps, Low Beam and DRL Relay (Envoy)
Figure 14:

Headlamps, Low Beam and DRL Relay (Envoy)


Object Number: 544040  Size: FS
Body Control Module Components
Body Control System Circuit Description
Fog Lamps and Park Lamp Relay
Headlamps, High Beam (Envoy)
Headlamps, High Beam (Envoy)
B+ Bus Bar
Ign RUN and START Bus Bar
G102 (Except Export)
Power and Grounding Connector End Views
G109, G111, G112 and G113 (Except Export)
G102 (Except Export)
Interior Lights and Dome Lamps
Body Control System Connector End Views
Handling ESD Sensitive Parts Notice
High-Voltage Caution
High-Voltage Caution
Figure 15:

Fog Lamps and Park Lamp Relay


Object Number: 544041  Size: FS
Body Control Module Components
Body Control System Circuit Description
Headlamps, Low Beam and DRL Relay (Envoy)
Power and Grounding Connector End Views
B+ Bus Bar
B+ Bus Bar
Power and Grounding Connector End Views
ILLUM and PARK LP Fuses
Front Fog Lamps
ILLUM and PARK LP Fuses
ILLUM Fuse 12
Body Control System Connector End Views
2000 S/T Headlight Leveling
G203 and G204 (Pickup)