GM Service Manual Online
For 1990-2009 cars only
Makes
🢒
Chevrolet
🢒
2000
🢒
Blazer - 4WD
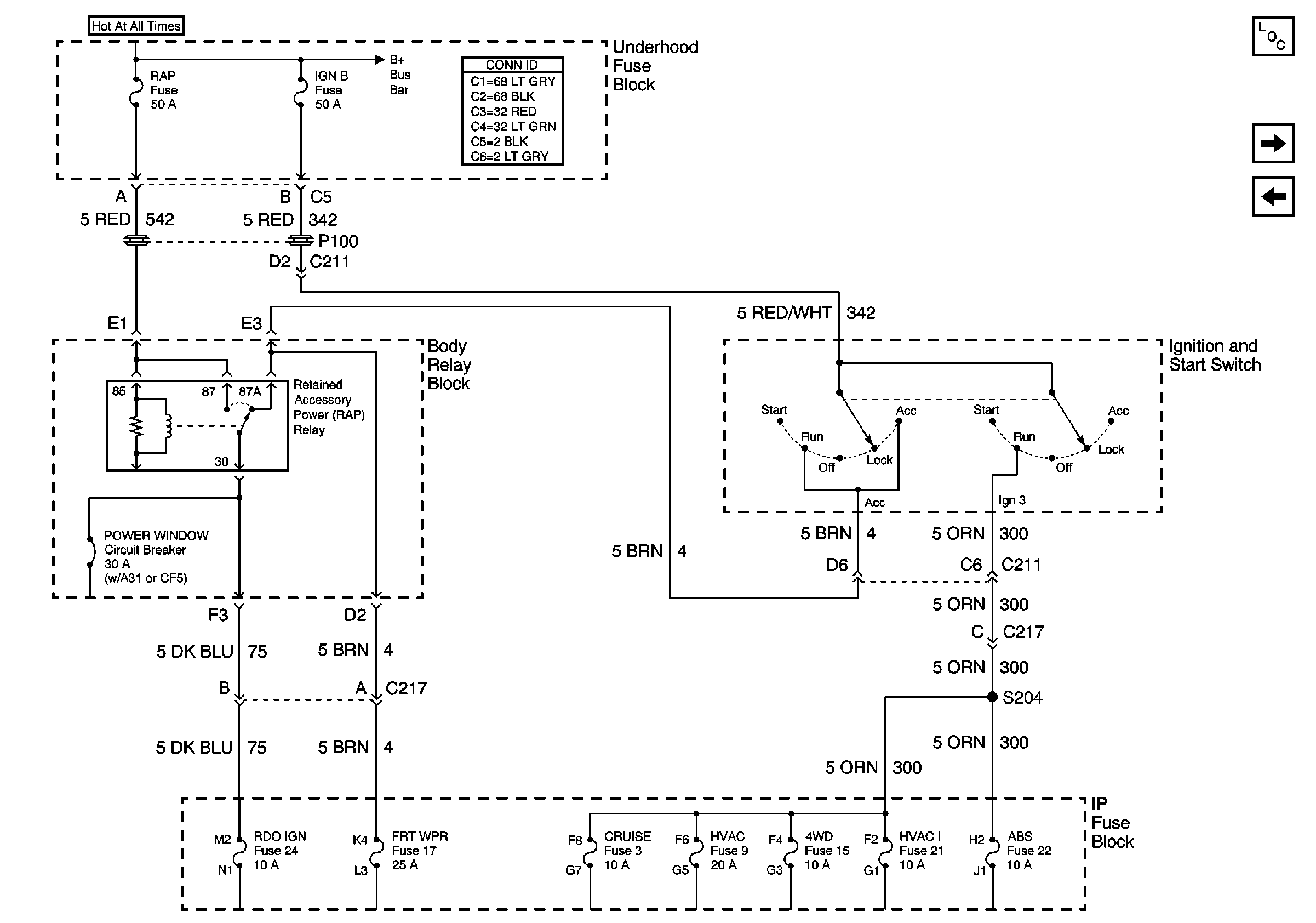
🢒 RAP, IGN B Fuses and Ignition Switch
RAP, IGN B Fuses and Ignition Switch
RAP, IGN B Fuses and Ignition Switch
Power and Grounding Components
STOP LP, HAZ LP, TURN Fuses and Turn and Hazard Switch
IGN C, IGN A Fuses and Ignition and Start Switch
B+ Bus Bar
Power and Grounding Connector End Views