GM Service Manual Online
For 1990-2009 cars only

HVAC Schematics Blower Controls - Primary


Object Number: 663187  Size: FS
Master Electrical Component List
Air Delivery Description and Operation
Power Distribution Schematics
Power Distribution Schematics
Power Distribution Schematics
Power Distribution Schematics
Ground Distribution Schematics
Data Link Connector Schematics
Auxiliary Blower Controls - w/o Sunroof (Tahoe/Yukon)
Auxiliary Blower Controls - w/o Sunroof (Suburban/Yukon XL)

HVAC Schematics Compressor Controls - All Models


Object Number: 663082  Size: FS
Master Electrical Component List
Air Temperature Description and Operation
Handling ESD Sensitive Parts Notice
Power Distribution Schematics
Power Distribution Schematics
Ground Distribution Schematics
Ground Distribution Schematics

HVAC Schematics Air Delivery Controls - Primary

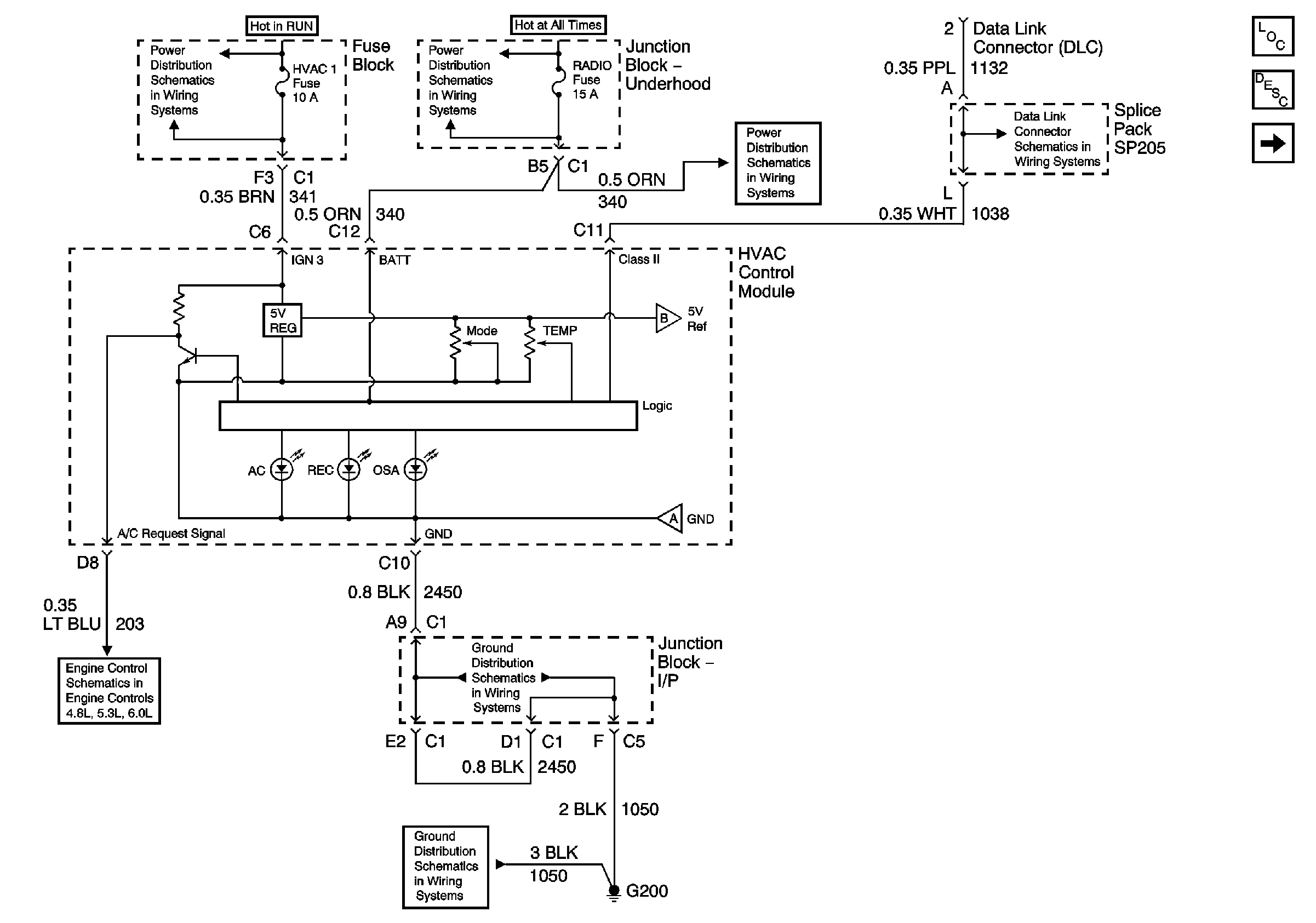
Figure 1:

HVAC Control Module Power, Ground, and Serial Data


Object Number: 663211  Size: FS
Master Electrical Component List
Air Delivery Description and Operation
Actuators
Power Distribution Schematics
Power Distribution Schematics
Data Link Connector Schematics
Power Distribution Schematics
Actuators
Actuators
Ground Distribution Schematics
Engine Controls Schematics
Ground Distribution Schematics
Figure 2:

Actuators


Object Number: 663215  Size: FS
Master Electrical Component List
Air Delivery Description and Operation
Sensors
HVAC Control Module Power, Ground, and Serial Data
Power Distribution Schematics
HVAC Control Module Power, Ground, and Serial Data
HVAC Control Module Power, Ground, and Serial Data
Figure 3:

Sensors


Object Number: 663220  Size: FS
Master Electrical Component List
Air Delivery Description and Operation
Automatic Auxiliary Device Controls - w/o Sunroof (Suburban/Yukon XL)
Actuators
Power Distribution Schematics
Power Distribution Schematics
Power Distribution Schematics
Ground Distribution Schematics
Ground Distribution Schematics

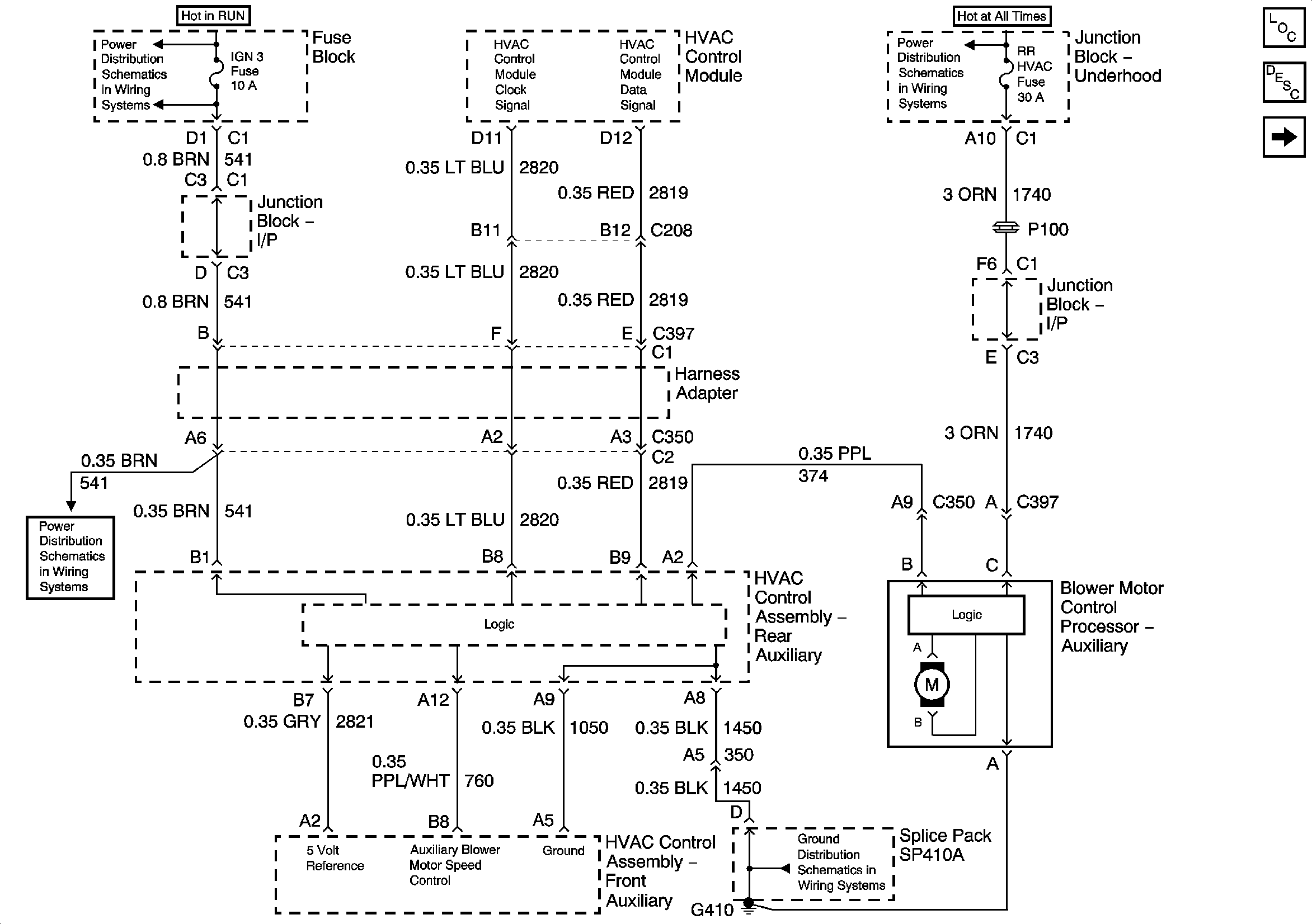
HVAC Schematics Blower Controls - Auxiliary

Figure 1:

w/o Sunroof (Tahoe/Yukon)


Object Number: 669302  Size: FS
Master Electrical Component List
Air Delivery Description and Operation
Auxiliary Blower Controls - w/o Sunroof (Suburban/Yukon XL)
Power Distribution Schematics
Power Distribution Schematics
Power Distribution Schematics
Ground Distribution Schematics
Figure 2:

w/o Sunroof (Suburban/Yukon XL)


Object Number: 663189  Size: FS
Master Electrical Component List
Air Delivery Description and Operation
Auxiliary Blower Controls w/Sunroof (w/Heat or A/C only)
Auxiliary Blower Controls - w/o Sunroof (Tahoe/Yukon)
Power Distribution Schematics
Power Distribution Schematics
Power Distribution Schematics
Power Distribution Schematics
Figure 3:

w/Sunroof (w/Heat or A/C only)


Object Number: 663066  Size: FS
Master Electrical Component List
Air Delivery Description and Operation
Auxiliary Blower Controls w/Sunroof (w/ Heat and A/C)
Auxiliary Blower Controls - w/o Sunroof (Suburban/Yukon XL)
Interior Lights Dimming Schematics Utilities
Power Distribution Schematics
Power Distribution Schematics
Power Distribution Schematics
Figure 4:

w/Sunroof (w/Heat and A/C)


Object Number: 663056  Size: FS
Master Electrical Component List
Air Delivery Description and Operation
Auxiliary Blower Controls w/Sunroof (w/Heat or A/C only)
Power Distribution Schematics
Power Distribution Schematics
Power Distribution Schematics
Ground Distribution Schematics
Ground Distribution Schematics

HVAC Schematics Air Delivery Controls - Auxiliary

Figure 1:

Automatic Auxiliary Device Controls -- w/o Sunroof (Tahoe/Yukon)


Object Number: 663230  Size: FS
Master Electrical Component List
Air Delivery Description and Operation
Automatic Auxiliary Sensors and Actuators- w/o Sunroof (Tahoe/Yukon)
Automatic Auxiliary Sensors and Actuators- w/o Sunroof (Suburban/Yukon XL)
Power Distribution Schematics
Power Distribution Schematics
Automatic Auxiliary Sensors and Actuators- w/o Sunroof (Tahoe/Yukon)
Ground Distribution Schematics
Interior Lights Dimming Schematics Pick Up
Figure 2:

Automatic Auxiliary Sensors and Actuators-- w/o Sunroof (Tahoe/Yukon)


Object Number: 663234  Size: FS
Master Electrical Component List
Air Delivery Description and Operation
Automatic Auxiliary Device Controls - w/o Sunroof (Tahoe/Yukon)
Automatic Auxiliary Device Controls - w/o Sunroof (Tahoe/Yukon)
HVAC Schematics Air Delivery Controls - Primary
Figure 3:

Automatic Auxiliary Device Controls -- w/o Sunroof (Suburban/Yukon XL)


Object Number: 663223  Size: FS
Master Electrical Component List
Air Delivery Description and Operation
Automatic Auxiliary Sensors and Actuators- w/o Sunroof (Suburban/Yukon XL)
Automatic Auxiliary Sensors and Actuators- w/o Sunroof (Suburban/Yukon XL)
Interior Lights Dimming Schematics Pick Up
Power Distribution Schematics
Power Distribution Schematics
Automatic Auxiliary Sensors and Actuators- w/o Sunroof (Suburban/Yukon XL)
Ground Distribution Schematics
Figure 4:

Automatic Auxiliary Sensors and Actuators-- w/o Sunroof (Suburban/Yukon XL)


Object Number: 663226  Size: FS
Master Electrical Component List
Air Delivery Description and Operation
Automatic Auxiliary Device Controls - w/o Sunroof (Tahoe/Yukon)
Automatic Auxiliary Device Controls - w/o Sunroof (Suburban/Yukon XL)
Automatic Auxiliary Device Controls - w/o Sunroof (Suburban/Yukon XL)
HVAC Schematics Blower Controls - Primary
Figure 5:

Manual Auxiliary Air Delivery Controls w/Sunroof and Automatic Primary Controls


Object Number: 772914  Size: FS