GM Service Manual Online
For 1990-2009 cars only

Engine Controls Schematics Electronic FI

Figure 1:

Cell 23: PCM Power and Grounding, MIL, and DLC


Object Number: 506228  Size: FS
Engine Controls Components L57 EFI
Powertrain Control Module Description
Cell 23: Glowplug Control (California)
OBD II Symbol Description Notice
Cell 81(3 of 4)
Cell 11: GAUGES fuse
Cell 10: Ignition Switch and Fuse Block
Handling ESD Sensitive Parts Notice
Cell 10: Fuse Block and Headlamp Switch
Cell 11: ECM-BAT and ENG-BAT fuses
Handling ESD Sensitive Parts Notice
Cell 44: P32 Gas, ABS Power and Grounding, DLC Output
Cell 14: G200
Cell 14: S110 [L31/L35]
Cell 14: G105, G106, G110, G400, and G401
Figure 2:

Cell 23: Glowplug Control (California)


Object Number: 506295  Size: FS
Engine Controls Components L57 EFI
Glow Plug System Description EFI
Cell 23: Ignition System - CKP, Timing Stepper Motor
Cell 23: PCM Power and Grounding, MIL, and DLC
OBD II Symbol Description Notice
Cell 10: Battery, Starter, and Junction Block
Cell 10: Ignition Switch and Fuse Block
Cell 11: ECM-I fuse [L57]
Cell 14: G102 [Diesel L57]
Cell 11: GAUGES fuse
Cell 81(3 of 4)
Handling ESD Sensitive Parts Notice
Handling ESD Sensitive Parts Notice
Cell 14: G102 [Diesel L57]
Figure 3:

Cell 23: Glowplug Controls 2 -- Federal Emissions


Object Number: 506299  Size: FS
Engine Controls Components L57 EFI
Glow Plug System Description EFI
Cell 23: Ignition System - CKP, Timing Stepper Motor
Cell 23: Glowplug Control (California)
OBD II Symbol Description Notice
Cell 81(3 of 4)
Cell 11: GAUGES fuse
Cell 10: Ignition Switch and Fuse Block
Cell 11: ECM-I fuse [L57]
Cell 10: Battery, Starter, and Junction Block
Handling ESD Sensitive Parts Notice
Cell 14: G102 [Diesel L57]
Handling ESD Sensitive Parts Notice
Figure 4:

Cell 23: Ignition System -- CKP, Timing Stepper Motor


Object Number: 506308  Size: FS
Engine Controls Components L57 EFI
Fuel System Description EFI
Cell 23: Fuel Controls 1 - Fuel Lift Pump and Relay
Cell 23: Glowplug Controls 2 - Federal Emissions
OBD II Symbol Description Notice
Handling ESD Sensitive Parts Notice
Figure 5:

Cell 23: Fuel Controls 1 -- Fuel Lift Pump and Relay


Object Number: 506314  Size: FS
Engine Controls Components L57 EFI
Fuel Supply Component Description EFI/MFI
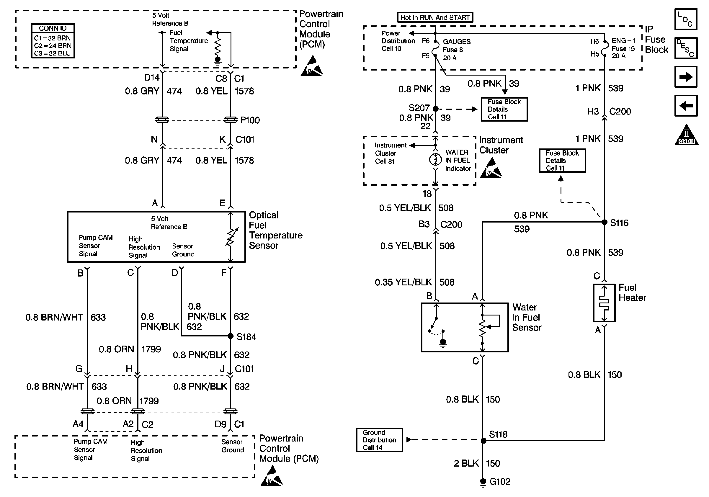
Cell 23: Fuel Controls 2 - Fuel Heater, Temp. Sensor, Water In Fuel Sensor
Cell 23: Ignition System - CKP, Timing Stepper Motor
OBD II Symbol Description Notice
Cell 10: Fuse Block and Headlamp Switch
Cell 11: I-3, TURN-B/U, and HTR fuses, AUX CKT BRKR 13
Handling ESD Sensitive Parts Notice
Cell 14: G102 [Diesel L57]
Figure 6:

Cell 23: Fuel Controls 2 -- Fuel Heater, Temp. Sensor, Water in Fuel Sensor


Object Number: 506317  Size: FS
Engine Controls Components L57 EFI
Fuel Supply Component Description EFI/MFI
Cell 23: Fuel Controls 3 - Engine Shutoff Solenoid, Fuel Solenoid Driver
Cell 23: Fuel Controls 1 - Fuel Lift Pump and Relay
OBD II Symbol Description Notice
Handling ESD Sensitive Parts Notice
Cell 10: Ignition Switch and Fuse Block
Cell 81(3 of 4)
Handling ESD Sensitive Parts Notice
Cell 11: GAUGES fuse
Cell 11: ECM-I fuse [L57]
Cell 14: G102 [Diesel L57]
Handling ESD Sensitive Parts Notice
Figure 7:

Cell 23: Fuel Controls 3 -- Engine Shutoff Solenoid, Fuel Solenoid Driver


Object Number: 506333  Size: FS
Engine Controls Components L57 EFI
Fuel System Description EFI
Cell 23: Engine Data Sensors 1 - ECT, IAT, MAP
Cell 23: Fuel Controls 2 - Fuel Heater, Temp. Sensor, Water In Fuel Sensor
OBD II Symbol Description Notice
Cell 10: Ignition Switch and Fuse Block
Cell 11: INSTR LPS, TRANS, and ENG-I fuses
Handling ESD Sensitive Parts Notice
Figure 8:

Cell 23: Engine Data Sensors 1 -- ECT, IAT, MAP


Object Number: 506346  Size: FS
Engine Controls Components L57 EFI
Cell 23: Engine Data Sensors 2 - VSS/TOSS Circuit Complete
Cell 23: Fuel Controls 3 - Engine Shutoff Solenoid, Fuel Solenoid Driver
OBD II Symbol Description Notice
Cell 23: Ignition System - CKP, Timing Stepper Motor
Cell 23: A/T Controls 2 - TR, TFT, TISS, PC Solenoid
Handling ESD Sensitive Parts Notice
Figure 9:

Cell 23: Engine Data Sensors 2 -- VSS/TOSS Circuit Complete


Object Number: 506362  Size: FS
Engine Controls Components L57 EFI
Information Sensors/Switches Description EFI
Cell 23: Accelerator Pedal Position Sensor
Cell 23: Engine Data Sensors 1 - ECT, IAT, MAP
OBD II Symbol Description Notice
Cell 11: ECM-I fuse [L57]
Cell 10: Ignition Switch and Fuse Block
Cell 81(3 of 4)
Handling ESD Sensitive Parts Notice
Handling ESD Sensitive Parts Notice
Handling ESD Sensitive Parts Notice
Cell 14: G108 [L57]
Figure 10:

Cell 23: Accelerator Pedal Position Sensor


Object Number: 506366  Size: FS
Engine Controls Components L57 EFI
Accelerator Pedal Position Module Description EFI
Cell 23: A/T Controls 1 - Stoplamp/TCC Switch, Internal Solenoids
Cell 23: Engine Data Sensors 2 - VSS/TOSS Circuit Complete
OBD II Symbol Description Notice
Handling ESD Sensitive Parts Notice
Handling ESD Sensitive Parts Notice
Figure 11:

Cell 23: A/T Controls 1 -- Stoplamp/TCC Switch, Internal Solenoids


Object Number: 506371  Size: FS
Engine Controls Components L57 EFI
Electronic Component Description
Cell 23: A/T Controls 2 - TR, TFT, TISS, PC Solenoid
Cell 23: Accelerator Pedal Position Sensor
OBD II Symbol Description Notice
Cell 44: P32 Gas, ABS Power and Grounding, DLC Output
Cell 10: Ignition Switch and Fuse Block
Cell 10: Ignition Switch and Fuse Block
Handling ESD Sensitive Parts Notice
Cell 138: P42 BTSI Circuit
Figure 12:

Cell 23: A/T Controls 2 -- TR, TFT, TISS, PC Solenoid


Object Number: 506381  Size: FS
Engine Controls Components L57 EFI
Electronic Component Description
Cell 23: Air Conditioning Controls
Cell 23: A/T Controls 1 - Stoplamp/TCC Switch, Internal Solenoids
OBD II Symbol Description Notice
Handling ESD Sensitive Parts Notice
Handling ESD Sensitive Parts Notice
Figure 13:

Cell 23: Air Conditioning Controls


Object Number: 506391  Size: FS
Engine Controls Components L57 EFI
Relays and Sensors Description
Cell 23: A/T Controls 2 - TR, TFT, TISS, PC Solenoid
OBD II Symbol Description Notice
Cell 11: ECM-BAT and ENG-BAT fuses
Cell 10: Fuse Block and Headlamp Switch
Cell 10: Ignition Switch and Fuse Block
Cell 11: GAUGES fuse
Handling ESD Sensitive Parts Notice
Cell 14: G200
Cell 14: S110 [L31/L35]

Engine Controls Schematics Mechanical FI

Figure 1:

Cell 22: Glowplug Control


Object Number: 506412  Size: FS
Engine Controls Components L57 MFI
Glow Plug System Description MFI
Cell 22: Fuel Controls 1 - Fuel Pump Control
Cell 11: GAUGES fuse
Cell 11: INSTR LPS, TRANS, and ENG-I fuses
Cell 14: S110 [L57]
Cell 14: G200
Cell 14: G102 [Diesel L57]
Starting System
Cell 22: Fuel Controls 2 - Fuel Heater, Water Sensor, Cold Advance
Figure 2:

Cell 22: Fuel Controls 1 -- Fuel Pump Control


Object Number: 506420  Size: FS
Engine Controls Components L57 MFI
Cell 22: Fuel Controls 2 - Fuel Heater, Water Sensor, Cold Advance
Cell 22: Glowplug Control
Cell 11: ECM-I fuse [L57]
Cell 14: G108 [L57]
Cell 14: G102 [Diesel L57]
Cell 22:A/T Controls 1 - Power and Grounding, DLC
Figure 3:

Cell 22: Fuel Controls 2 -- Fuel Heater, Water Sensor, Cold Advance


Object Number: 506428  Size: FS
Engine Controls Components L57 MFI
Cell 22: VSS Circuit
Cell 22: Fuel Controls 1 - Fuel Pump Control
Cell 11: GAUGES fuse
Cell 11: INSTR LPS, TRANS, and ENG-I fuses
Cell 14: G102 [Diesel L57]
Starting System
Figure 4:

Cell 22: VSS Circuit


Object Number: 506439  Size: FS
Engine Controls Components L57 MFI
Cell 22:A/T Controls 1 - Power and Grounding, DLC
Cell 22: Fuel Controls 2 - Fuel Heater, Water Sensor, Cold Advance
Cell 11: ECM-I fuse [L57]
Handling ESD Sensitive Parts Notice
Handling ESD Sensitive Parts Notice
Handling ESD Sensitive Parts Notice
Cell 14: G108 [L57]
Figure 5:

Cell 22:A/T Controls 1 -- Power and Grounding, DLC


Object Number: 506450  Size: FS
Engine Controls Components L57 MFI
Cell 22: A/T Controls 2 - Transmission Data Sensors
Cell 22: VSS Circuit
Cell 11: ECM-I fuse [L57]
Cell 22: Fuel Controls 1 - Fuel Pump Control
Handling ESD Sensitive Parts Notice
Handling ESD Sensitive Parts Notice
Cell 14: G108 [L57]
Figure 6:

Cell 22: A/T Controls 2 -- Transmission Data Sensors


Object Number: 506470  Size: FS
Engine Controls Components L57 MFI
Cell 22:A/T Controls 3 - Internal Solenoids and Stoplamp Switch
Cell 22:A/T Controls 1 - Power and Grounding, DLC
Handling ESD Sensitive Parts Notice
Handling ESD Sensitive Parts Notice
Figure 7:

Cell 22:A/T Controls 3 -- Internal Solenoids and Stoplamp Switch


Object Number: 506480  Size: FS
Engine Controls Components L57 MFI
Cell 22: PCM Power and Grounding, MIL and Service Throttle Indicators, and DLC
Cell 22: A/T Controls 2 - Transmission Data Sensors
Cell 11: I-3, TURN-B/U, and HTR fuses, AUX CKT BRKR 13
Cell 44: P32 Gas, ABS Power and Grounding, DLC Output
Cell 138: P42 BTSI Circuit
Handling ESD Sensitive Parts Notice
Figure 8:

Cell 22:A/T Controls 4 -- TR, TFT, TISS, and PC Solenoid Valve


Object Number: 506488  Size: FS
Engine Controls Components L57 MFI
Cell 22:A/T Controls 3 - Internal Solenoids and Stoplamp Switch
Handling ESD Sensitive Parts Notice
Handling ESD Sensitive Parts Notice