GM Service Manual Online
For 1990-2009 cars only
Makes
🢒
Chevrolet
🢒
1998
🢒
Chevy P42 Commercial Chassis
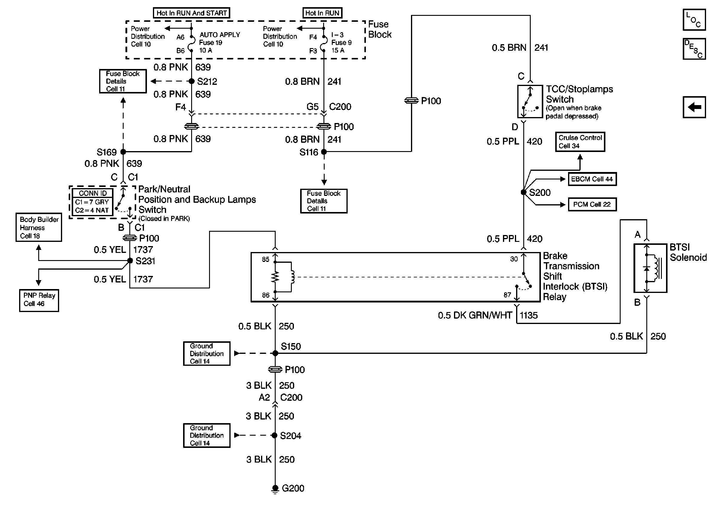
🢒 Cell 138: P32 BTSI Circuit
Cell 138: P32 BTSI Circuit
Cell 138: P32 BTSI Circuit
Tilt Wheel/Column Components P32
Cell 138: P42 BTSI Circuit
Fuse Block Schematics P32
Power Distribution Schematics P32
Power Distribution Schematics P32
Cell 11: I-3, TURN BU and HTR fuses, PWR CKT BRKR 2 and AUX CKT BRKR13
Cruise Control Schematics
Antilock Brake System Schematics
Engine Controls Schematics
Cell 14: G200
Cell 14: S150 and S101 [L65]
Park Brake System Schematics
Upfitter Provision Schematics P32
Cell 138: P32 BTSI Circuit
Fuse Block Schematics P32
Ground Distribution Schematics P32
Ground Distribution Schematics P32
Tilt Wheel/Column Connector End Views