GM Service Manual Online
For 1990-2009 cars only
Makes
🢒
Chevrolet
🢒
2000
🢒
Express
🢒
Body and Accessories
🢒
Cruise Control
🢒 Cruise Control Schematics
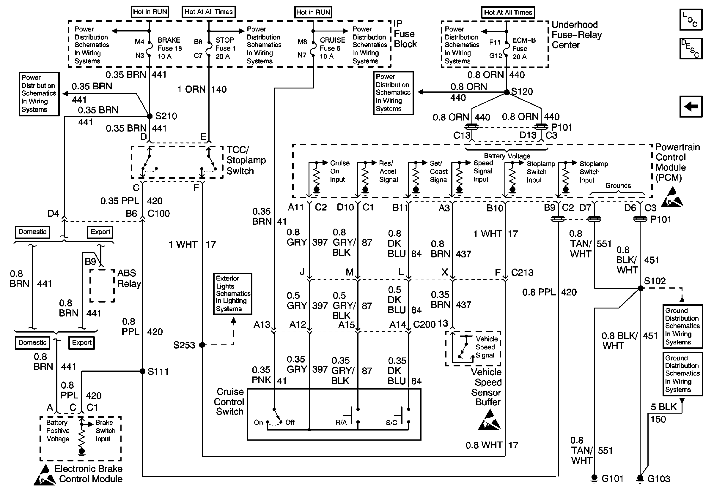
Figure
1:
Cruise Control System--Gasoline Engines
Cruise Control Components
Cruise Control System Circuit Description
IGN A, IGN B Fuses, and Ignition Switch
LIGHTING and BATT Fuses
IGN A, IGN B Fuses, and Ignition Switch
CRUISE, HTR A/C, and BRAKE Fuses
Handling ESD Sensitive Parts Notice
Handling ESD Sensitive Parts Notice
Handling ESD Sensitive Parts Notice
PARK LPS, TURN B/U, HAZARD, STOP Fuses
G101 (Gasoline Engines)
G103 (4.3L, 5.0L, and 5.7L Engines)
Handling ESD Sensitive Parts Notice
Figure
2:
Cruise Control System--Diesel Engines
Cruise Control Components
Cruise Control System Circuit Description
Handling ESD Sensitive Parts Notice
Handling ESD Sensitive Parts Notice
Handling ESD Sensitive Parts Notice
ECM B, HORN, and A/C Fuses
IGN A, IGN B Fuses, and Ignition Switch
LIGHTING and BATT Fuses
IGN A, IGN B Fuses, and Ignition Switch
Battery, Auxiliary Battery, and Underhood Fuse/Relay Center
CRUISE, HTR A/C, and BRAKE Fuses
PARK LPS, TURN B/U, HAZARD, STOP Fuses
G101 (Diesel Engine)
G103 (6.5L Engine)