GM Service Manual Online
For 1990-2009 cars only
Figure 1:

Passlock (Gas)


Object Number: 660580  Size: FS
Master Electrical Component List
Theft Systems Description and Operation
Passlock (Diesel)
Indicators 1 of 2 (Diesel)
Ignition A, Ignition B Fuses, and Ignition Switch
Lighting and Battery Fuses
Gauges Fuse
Data Link Communications
G101 (Gasoline Engines)
G101 (Gasoline Engines)
Figure 2:

Passlock (Diesel)


Object Number: 660584  Size: FS
Master Electrical Component List
Theft Systems Description and Operation
VIM, Lighting Control, I/P Fuse Block (Export Only)
Passlock (Gas)
Indicators 1 of 2 (Diesel)
Ignition A, Ignition B Fuses, and Ignition Switch
Lighting and Battery Fuses
Gauges Fuse
Data Link Communications
Indicators 2 of 2 (Gas and Diesel) and Fuel Sender Buffer Module (Diesel Only)
G101 (6.5L Diesel Engine)
G101 (6.5L Diesel Engine)
Figure 3:

VIM, Lighting Control, I/P Fuse Block (Export Only)


Object Number: 660587  Size: FS
Master Electrical Component List
Theft Systems Description and Operation
I/P Fuse Block, Power Door Lock Switch, VIM (Export Only)
Passlock (Diesel)
Lighting and Battery Fuses
Ignition A, Ignition B Fuses, and Ignition Switch
Lighting and Battery Fuses
PARK LPS, TURN B/U, HAZARD, and STOP Fuses
Indicators 1 of 2 (Diesel)
Gauges Fuse
Park Lamps, Security, and DRL Fuses
Data Link Communications
Front Lamps (Export Only)
Figure 4:

I/P Fuse Block, Power Door Lock Switch, VIM (Export Only)


Object Number: 660596  Size: FS
Master Electrical Component List
Theft Systems Description and Operation
Power Door Lock Module, Door Jamb Switch, Door Lock Switch (Export Only)
VIM, Lighting Control, I/P Fuse Block (Export Only)
Power Accessory Fuse
Power Door Lock Module, Door Jamb Switch, Door Lock Switch (Export Only)
Power Door Lock Module, Door Jamb Switch, Door Lock Switch (Export Only)
Power Door Lock Module, Door Jamb Switch, Door Lock Switch (Export Only)
Power Door Lock Relay, VIM (Export Only)
Power Door Lock Relay, VIM (Export Only)
Power Door Lock Module, Door Jamb Switch, Door Lock Switch (Export Only)
Power Door Lock Module, Door Jamb Switch, Door Lock Switch (Export Only)
Figure 5:

Power Door Lock Module, Door Jamb Switch, Door Lock Switch (Export Only)


Object Number: 660601  Size: FS
Master Electrical Component List
Theft Systems Description and Operation
Power Door Lock Relay, VIM (Export Only)
I/P Fuse Block, Power Door Lock Switch, VIM (Export Only)
I/P Fuse Block, Power Door Lock Switch, VIM (Export Only)
I/P Fuse Block, Power Door Lock Switch, VIM (Export Only)
I/P Fuse Block, Power Door Lock Switch, VIM (Export Only)
G200
I/P Fuse Block, Power Door Lock Switch, VIM (Export Only)
I/P Fuse Block, Power Door Lock Switch, VIM (Export Only)
I/P Fuse Block, Power Door Lock Switch, VIM (Export Only)
Figure 6:

Power Door Lock Relay, VIM (Export Only)


Object Number: 660604  Size: FS
Master Electrical Component List
Theft Systems Description and Operation
Door Lock Actuator, Side Door Contacts (Export Only)
Power Door Lock Module, Door Jamb Switch, Door Lock Switch (Export Only)
G201
G200
CTSY Fuse
I/P Fuse Block, Power Door Lock Switch, VIM (Export Only)
I/P Fuse Block, Power Door Lock Switch, VIM (Export Only)
I/P Fuse Block, Power Door Lock Switch, VIM (Export Only)
I/P Fuse Block, Power Door Lock Switch, VIM (Export Only)
Door Lock Actuator, Side Door Contacts (Export Only)
Door Lock Actuator, Side Door Contacts (Export Only)
Door Lock Actuator, Side Door Contacts (Export Only)
Figure 7:

Door Lock Actuator, Side Door Contacts (Export Only)


Object Number: 660607  Size: FS
Master Electrical Component List
Theft Systems Description and Operation
Front Lamps (Export Only)
Power Door Lock Relay, VIM (Export Only)
Power Door Lock Relay, VIM (Export Only)
Power Door Lock Relay, VIM (Export Only)
Power Door Lock Relay, VIM (Export Only)
Figure 8:

Front Lamps (Export Only)


Object Number: 660611  Size: FS
Master Electrical Component List
Theft Systems Description and Operation
Rear Lamps (Export Only)
Door Lock Actuator, Side Door Contacts (Export Only)
Headlamp Switch, DRL Control Module
Rear Lamps (Export Only)
VIM, Lighting Control, I/P Fuse Block (Export Only)
Rear Lamps (Export Only)
Rear Lamps (Export Only)
VIM, Lighting Control, I/P Fuse Block (Export Only)
Turn/Hazard Lamp Flasher
G108 and G109 (Export)
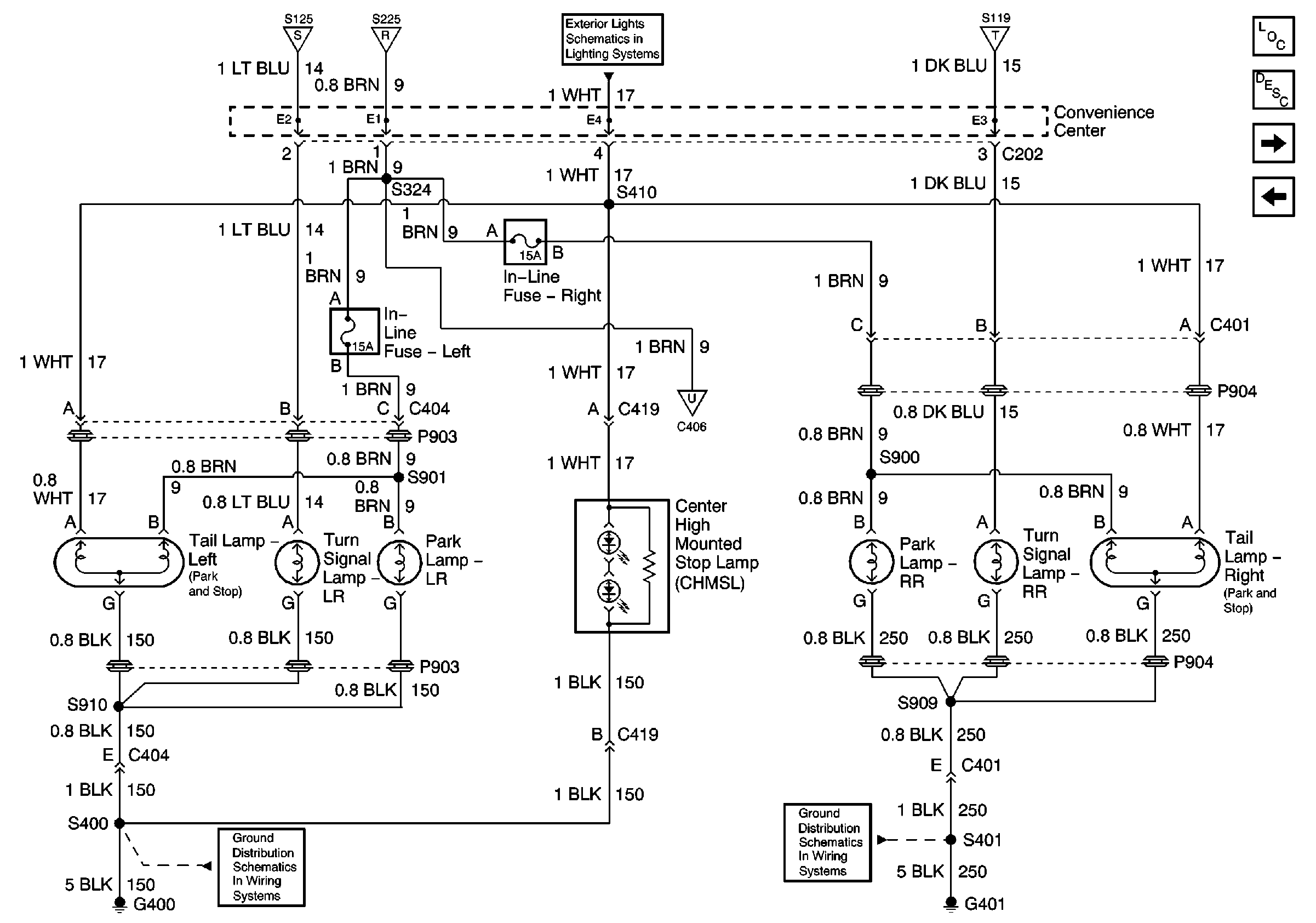
Figure 9:

Rear Lamps (Export Only)


Object Number: 660612  Size: FS
Master Electrical Component List
Theft Systems Description and Operation
License Plate Lamps (Export Only)
Front Lamps (Export Only)
Front Lamps (Export Only)
Rear Lamps
Front Lamps (Export Only)
License Plate Lamps (Export Only)
G400
G401
Figure 10:

License Plate Lamps (Export Only)


Object Number: 660615  Size: FS
Master Electrical Component List
Theft Systems Description and Operation
Rear Lamps (Export Only)
Rear License Plate Lamps
Rear Lamps (Export Only)
G401