GM Service Manual Online
For 1990-2009 cars only
Makes
🢒
Chevrolet
🢒
2002
🢒
Impala
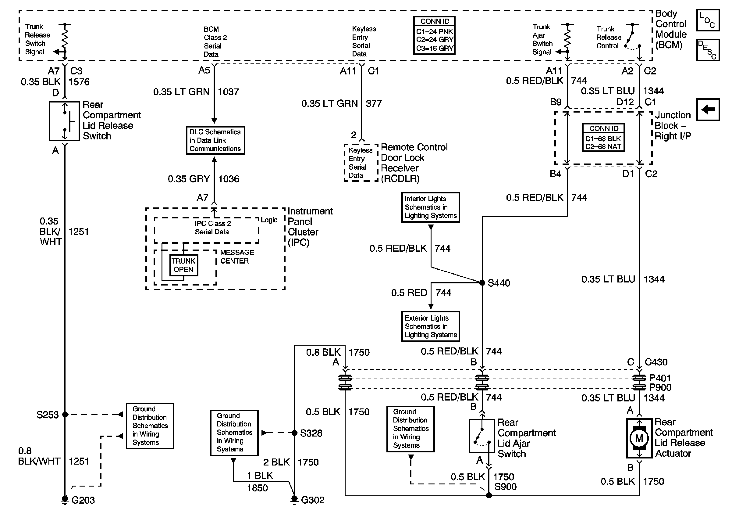
🢒 Decklid Release (9C1/9C3/9C6)
Decklid Release (9C1/9C3/9C6)
Decklid Release (9C1/9C3/9C6)
Master Electrical Component List
Luggage Compartment Description and Operation
Decklid Release (w/o Entrapment Protection)
DLC Schematics
Rear Compartment
Emergency Vehicle Rear Compartment Lid Lamps, and Spot Lamps
G203 (1 of 3)
G302 (1 of 2)
G302 (2 of 2) and G309