GM Service Manual Online
For 1990-2009 cars only
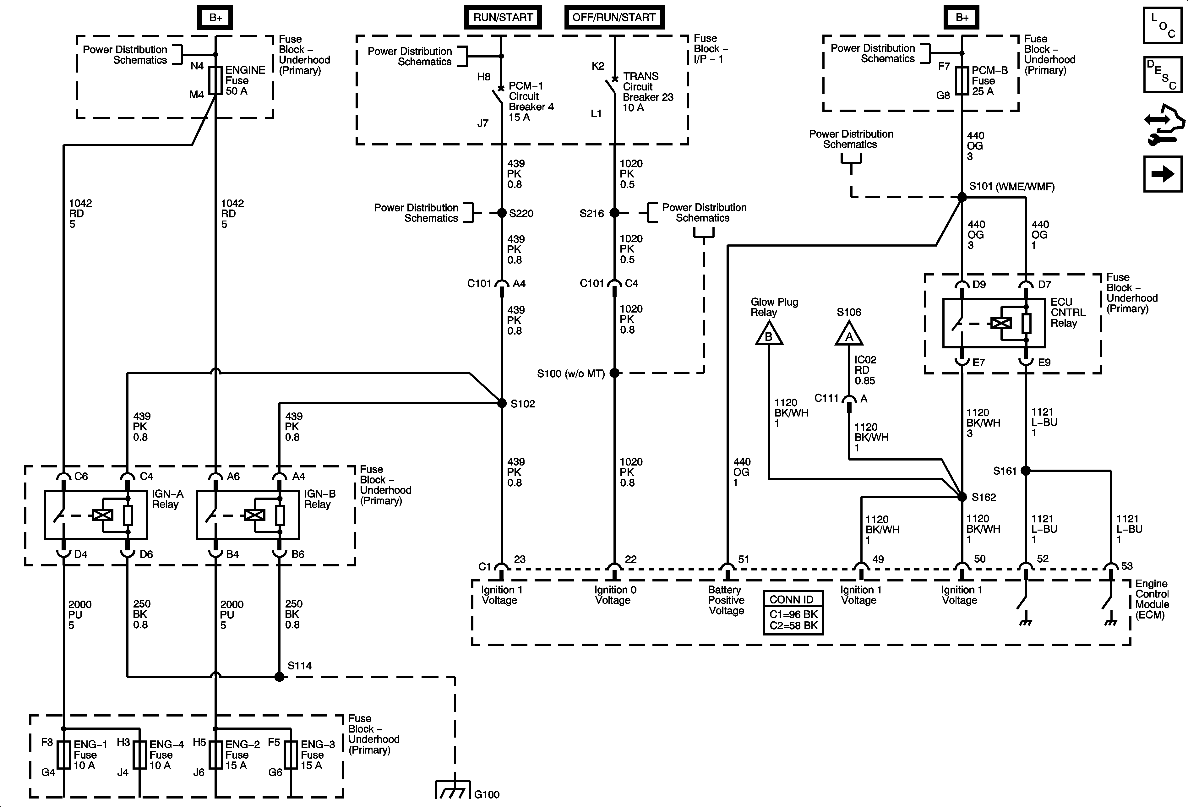
Figure 1:

Module Power, Ground, Serial Data and MIL


Object Number: 1840327  Size: FS
Master Electrical Component List
Engine Control Component Description
Control Module References
Module Ground, Serial Data, and MIL
Batteries - LG4/LG5 and B+ Bus
Ignition Switch - OFF/RUN/START, RUN/START, and START Busses
ENGINE and PCM-1 Fuses/Circuit Breakers
TRANS Fuse/Circuit Breaker
A/C COMP, HTD FUEL, PCM-B and RR DEFOG Fuses
Batteries - LG4/LG5 and B+ Bus
Engine Data Sensors - EGR Valve and Glow Plug Controls
Engine Data Sensors - Pressure and Temperature 2 of 2
G100 - LG4
Figure 2:

Module Ground, Serial Data and MIL


Object Number: 1840338  Size: FS
Master Electrical Component List
Engine Control Component Description
Control Module References
Engine Data Sensors - 5-Volt and Low Reference
Module Power
Ignition Switch - OFF/RUN/START, RUN/START, and START Busses
AIRBAG, GAUGES, LT REAR TURN/STOP, and RT REAR TURN/STOP Fuses/Circuit Breakers
Instrument Panel Cluster - 1 of 2
J1939 Serial Data, 2 of 2 - L18 w/JE4, LG4, LG5
Splice Pack SP203
G203 - 3 of 4
Figure 3:

Engine Data Sensors - 5-Volt and Low Reference


Object Number: 1840346  Size: FS
Master Electrical Component List
Engine Control Component Description
Control Module References
Engine Data Sensors - Pressure and Temperature 1 of 2
Module Ground, Serial Data, and MIL
Figure 4:

Engine Data Sensors - Pressure and Temperature 1 of 2


Object Number: 1840377  Size: FS
Master Electrical Component List
Turbocharger System Description
Control Module References
Engine Data Sensors - Pressure and Temperature 2 of 2
Engine Data Sensors - 5-Volt and Low Reference
Engine Controls Schematic Icons
Engine Controls Schematic Icons
Engine Controls Schematic Icons
Figure 5:

Engine Data Sensors - Pressure and Temperature 2 of 2


Object Number: 1840380  Size: FS
Master Electrical Component List
Engine Control Component Description
Control Module References
Engine Data Sensors - APP Sensor and High Idle Switch - UF3
Engine Data Sensors - Pressure and Temperature 1 of 2
Module Power
Fuel Controls - Fuel Sensors and Suction Control Valve (SCV)
Figure 6:

Engine Data Sensors - APP Sensor and High Idle Switch - UF3


Object Number: 1840415  Size: FS
Master Electrical Component List
Engine Control Component Description
Control Module References
Engine Data Sensors - VSS and Injector Timing Controls
Engine Data Sensors - Pressure and Temperature 2 of 2
Ignition Switch - RUN and ACC/RUN Busses
AXL/4WD, BRK, HYD/AIR BRK, and HTR/AC Fuses/Circuit Breakers
G101 - 1 of 2
Figure 7:

Engine Data Sensors - VSS and Injector Timing Controls


Object Number: 1840427  Size: FS
Master Electrical Component List
Engine Control Component Description
Control Module References
Engine Data Sensors - EGR Valve and Glow Plug Controls
Engine Data Sensors - APP Sensor and High Idle Switch - UF3
Engine Controls Schematic Icons
Engine Controls Schematic Icons
Engine Controls Schematic Icons
Module Power, Ground, Serial Data, MIL, VSS, and Torque Controls - LG4/LG5
2007 MD-560C Manual Transmission Schematics
Instrument Panel Cluster - 2 of 2
Figure 8:

Engine Data Sensors - EGR Valve and Glow Plug Controls


Object Number: 1840430  Size: FS
Master Electrical Component List
Glow Plug System Description
Control Module References
Fuel Controls - Fuel Sensors and Suction Control Valve (SCV)
Engine Data Sensors - VSS and Injector Timing Controls
Ignition Switch - OFF/RUN/START, RUN/START, and START Busses
AIRBAG, GAUGES, LT REAR TURN/STOP, and RT REAR TURN/STOP Fuses/Circuit Breakers
2007 MD-560C Driver Information System Schematics - DIC
Module Power
Batteries - LG4/LG5 and B+ Bus
Figure 9:

Fuel Controls - Fuel Sensors and Suction Control Valve (SCV)


Object Number: 1840451  Size: FS
Master Electrical Component List
Fuel System Description
Control Module References
Fuel Controls - Fuel Injectors
Engine Data Sensors - EGR Valve and Glow Plug Controls
Fuel Gage
Engine Data Sensors - Pressure and Temperature 2 of 2
Ignition Switch - OFF/RUN/START, RUN/START, and START Busses
AIRBAG, GAUGES, LT REAR TURN/STOP, and RT REAR TURN/STOP Fuses/Circuit Breakers
2007 MD-560C Driver Information System Schematics - DIC
Module Power
ENG-2, and ENG-3 Fuses - LG4
Batteries - LG4/LG5 and B+ Bus
G203 - 3 of 4
G100 - LG4
Figure 10:

Fuel Controls - Fuel Injectors


Object Number: 1840462  Size: FS
Master Electrical Component List
Fuel System Description
Control Module References
Controlled/Monitored Subsystem References
Fuel Controls - Fuel Sensors and Suction Control Valve (SCV)
Engine Controls Schematic Icons
Engine Controls Schematic Icons
Engine Controls Schematic Icons
Engine Controls Schematic Icons
Figure 11:

Controlled/Monitored Subsystem References


Object Number: 1870154  Size: FS
Master Electrical Component List
Engine Control Component Description
Control Module References
Controlled/Monitored Subsystem References
Fuel Controls - Fuel Injectors
w/o LG5 1 of 2
w/o LG5 2 of 2
w/o LG5 2 of 2
Figure 12:

Controlled/Monitored Subsystem References


Object Number: 1840477  Size: FS
Master Electrical Component List
Engine Control Component Description
Control Module References
Power Take Off (PTO) System References
Cruise Control Schematics - L18
HPZ with Automatic Transmission
2007 MD-560C Manual Transmission Schematics - ZF S6-650
2007 MD Charging System - LG4/LG5
Starting System - LG4/LG5
2007 MD Charging System - LG4/LG5
Instrument Panel Cluster - 2 of 2
Engine Cooling Schematics
A/C Compressor Controls - LG4/LG5
Instrument Panel Cluster - 2 of 2
Exhaust System Schematics
Stop Lamp Switch
BRK Fuse/Circuit Breaker
Backup Lamp Control