GM Service Manual Online
For 1990-2009 cars only
Figure 1:

Module Power


Object Number: 1908596  Size: FS
Master Electrical Component List
Engine Control Module Description
Control Module References
Fuse Block, IGN-A Relay, Ground, Serial Data and MIL
ENGINE and PCM-1 Fuses/Circuit Breakers
ENG-2, and ENG-3 Fuses - LF6/LMM
A/C COMP, HTD FUEL, PCM-B and RR DEFOG Fuses
A/C COMP, HTD FUEL, PCM-B and RR DEFOG Fuses
TRANS Fuse/Circuit Breaker
TRANS Fuse/Circuit Breaker
TRANS Fuse/Circuit Breaker
ENGINE and PCM-1 Fuses/Circuit Breakers
ENGINE and PCM-1 Fuses/Circuit Breakers
ENGINE and PCM-1 Fuses/Circuit Breakers
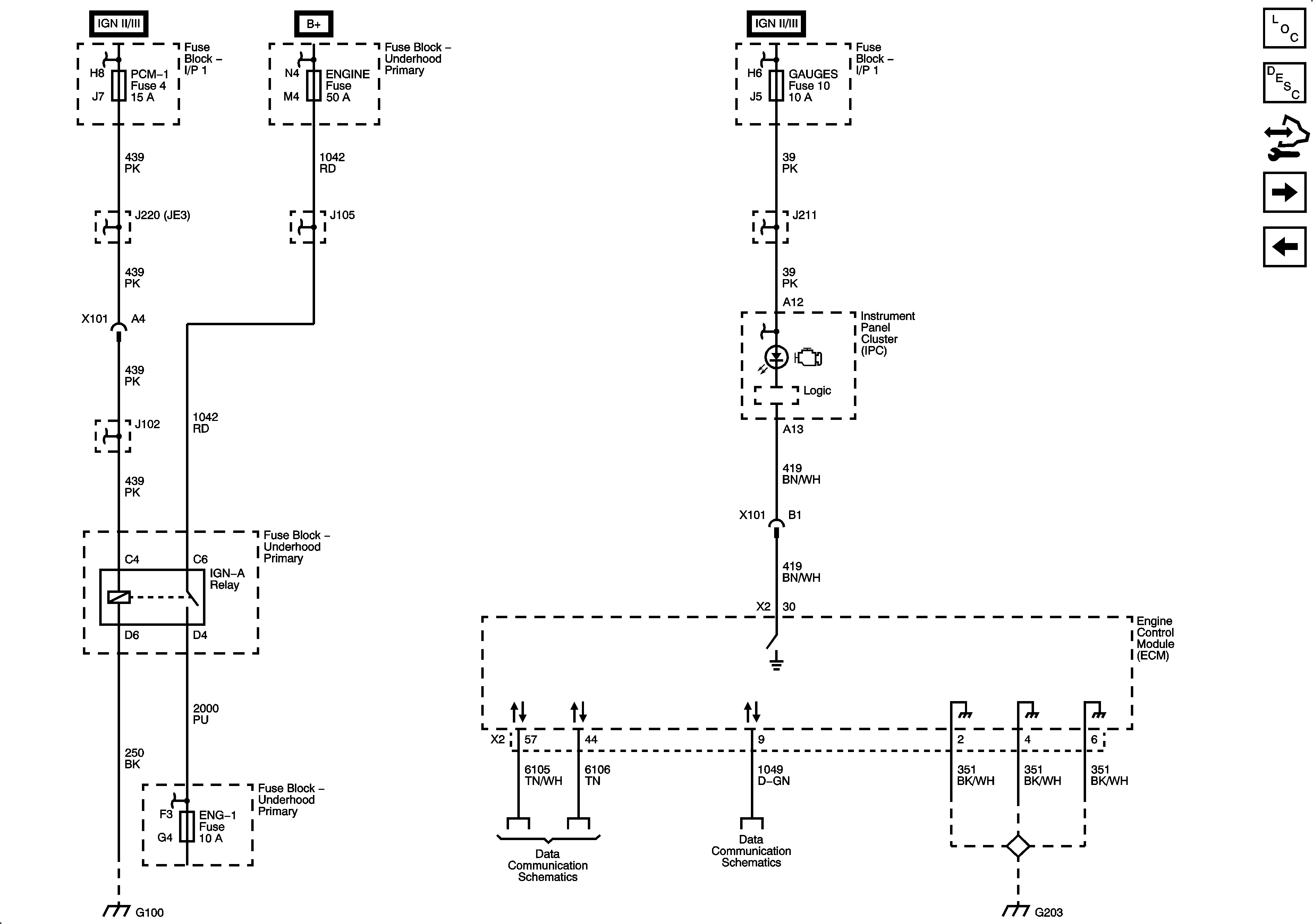
Figure 2:

Fuse Block, IGN-A Relay, Ground, Serial Data and MIL


Object Number: 1908604  Size: FS
Master Electrical Component List
Engine Control Module Description
Control Module References
Engine Data Sensors - 5-Volt and Low Reference
Module Power
ENGINE and PCM-1 Fuses/Circuit Breakers
ENGINE and PCM-1 Fuses/Circuit Breakers
ENGINE and PCM-1 Fuses/Circuit Breakers
ENGINE and PCM-1 Fuses/Circuit Breakers
ENGINE and PCM-1 Fuses/Circuit Breakers
ENG-1 and ENG-4 Fuses - L18/LMM
G100 - L18
High Speed GMLAN
Splice Pack SP203
Instrument Panel Cluster - 1 of 2
AIRBAG, GAGES, LT REAR TURN/STOP, and RT REAR TURN/STOP Fuses/Circuit Breakers
G203 - 2 of 4
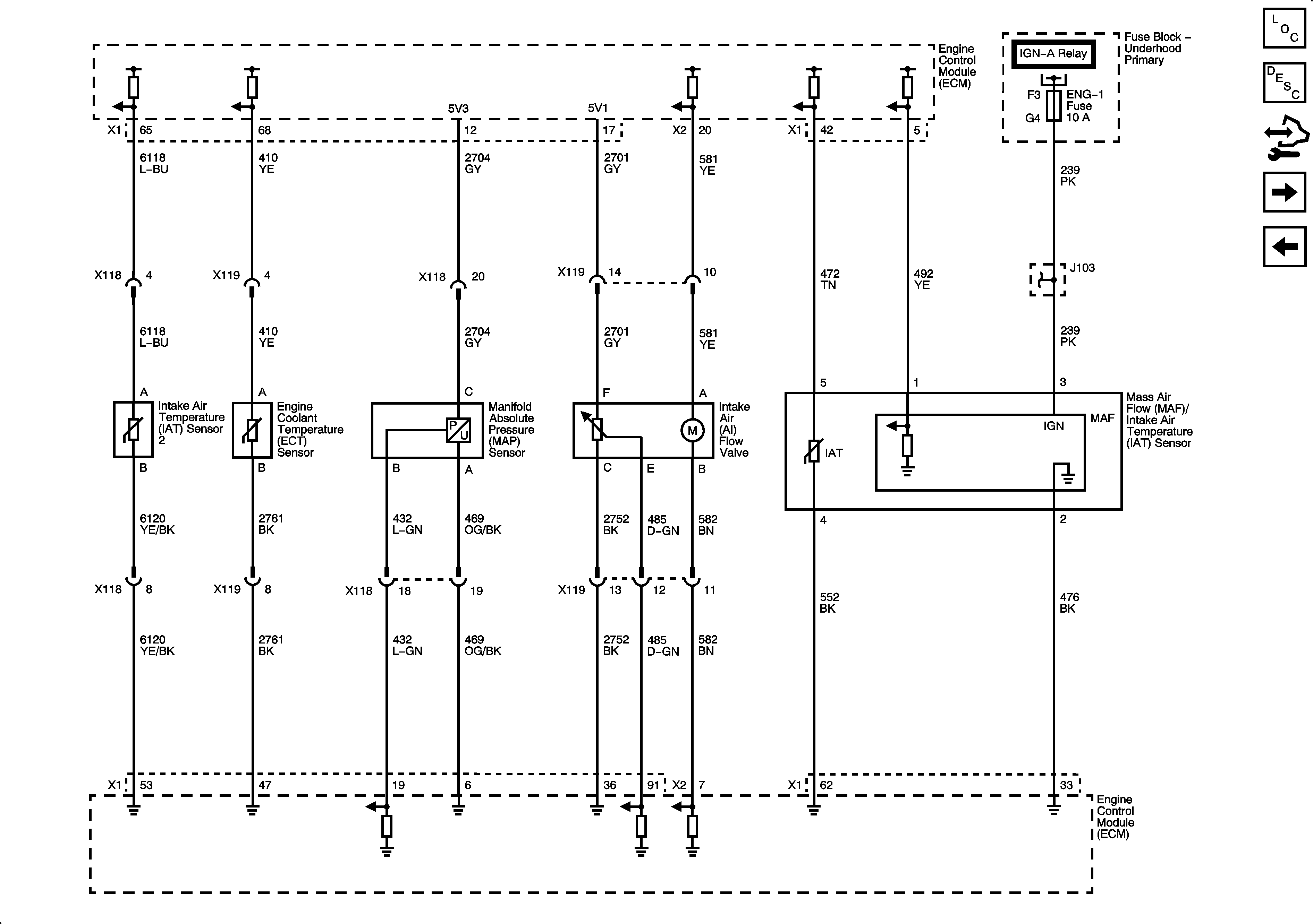
Figure 3:

Engine Data Sensors - 5-Volt and Low Reference


Object Number: 1908607  Size: FS
Master Electrical Component List
Engine Control Module Description
Control Module References
Engine Data Sensors - Pressure, Temperature and MAF Sensor
Fuse Block, IGN-A Relay, Ground, Serial Data and MIL
Figure 4:

Engine Data Sensors - Pressure, Temperature and MAF Sensor


Object Number: 1908616  Size: FS
Master Electrical Component List
Engine Control Module Description
Control Module References
Engine Data Sensors - EGR, EGT, and Turbocharger Controls
Engine Data Sensors - 5-Volt and Low Reference
ENG-1 and ENG-4 Fuses - L18/LMM
ENG-1 and ENG-4 Fuses - L18/LMM
Figure 5:

Engine Data Sensors - EGR and Turbocharger Controls


Object Number: 1908619  Size: FS
Master Electrical Component List
Engine Control Module Description
Control Module References
Engine Data Sensors - APP, High Idle Switch (UZ3) and Injection Timing Controls
Engine Data Sensors - Pressure, Temperature and MAF Sensor
Figure 6:

Engine Data Sensors - APP, High Idle Switch (UZ3) and Injection Timing Controls


Object Number: 1908622  Size: FS
Master Electrical Component List
Engine Control Module Description
Control Module References
Engine Data Sensors - Glow Plug Controls and Intake Air Heater (IAH) Module
Engine Data Sensors - EGR, EGT, and Turbocharger Controls
G118, G119, and G120
AXL/4WD, BRK, HYD/AIR BRK, and HTR/AC Fuses/Circuit Breakers
AXL/4WD, BRK, HYD/AIR BRK, and HTR/AC Fuses/Circuit Breakers
G101 - 1 of 2
Figure 7:

Engine Data Sensors - Glow Plug Controls, Intake Air Heater (IAH) Module


Object Number: 1908624  Size: FS
Master Electrical Component List
Engine Control Module Description
Control Module References
Fuel Controls - Fuel Pump, Temperature and Pressure Controls
Engine Data Sensors - APP, High Idle Switch (UZ3) and Injection Timing Controls
ENG-1 and ENG-4 Fuses - L18/LMM
ENG-1 and ENG-4 Fuses - L18/LMM
Batteries - LMM
TRANS Fuse/Circuit Breaker
TRANS Fuse/Circuit Breaker
TRANS Fuse/Circuit Breaker
AIRBAG, GAGES, LT REAR TURN/STOP, and RT REAR TURN/STOP Fuses/Circuit Breakers
AIRBAG, GAGES, LT REAR TURN/STOP, and RT REAR TURN/STOP Fuses/Circuit Breakers
DIC
High Speed GMLAN
G118, G119, and G120
Figure 8:

Fuel Controls - Fuel Pump, Temperature and Pressure Controls


Object Number: 1908628  Size: FS
Master Electrical Component List
Engine Control Module Description
Control Module References
Fuel Controls - Fuel Heater and Water-In-Fuel Sensor Controls
Engine Data Sensors - Glow Plug Controls and Intake Air Heater (IAH) Module
G118, G119, and G120
Fuel Gage
G100 - LMM
FUEL Fuse/Circuit Breaker - L18/LMM, PCV Circuit Breaker - LF8, and ECM-B Circuit Breaker - LF6
G200, G202, and G203 - 1 of 4
Figure 9:

Fuel Controls - Fuel Heater and Water-In-Fuel Sensor Controls


Object Number: 1908630  Size: FS
Master Electrical Component List
Engine Control Module Description
Control Module References
Fuel Controls - Fuel Injectors
Fuel Controls - Fuel Pump, Temperature and Pressure Controls
ENG-1 and ENG-4 Fuses - L18/LMM
ENG-1 and ENG-4 Fuses - L18/LMM
G103 - 1 of 2, G105, and G106
FUEL Fuse/Circuit Breaker - L18/LMM, PCV Circuit Breaker - LF8, and ECM-B Circuit Breaker - LF6
AIRBAG, GAGES, LT REAR TURN/STOP, and RT REAR TURN/STOP Fuses/Circuit Breakers
AIRBAG, GAGES, LT REAR TURN/STOP, and RT REAR TURN/STOP Fuses/Circuit Breakers
DIC
G118, G119, and G120
Figure 10:

Fuel Controls - Fuel Injectors


Object Number: 1908633  Size: FS
Master Electrical Component List
Engine Control Module Description
Control Module References
Controlled/Monitored Subsystem References 1 of 2
Fuel Controls - Fuel Heater and Water-In-Fuel Sensor Controls
Figure 11:

Controlled/Monitored Subsystem References 1 of 2


Object Number: 1908636  Size: FS
Master Electrical Component List
Engine Control Module Description
Control Module References
Controlled/Monitored Subsystem References 2 of 2
Fuel Controls - Fuel Injectors
Starting System L18/LMM
Charging System L18/LMM
Engine Exhaust Schematics
w/o LF6 1 of 2
w/o LF6 2 of 2
LF8/LMM
Engine Cooling Schematics
C102 - Upfitter TRANS OPT Connector and Internal Mode Switch
A/C Compressor Controls - L18/LMM
Figure 12:

Controlled/Monitored Subsystem References 2 of 2


Object Number: 1908642  Size: FS
Master Electrical Component List
Engine Control Module Description
Control Module References
Controlled/Monitored Subsystem References 1 of 2
Engine Cooling Schematics
Module Power, Ground, Serial Data, MIL, VSS, and Torque Controls
Power, Ground, Class 2 Serial Data, Transfer Case Shift Control Module and Transfer Case Encoder Motor
Instrument Panel Cluster - LMM
LMM
DIC
Instrument Panel Cluster - LMM
C305 (Upfitter Lighting Connector)
BRK Fuses/Circuit Breaker
Backup Lamp Control