GM Service Manual Online
For 1990-2009 cars only
Figure 1:

Hazard, Stop, and Turn Signal Controls


Object Number: 1909273  Size: FS
Master Electrical Component List
Exterior Lighting Systems Description and Operation
Control Module References
Park and Marker Lamps
BAT/HAZ, HAZRD, PWR/ACCY, STOP, and TRLR Fuses/Circuit Breakers
TRN/BCK/UP Fuse/Circuit Breaker
TRN/BCK/UP Fuse/Circuit Breaker
G101 - 1 of 2
Park and Marker Lamps
Park and Marker Lamps
Park and Marker Lamps
BAT/HAZ, HAZRD, PWR/ACCY, STOP, and TRLR Fuses/Circuit Breakers
BRK Fuses/Circuit Breaker
Power Brake Booster Pump Controls and Stop Lamp Switch
C305 (Upfitter Lighting Connector)
BRK Fuses/Circuit Breaker
IGN-4, ELEC BRK/BRKLP, HDLP, MKR LTS, PWR WNDW, DRL, and RADIO Fuses/Circuit Breakers
Trailer Tow Connector (C6/C7/C8)
G103 - 1 of 2, G105, and G106
Figure 2:

Park and Marker Lamps


Object Number: 1909279  Size: FS
Master Electrical Component List
Exterior Lighting Systems Description and Operation
Control Module References
Park and Stop Lamps
Hazard, Stop, and Turn Signal Controls
Trailer Tow Connector (C6/C7/C8)
Hazard, Stop, and Turn Signal Controls
G112, G113, G203 - 4 of 4, G204, G205, and G400
Hazard, Stop, and Turn Signal Controls
Trailer Tow Connector (C6/C7/C8)
Backup Lamps and Backup Alarm
Hazard, Stop, and Turn Signal Controls
G200, G202, and G203 - 1 of 4
Trailer Tow Connector (C4/C5)
Trailer Tow Connector (C4/C5)
Backup Lamps and Backup Alarm
Hazard, Stop, and Turn Signal Controls
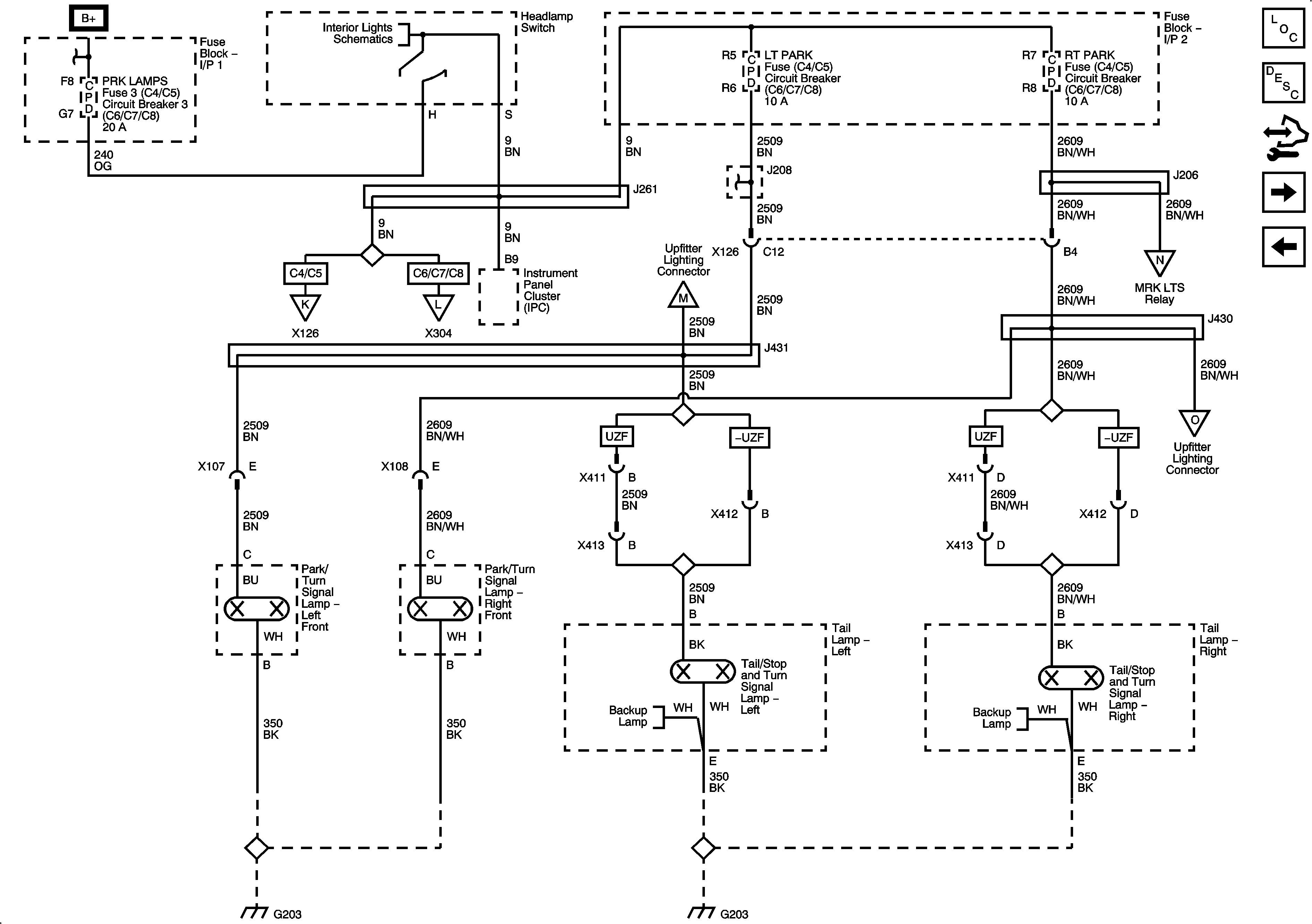
Figure 3:

Park and Stop Lamps


Object Number: 1909281  Size: FS
Master Electrical Component List
Exterior Lighting Systems Description and Operation
Control Module References
Clearance, ID, and Marker Lamps
Park and Marker Lamps
IGN-4, ELEC BRK/BRKLP, HDLP, MKR LTS, PWR WNDW, DRL, and RADIO Fuses/Circuit Breakers
Dome/Reading Lamps
Trailer Tow Connector (C4/C5)
Trailer Tow Connector (C6/C7/C8)
G112, G113, G203 - 4 of 4, G204, G205, and G400
Backup Lamps and Backup Alarm
C305 (Upfitter Lighting Connector)
G200, G202, and G203 - 1 of 4
LIGHTING, CTSY LAMPS, PRK LAMPS, HVAC, ILLUM, LT PARK, and RT PARK Fuses/Circuits Breakers - 1 of 2
Backup Lamps and Backup Alarm
Clearance, ID, and Marker Lamps
C305 (Upfitter Lighting Connector)
Figure 4:

Clearance, ID, and Marker Lamps


Object Number: 1909285  Size: FS
Master Electrical Component List
Exterior Lighting Systems Description and Operation
Control Module References
Backup Lamp Control
Park and Stop Lamps
AUX WIRE and IGN 4 - Fuses/Circuit Breakers
Park and Stop Lamps
G101 - 2 of 2
Trailer Tow Connector (C6/C7/C8)
C305 (Upfitter Lighting Connector)
G101 - 1 of 2
G102 - 1 of 2
G102 - 1 of 2
Figure 5:

Backup Lamp Control


Object Number: 1909288  Size: FS
Master Electrical Component List
Exterior Lighting Systems Description and Operation
Control Module References
Backup Lamps and Backup Alarm
Clearance, ID, and Marker Lamps
ENGINE and PCM-1 Fuses/Circuit Breakers
ENG-2, and ENG-3 Fuses - LF6/LMM
ENG-2, and ENG-3 Fuses - LF8
ENG-2, and ENG-3 Fuses - LF6/LMM
TRN/BCK/UP Fuse/Circuit Breaker
TRN/BCK/UP Fuse/Circuit Breaker
Backup Lamps and Backup Alarm
Figure 6:

Backup Lamps and Backup Alarm


Object Number: 1909292  Size: FS
Master Electrical Component List
Exterior Lighting Systems Description and Operation
Control Module References
Trailer Tow Connector (C4/C5)
Backup Lamp Control
Backup Lamp Control
C305 (Upfitter Lighting Connector)
Trailer Tow Connector (C4/C5)
G200, G202, and G203 - 1 of 4
G200, G202, and G203 - 1 of 4
Park and Marker Lamps
Park and Stop Lamps
Park and Marker Lamps
Park and Stop Lamps
Figure 7:

Trailer Tow Connector (C4/C5)


Object Number: 1909294  Size: FS
Master Electrical Component List
Exterior Lighting Systems Description and Operation
Control Module References
Trailer Tow Connector (C6/C7/C8)
Backup Lamps and Backup Alarm
Park and Marker Lamps
G103 - 1 of 2, G105, and G106
BAT/HAZ, HAZRD, PWR/ACCY, STOP, and TRLR Fuses/Circuit Breakers
Park and Marker Lamps
C305 (Upfitter Lighting Connector)
C305 (Upfitter Lighting Connector)
IGN-4, ELEC BRK/BRKLP, HDLP, MKR LTS, PWR WNDW, DRL, and RADIO Fuses/Circuit Breakers
Park and Stop Lamps
Backup Lamps and Backup Alarm
G112, G113, G203 - 4 of 4, G204, G205, and G400
Figure 8:

Trailer Tow Connector (C6/C7/C8)


Object Number: 1909298  Size: FS
Master Electrical Component List
Exterior Lighting Systems Description and Operation
Control Module References
C305 (Upfitter Lighting Connector)
Trailer Tow Connector (C4/C5)
Park and Marker Lamps
G103 - 1 of 2, G105, and G106
BAT/HAZ, HAZRD, PWR/ACCY, STOP, and TRLR Fuses/Circuit Breakers
C305 (Upfitter Lighting Connector)
C305 (Upfitter Lighting Connector)
Park and Marker Lamps
ABS-1, ABS-2, ABS-3, E/A PUMP and HORN Fuses/Circuit Breakers
ABS-1, ABS-2, ABS-3, E/A PUMP and HORN Fuses/Circuit Breakers
Park and Stop Lamps
Hazard, Stop, and Turn Signal Controls
Clearance, ID, and Marker Lamps
G112, G113, G203 - 4 of 4, G204, G205, and G400
Figure 9:

C305 (Upfitter Lighting Connector)


Object Number: 1909300  Size: FS
Master Electrical Component List
Exterior Lighting Systems Description and Operation
Control Module References
Trailer Tow Connector (C6/C7/C8)
AUX WIRE and IGN 4 - Fuses/Circuit Breakers
AUX WIRE and IGN 4 - Fuses/Circuit Breakers
Trailer Tow Connector (C4/C5)
Trailer Tow Connector (C6/C7/C8)
Trailer Tow Connector (C4/C5)
Trailer Tow Connector (C6/C7/C8)
Clearance, ID, and Marker Lamps
Hazard, Stop, and Turn Signal Controls
Park and Stop Lamps
Backup Lamps and Backup Alarm
Instrument Panel Cluster - 2 of 2
G112, G113, G203 - 4 of 4, G204, G205, and G400