GM Service Manual Online
For 1990-2009 cars only
Figure 1:

Module Power, Ground, Serial Data, and MIL


Object Number: 1776904  Size: FS
Master Electrical Component List
Engine Control Module Description
Control Module References
Engine Data Sensors - 5-Volt and Low Reference
Engine Controls Schematic Icons
B+ Bus Bar
AUX PWR, AUX PWR 2, DDM, ECC/TCM, ECM B, LBEC 2, LCKS, PCM B, PDM, and TCM B Fuses
Ignition Switch - START, RUN, and ACC/RUN/START BUS BARS, IGN A, and CRNK Fuses
ECM 1, EHPS-I, FUEL HTR, and HCM-I Fuses
Ignition Switch - START, RUN, and ACC/RUN/START BUS BARS, IGN A, and CRNK Fuses
IGN 0, RR WPR, SEO ACCY, TBC ACCY, TBC IGN 0, and WS WPR Fuses
IGN 0, RR WPR, SEO ACCY, TBC ACCY, TBC IGN 0, and WS WPR Fuses
G102, G103, and G108 - Diesel
High Speed GM LAN 8.1L and Diesel
Power, Ground, DLC and Splice Pack SP205
Engine Data Sensors - Glow Plug Controls
Figure 2:

Engine Data Sensors - 5-Volt and Low Reference


Object Number: 1776906  Size: FS
Master Electrical Component List
Engine Control Module Description
Control Module References
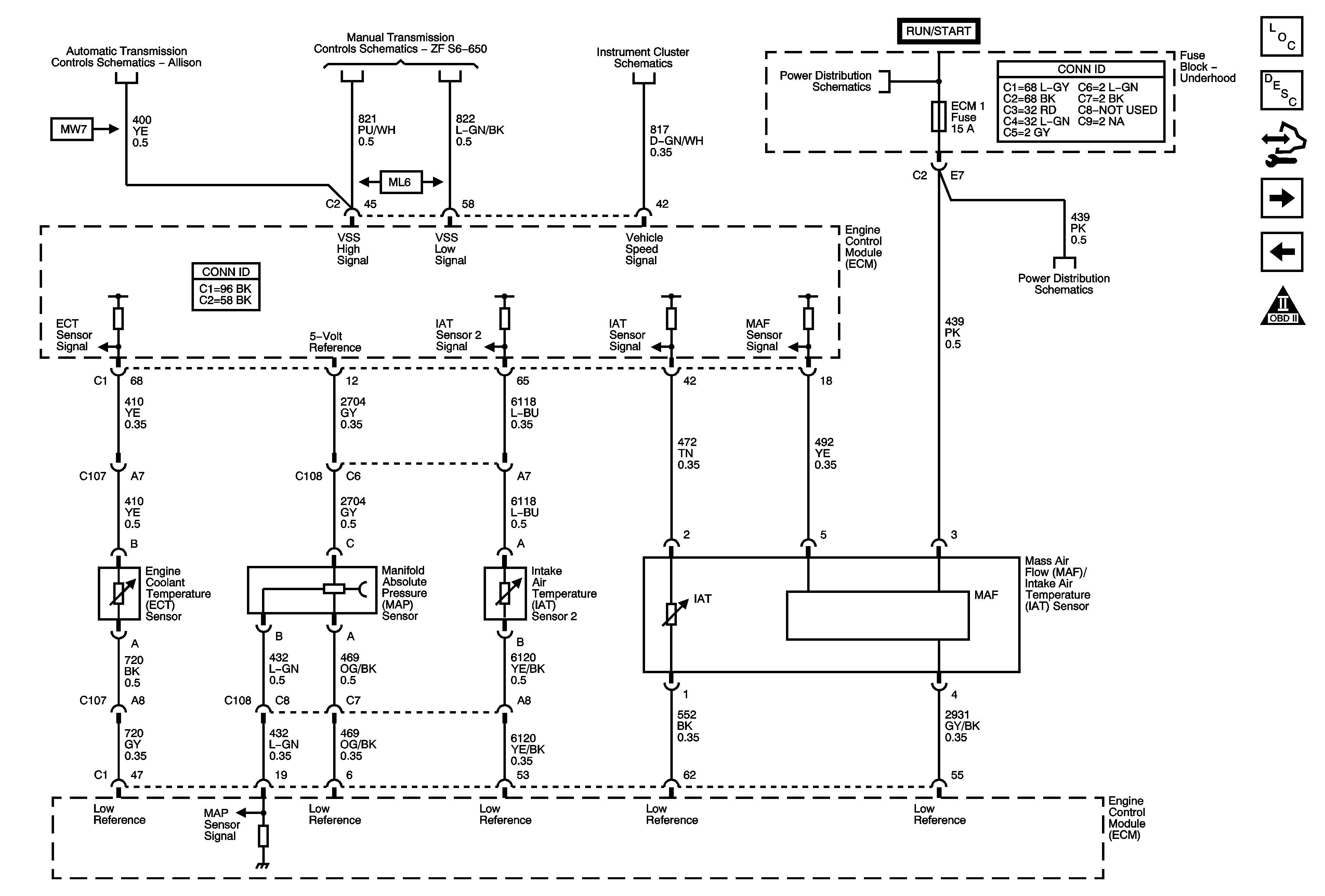
Engine Data Sensors - Pressure, Temperature, MAF, and VSS
Module Power, Ground, Serial Data, and MIL
Engine Controls Schematic Icons
Figure 3:

Engine Data Sensors - Pressure, Temperature, MAF, and VSS


Object Number: 1776922  Size: FS
Master Electrical Component List
Engine Control Module Description
Control Module References
Engine Data Sensors - EGR and Turbocharger Controls
Engine Data Sensors - 5-Volt and Low Reference
Engine Controls Schematic Icons
Internal Mode Switch (IMS) and Speed Sensors
Internal Mode Switch (IMS) and Speed Sensors
Gages, Vehicle Speed Sensor, Engine Oil Pressure, and Fuel Level Sensors
Ignition Switch - ACC/RUN and RUN/START BUS BARS and IGN B Fuse
ECM 1, EHPS-I, FUEL HTR, and HCM-I Fuses
Figure 4:

Engine Data Sensors - EGR and Turbocharger Controls


Object Number: 1776925  Size: FS
Master Electrical Component List
Turbocharger System Description
Control Module References
Engine Data Sensors - Pedal Position and Injection Timing
Engine Data Sensors - Pressure, Temperature, MAF, and VSS
Engine Controls Schematic Icons
Figure 5:

Engine Data Sensors - Pedal Position and Injection Timing


Object Number: 1776936  Size: FS
Master Electrical Component List
Accelerator Pedal Position System Description
Control Module References
Engine Data Sensors - Glow Plug Controls
Engine Data Sensors - EGR and Turbocharger Controls
Engine Controls Schematic Icons
Gages, Vehicle Speed Sensor, Engine Oil Pressure, and Fuel Level Sensors
G102, G103, and G108 - Diesel
Figure 6:

Engine Data Sensors - Glow Plug Controls


Object Number: 1776940  Size: FS
Master Electrical Component List
Glow Plug System Description
Control Module References
Fuel Controls - Fuel Pump, Temperature, and Pressure Controls
Engine Data Sensors - Pedal Position and Injection Timing
Engine Controls Schematic Icons
Indicators, Water in Fuel Sensor, Engine Oil Level Switch, and Washer Fluid Level Sensor
Ignition Switch - ACC/RUN and RUN/START BUS BARS and IGN B Fuse
Ignition Switch - START, RUN, and ACC/RUN/START BUS BARS, IGN A, and CRNK Fuses
High Speed GM LAN 8.1L and Diesel
ECM 1, EHPS-I, FUEL HTR, and HCM-I Fuses
IGN 0, RR WPR, SEO ACCY, TBC ACCY, TBC IGN 0, and WS WPR Fuses
IGN 0, RR WPR, SEO ACCY, TBC ACCY, TBC IGN 0, and WS WPR Fuses
IGN 0, RR WPR, SEO ACCY, TBC ACCY, TBC IGN 0, and WS WPR Fuses
Battery Supply - 1 of 2
Battery Supply - 2 of 2
G102, G103, and G108 - Diesel
Figure 7:

Fuel Controls - Fuel Pump, Temperature, and Pressure Controls


Object Number: 1776958  Size: FS
Master Electrical Component List
Fuel System Description
Control Module References
Fuel Controls - Fuel Injectors
Engine Data Sensors - Glow Plug Controls
Engine Controls Schematic Icons
G104, G107, and G110
B+ Bus Bar
AUX PWR, AUX PWR 2, DDM, ECC/TCM, ECM B, LBEC 2, LCKS, PCM B, PDM, and TCM B Fuses
Ignition Switch - ACC/RUN and RUN/START BUS BARS and IGN B Fuse
ECM 1, EHPS-I, FUEL HTR, and HCM-I Fuses
Gages, Vehicle Speed Sensor, Engine Oil Pressure, and Fuel Level Sensors
G102, G103, and G108 - Diesel
G104, G107, and G110
G102, G103, and G108 - Diesel
Figure 8:

Fuel Controls - Fuel Injectors


Object Number: 1776961  Size: FS
Master Electrical Component List
Fuel System Description
Control Module References
Controlled/Monitored Subsystem References
Fuel Controls - Fuel Pump, Temperature, and Pressure Controls
Engine Controls Schematic Icons
Engine Controls Schematic Icons
Engine Controls Schematic Icons
Engine Controls Schematic Icons
Engine Controls Schematic Icons
Engine Controls Schematic Icons
Figure 9:

Controlled/Monitored Subsystem Refereces


Object Number: 1776987  Size: FS
Master Electrical Component List
Engine Control Module Description
Control Module References
Fuel Controls - Fuel Injectors
Engine Controls Schematic Icons
A/C Compressor Control
A/C Compressor Controls
Indicators, Water in Fuel Sensor, Engine Oil Level Switch, and Washer Fluid Level Sensor
Power, Ground, Serial Data, and Transfer Case Encoder Motor
Transfer Case NVG 261-NP2 Control Schematics
Transfer Case NVG 261-NP2 Control Schematics
Starting - Diesel
Backup Lamps (except MW7)
Power Take Off Schematics
Indicators, Water in Fuel Sensor, Engine Oil Level Switch, and Washer Fluid Level Sensor
Charging - Diesel
Gages, Vehicle Speed Sensor, Engine Oil Pressure, and Fuel Level Sensors
Power, Ground, Serial Data, Indicator and Stop Lamp Switch - All Others
Diesel
Manual Transmission ZF S6-650 Schematics
8.1L and Diesel
Stop Lamp Switch and Signals
Internal Mode Switch (IMS) and Speed Sensors