GM Service Manual Online
For 1990-2009 cars only

Keyless Entry Schematics Except Luxury

Figure 1:

Cell 132: GAUGES Fuse, PWR-ACCY Circuit Breaker, Remote Control Door Lock Receiver, G202


Object Number: 365044  Size: FS
Cell 132: CIG LTR Fuse, Door Lock Control Module, Cargo Door Jamb Switch,G400
Handling ESD Sensitive Parts Notice
Cell 10: AUX Fuse and PWR-ACCY Circuit Breaker
Interior Lights Schematics Except Luxury
Ground Distribution Schematics
Cell 10: AUX Fuse and PWR-ACCY Circuit Breaker
Cell 132: CIG LTR Fuse, Door Lock Control Module, Cargo Door Jamb Switch,G400
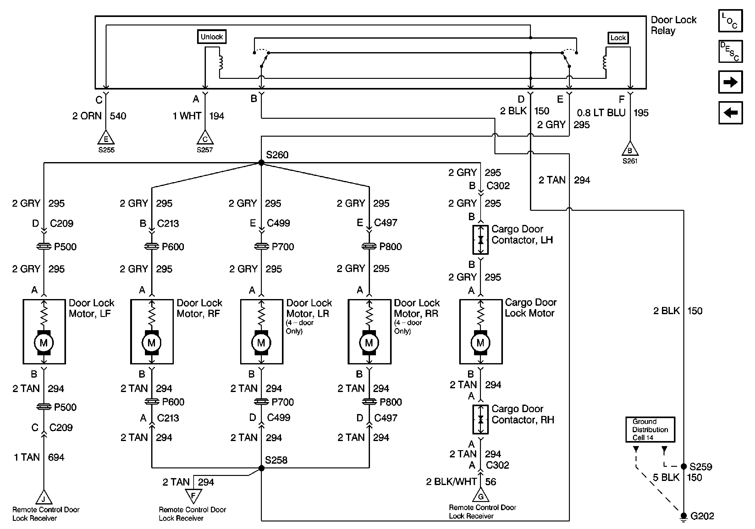
Cell 132: Door Lock Relay, Door Lock Motors, Cargo Door Contactors,G202
Cell 132: Door Lock Relay, Door Lock Motors, Cargo Door Contactors,G202
Cell 132: Liftgate Release Motor, G105
Cell 132: Door Lock Relay, Door Lock Motors, Cargo Door Contactors,G202
Cell 132: CIG LTR Fuse, Door Lock Control Module, Cargo Door Jamb Switch,G400
Cell 132: CIG LTR Fuse, Door Lock Control Module, Cargo Door Jamb Switch,G400
Cell 132: Door Lock Relay, Door Lock Motors, Cargo Door Contactors,G202
Figure 2:

Cell 132: CIG LTR Fuse, Door Lock Control Module, Cargo Door Jamb Switch, G400


Object Number: 365088  Size: FS
Cell 132: Rear Door Jamb Switches, G200
Cell 132: GAUGES Fuse, PWR-ACCY Circuit Breaker, Remote Control Door Lock Receiver, G202
Handling ESD Sensitive Parts Notice
Cell 10: AUX Fuse and PWR-ACCY Circuit Breaker
Interior Lights Schematics Except Luxury
Cell 10: AUX Fuse and PWR-ACCY Circuit Breaker
Ground Distribution Schematics
Cell 132: GAUGES Fuse, PWR-ACCY Circuit Breaker, Remote Control Door Lock Receiver, G202
Cell 132: Rear Door Jamb Switches, G200
Cell 132: GAUGES Fuse, PWR-ACCY Circuit Breaker, Remote Control Door Lock Receiver, G202
Cell 132: Door Lock Relay, Door Lock Motors, Cargo Door Contactors,G202
Cell 132: Door Lock Relay, Door Lock Motors, Cargo Door Contactors,G202
Cell 132: GAUGES Fuse, PWR-ACCY Circuit Breaker, Remote Control Door Lock Receiver, G202
Figure 3:

Cell 132: Door Lock Relay, Door Lock Motors, Cargo Door Contactors, G202


Object Number: 365096  Size: FS
Cell 132: Liftgate Release Motor, G105
Cell 132: CIG LTR Fuse, Door Lock Control Module, Cargo Door Jamb Switch,G400
Ground Distribution Schematics
Cell 14: G202 (2 of 4)
Cell 132: GAUGES Fuse, PWR-ACCY Circuit Breaker, Remote Control Door Lock Receiver, G202
Cell 132: CIG LTR Fuse, Door Lock Control Module, Cargo Door Jamb Switch,G400
Cell 132: CIG LTR Fuse, Door Lock Control Module, Cargo Door Jamb Switch,G400
Cell 132: GAUGES Fuse, PWR-ACCY Circuit Breaker, Remote Control Door Lock Receiver, G202
Cell 132: GAUGES Fuse, PWR-ACCY Circuit Breaker, Remote Control Door Lock Receiver, G202
Cell 132: GAUGES Fuse, PWR-ACCY Circuit Breaker, Remote Control Door Lock Receiver, G202
Keyless Entry System Circuit Description Except Luxury
Keyless Entry Components
Figure 4:

Cell 132: Rear Door Jamb Switches, G200


Object Number: 365099  Size: FS
Cell 132: Liftgate Release Motor, G105
Cell 132: Door Lock Relay, Door Lock Motors, Cargo Door Contactors,G202
Ground Distribution Schematics
Ground Distribution Schematics
Cell 132: CIG LTR Fuse, Door Lock Control Module, Cargo Door Jamb Switch,G400
Figure 5:

Cell 132: Liftgate Release Motor, G105


Object Number: 365105  Size: FS
Cell 132: Rear Door Jamb Switches, G200
Ground Distribution Schematics
Release Systems Schematics
Cell 132: GAUGES Fuse, PWR-ACCY Circuit Breaker, Remote Control Door Lock Receiver, G202

Keyless Entry Schematics Luxury

Figure 1:

Door Lock Switches and Relays


Object Number: 319495  Size: FS
Cell 10: LIGHTING and BATTERY Fuses
Cell 10: LIGHTING and BATTERY Fuses
Cell 10: AUX Fuse and PWR-ACCY Circuit Breaker
Door Lock Motors
Cell 134: CIG LTR Fuse, Liftgate Release Switch, Park/Neutral Postion Switch (Luxury)
Keyless Entry Components
Keyless Entry System Circuit Description Luxury
Door Lock Motors
Door Lock Motors
Handling ESD Sensitive Parts Notice
Figure 2:

Door Lock Motors


Object Number: 319497  Size: FS
Handling ESD Sensitive Parts Notice
Handling ESD Sensitive Parts Notice
Door Lock Switches and Relays
Door Lock Switches and Relays
Door Lock Switches and Relays
Door Lock Switches and Relays
Door Lock Switches and Relays
Door Lock Switches and Relays
Cell 14: G400