GM Service Manual Online
For 1990-2009 cars only
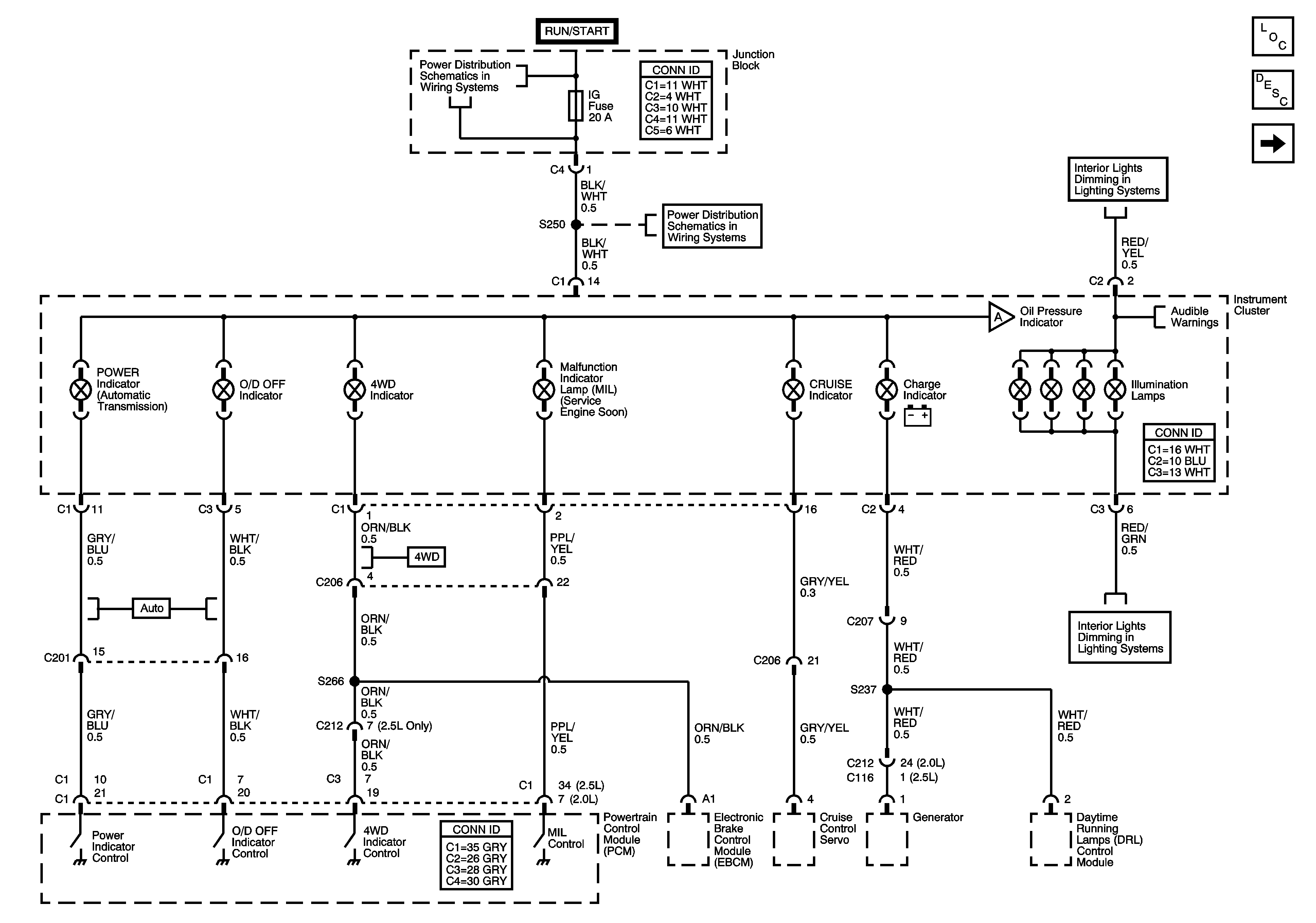
Figure 1:

Power, O/D OFF, 4WD, MIL, CRUISE, Charge Indicators


Object Number: 883533  Size: FS
Master Electrical Component List
Instrument Cluster Description and Operation
Oil Pressure Indicator, ECT, Fuel Gauges, Tachometer
TURN, WIP Fuses
TURN, WIP Fuses
Instrument Panel Lamp Dimmer Control
Multifunction Alarm Module, Seat Belt Signal, Door Open Signal
Electronic Brake Control Module (EBCM), ABS Indicator, Accelerometer
Cruise Indicator, Cruise Servo, Cruise Main Switch, Cruise Mode Switch
Charging System
Instrument Panel Lamp Dimmer Control
Figure 2:

Oil Pressure Indicator, ECT Gauge, Fuel Gauges, Tachometer


Object Number: 883534  Size: FS
Master Electrical Component List
Instrument Cluster Description and Operation
Cruice Control Servo, Vehicle Speed Sensor (VSS)
Power, O/D OFF, 4WD, MIL, CRUISE, Charge Indicators
G103
Figure 3:

Cruise Control Servo, Vehicle Speed Sensor (VSS)


Object Number: 883535  Size: FS
Master Electrical Component List
Instrument Cluster Description and Operation
Speedometer
Oil Pressure Indicator, ECT, Fuel Gauges, Tachometer
BATT, ABS, FI, ACC Fuses
Main Relay, Powertrian Control Module (PCM) Power and Ground
Main Relay, Powertrain Control Module (PCM) Power and Ground
G103
Figure 4:

Speedometer


Object Number: 883536  Size: FS
Master Electrical Component List
Instrument Cluster Description and Operation
ABS, Brake, Seat Belt, Air Bag Indicators
Cruice Control Servo, Vehicle Speed Sensor (VSS)
HAZ, D/L, TAIL, STOP, DOME Fuses
HAZ, D/L, TAIL, STOP, DOME Fuses
G103
Figure 5:

ABS, Brake, Seat Belt, Air Bag Indicators


Object Number: 883537  Size: FS
Master Electrical Component List
Instrument Cluster Description and Operation
Turn Indicators, High Beam Indicator
Speedometer
Electronic Brake Control Module (EBCM), ABS Indicator, Accelerometer
Brake Warning Schematic
SIR Schematics
S248
G200
G400 and G401
Figure 6:

Turn Indicators, High Beam Indicator


Object Number: 883538  Size: FS
Master Electrical Component List
Instrument Cluster Description and Operation
ABS, Brake, Seat Belt, Air Bag Indicators
Hazard Switch, Turn/Hazard Flasher, Turn Indicators
S248
G200
G200
Headlamps, Headlamp Switch, DRL Diode
Headlamps, Headlamp Switch, DRL Diode