GM Service Manual Online
For 1990-2009 cars only
Makes
🢒
Chevrolet
🢒
2008
🢒
Vivant
🢒
Driver Information and Entertainment
🢒
Cellular, Entertainment, and Navigation
🢒 Radio/Navigation System Schematics
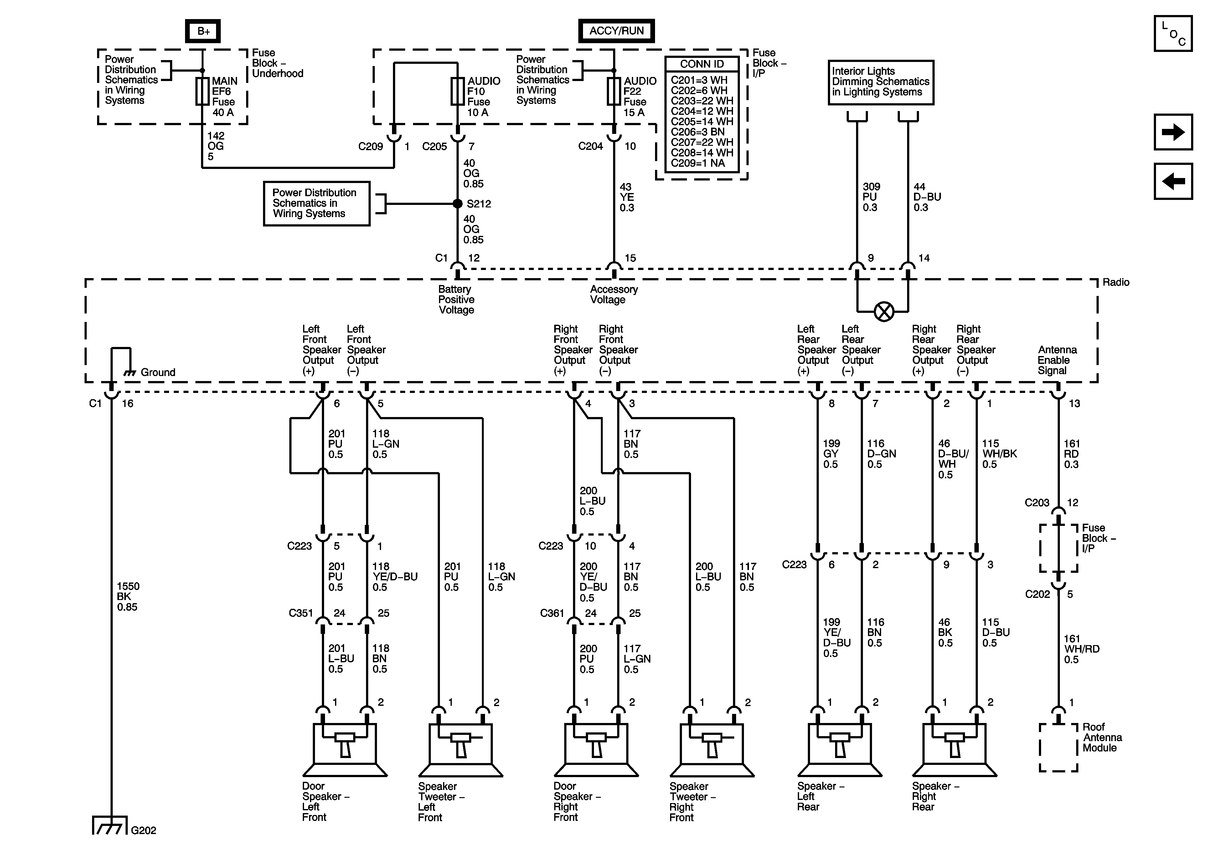
Figure
1:
LHD w/ RDS
Master Electrical Component List
LHD w/o RDS
Fuse Block - Underhood MAIN Fuse, Fuse Block - I/P SUNROOF, STOP LAMP, ROOM LAMP, ALDL Fuses
Fuse Block - I/P AUDIO, CIGAR LIGHTER Fuses
IP Illumination (w/ Dimming (LHD))
Fuse Block - I/P AUDIO, CIGAR LIGHTER Fuses
G201, G202 (LHD)
Figure
2:
LHD w/o RDS
Master Electrical Component List
RHD w/RDS
LHD w/RDS
Fuse Block - Underhood MAIN Fuse, Fuse Block - I/P SUNROOF, STOP LAMP, ROOM LAMP, ALDL Fuses
Fuse Block - I/P AUDIO, CIGAR LIGHTER Fuses
IP Illumination (w/ Dimming (LHD))
Fuse Block - I/P AUDIO, CIGAR LIGHTER Fuses
G201, G202 (LHD)
Figure
3:
RHD w/ RDS
Master Electrical Component List
RHD w/o RDS
LHD w/o RDS
Fuse Block - Underhood MAIN Fuse, Fuse Block - I/P SUNROOF, STOP LAMP, ROOM LAMP, ALDL Fuses
Fuse Block - I/P AUDIO, CIGAR LIGHTER Fuses
IP Illumination (w/ Dimming (RHD))
Fuse Block - I/P AUDIO, CIGAR LIGHTER Fuses
Figure
4:
RHD w/o RDS
Master Electrical Component List
RHD w/RDS
Fuse Block - Underhood MAIN Fuse, Fuse Block - I/P SUNROOF, STOP LAMP, ROOM LAMP, ALDL Fuses
Fuse Block - I/P AUDIO, CIGAR LIGHTER Fuses
IP Illumination (w/ Dimming (RHD))
Fuse Block - I/P AUDIO, CIGAR LIGHTER Fuses