| Figure 1: |
G100, G101, G105
|
| Figure 2: |
S100-Export
|
| Figure 3: |
S101-Export
|
| Figure 4: |
G102, G103-Gas
|
| Figure 5: |
G102, G103, G108, and G109-Diesel
|
| Figure 6: |
G104, G106, G107
|
| Figure 7: |
G110
|
| Figure 8: |
G200-1 of 3
|
| Figure 9: |
G200-2 of 3
|
| Figure 10: |
G200-3 of 3
|
| Figure 11: |
G203-1 of 4
|
| Figure 12: |
G203-2 of 4
|
| Figure 13: |
G203-3 of 4
|
| Figure 14: |
G203-4 of 4
|
| Figure 15: |
G302
|
| Figure 16: |
G304, G305
|
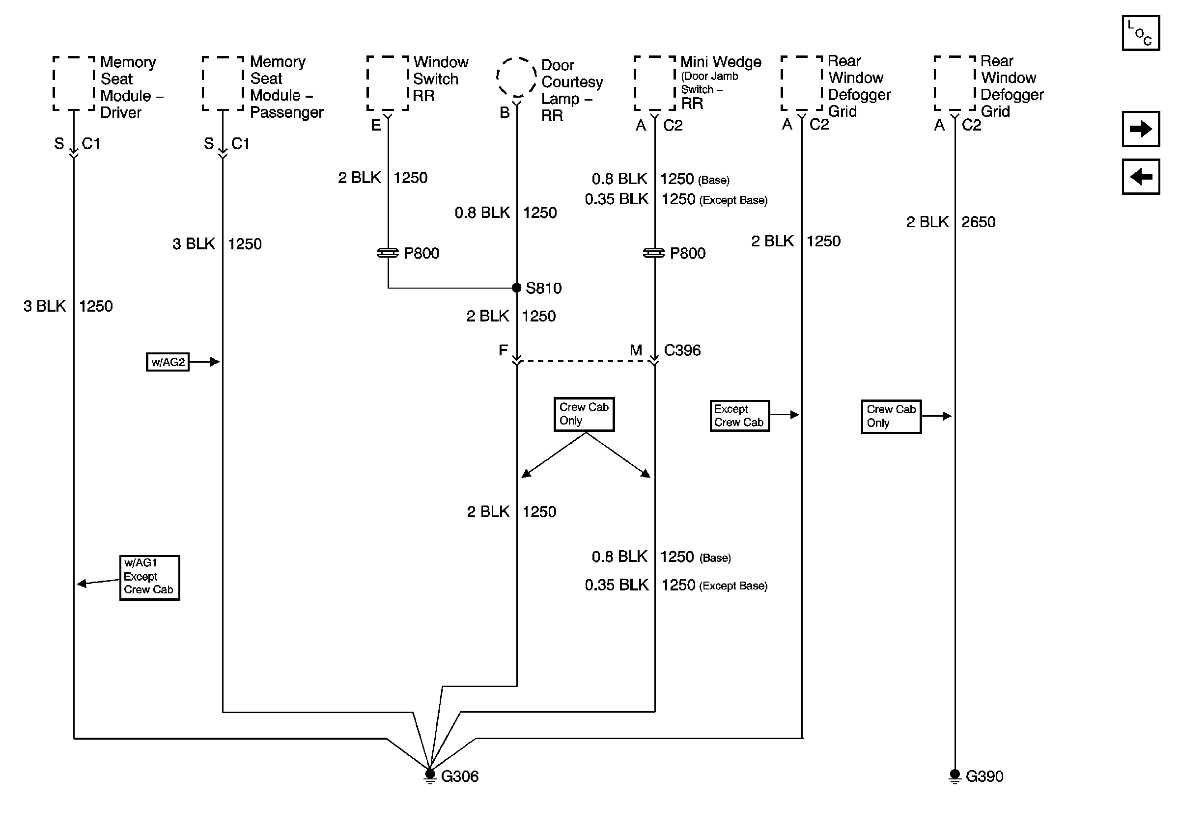
| Figure 17: |
G306, G390
|
| Figure 18: |
G401, G402
|
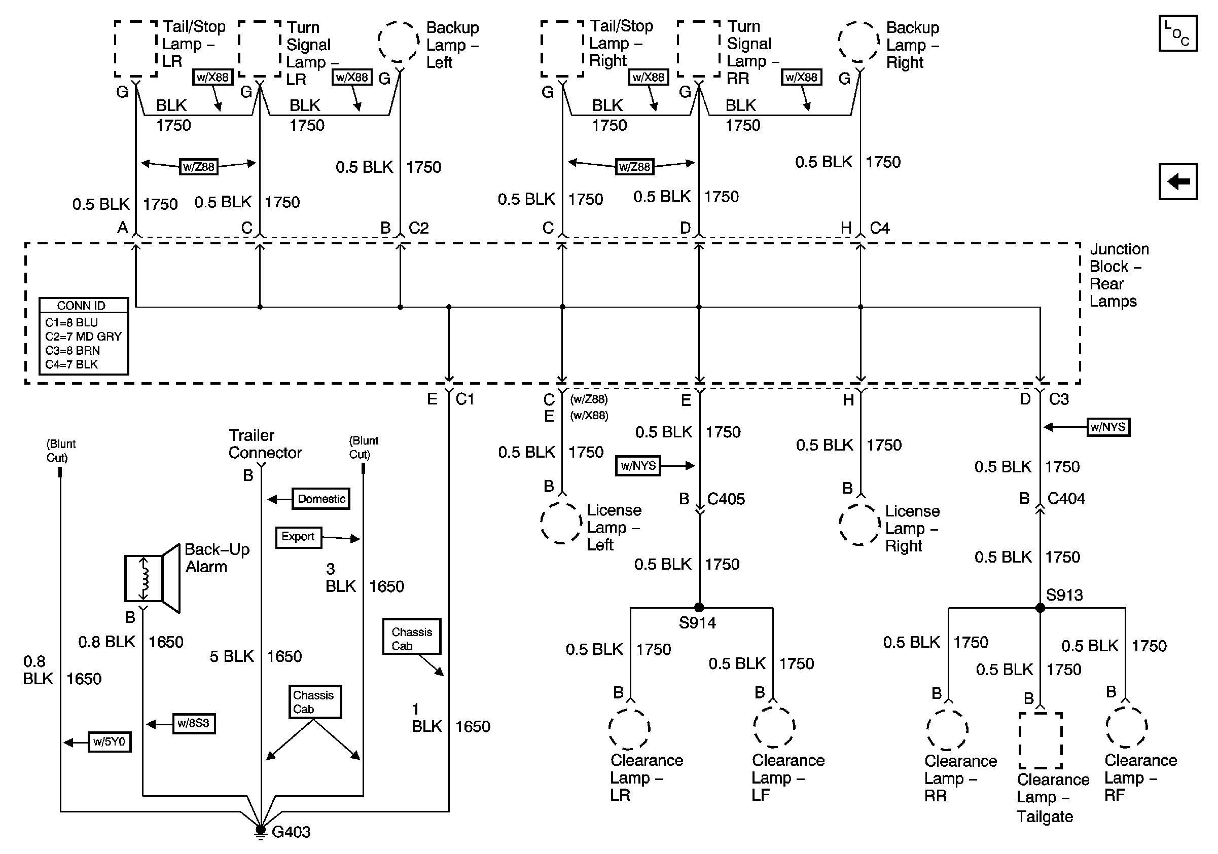
| Figure 19: |
G403
|