GM Service Manual Online
For 1990-2009 cars only
Makes
🢒
GMC_Truck
🢒
1998
🢒
Savana
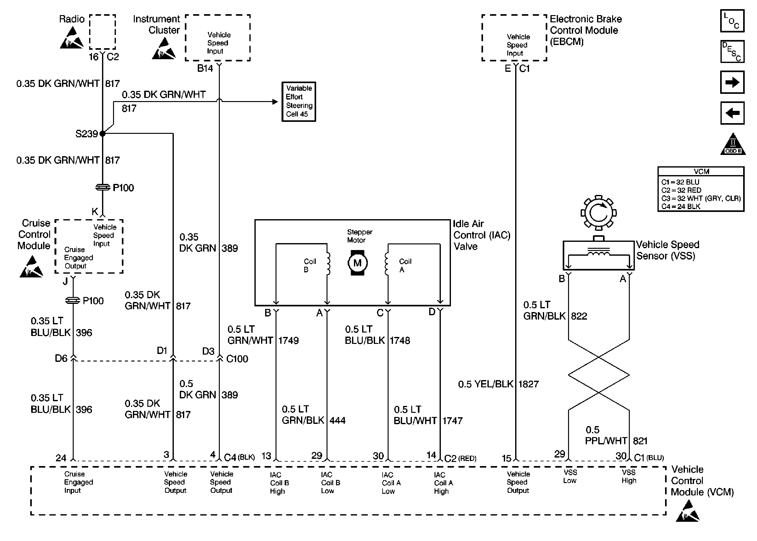
🢒 Cell 20: VSS and Cruise Controls
Cell 20: VSS and Cruise Controls
Cell 20: VSS and Cruise Controls
Engine Controls Components
Information Sensors/Switches Description
Cell 20: 4L60-E Transmission Solenoid Controls
Cell 20: Sensor Controls
OBD II Symbol Description Notice
Handling ESD Sensitive Parts Notice
Handling ESD Sensitive Parts Notice
Handling ESD Sensitive Parts Notice
Handling ESD Sensitive Parts Notice
VCM Connector End Views
Steering Assist Schematics