GM Service Manual Online
For 1990-2009 cars only
Figure 1:

Power, Ground, DLC, and MIL


Object Number: 378324  Size: FS
Cell 10: Underhood Accessory Wiring Junction Block
Cell 10: IGN 2 MaxiFuse®, and Ignition Switch
Cell 10: AIR BAG, CLUSTER, DRL, PCM BCM U/H RELAY, and TURN SIGNALSCORN LPS Fuses
Cell 10: AIR BAG, CLUSTER, DRL, PCM BCM U/H RELAY, and TURN SIGNALSCORN LPS Fuses
Cell 10: AIR BAG, CLUSTER, DRL, PCM BCM U/H RELAY, and TURN SIGNALSCORN LPS Fuses
Cell 10: ABS BCM, CD CHANGER, CIGAR LTR AUX POWER, INADV POWER BUS,and RADIO HVAC RFA CLUSTER DATA LINK Fuses
Ignition Coil/Module
Cell 10: Battery, Generator, EBTCM, and Underhood Accessory Wiring Junction Block
Handling ESD Sensitive Parts Notice
Handling ESD Sensitive Parts Notice
OBD II Symbol Description Notice
Cell 14: LH IP Ground G203
Cell 14: RH IP Ground G200
Cell 14: LX5 Engine Grounds G100, G110, and G113
Engine Controls Components
Powertrain Control Module Description
Cell 10: ABS, CRANK SIGNAL BCM CLUSTER, HEATED MIRROR, and IGN 0:CLUSTER PCM & BCM Fuses
Cell 81: Vehicle Speed Signal
Cell 50
Figure 2:

Ignition Coil/Module


Object Number: 378326  Size: FS
Cell 10: Underhood Accessory Wiring Junction Block
Cell 10: TRANS, TRANS/ABS, DFI, F/INJR (25), and OXY SEN Fuses
Cell 10: F/INJR (28) Fuse
Cell 10: Underhood Accessory Wiring Junction Block
CKP, CMP and KS
Power, Ground, DLC, and MIL
OBD II Symbol Description Notice
Cell 14: LX5 Engine Grounds G100, G110, and G113
Handling ESD Sensitive Parts Notice
Engine Controls Components
Powertrain Control Module Description
Figure 3:

CKP, CMP and KS


Object Number: 260026  Size: FS
Fuel Pump and Fuel Level Sensors
Ignition Coil/Module
OBD II Symbol Description Notice
Handling ESD Sensitive Parts Notice
Engine Controls Components
Powertrain Control Module Description
Figure 4:

Fuel Pump and Fuel Level Sensors


Object Number: 378362  Size: FS
Cell 10: Underhood Accessory Wiring Junction Block
Fuel Injectors
CKP, CMP and KS
OBD II Symbol Description Notice
Handling ESD Sensitive Parts Notice
Cell 14: LX5 Engine Grounds G100, G110, and G113
Cell 14: LX5 Engine Grounds G100, G110, and G113
Cell 14: RH Body Ground G302 (cont.)
Engine Data Sensors
Engine Data Sensors
Engine Controls Components
Powertrain Control Module Description
Figure 5:

Fuel Injectors


Object Number: 378365  Size: FS
Cell 10: F/INJR (28) Fuse
Cell 10: Underhood Accessory Wiring Junction Block
Cell 10: TRANS, TRANS/ABS, DFI, F/INJR (25), and OXY SEN Fuses
Handling ESD Sensitive Parts Notice
OBD II Symbol Description Notice
Fuel Pump and Fuel Level Sensors
Engine Data Sensors
Engine Controls Components
Powertrain Control Module Description
Figure 6:

Engine Data Sensors


Object Number: 378367  Size: FS
Handling ESD Sensitive Parts Notice
Handling ESD Sensitive Parts Notice
Heated Oxygen Sensor (HO2S) #1 and #2
Fuel Injectors
OBD II Symbol Description Notice
Automatic Transaxle Controls 2 of 2
Fuel Pump and Fuel Level Sensors
EVAP and EGR
Engine Controls Components
Powertrain Control Module Description
Figure 7:

Heated Oxygen Sensor (HO2S) #1 and #2


Object Number: 378369  Size: FS
Cell 10: Underhood Accessory Wiring Junction Block
Cell 14: LX5 Engine Ground G117
Handling ESD Sensitive Parts Notice
OBD II Symbol Description Notice
Engine Data Sensors
IAC and MAF
Engine Controls Components
Powertrain Control Module Description
Figure 8:

IAC and MAF


Object Number: 378372  Size: FS
Engine Controls Components
Powertrain Control Module Description
Cruise Control Module and VSS
Heated Oxygen Sensor (HO2S) #1 and #2
Handling ESD Sensitive Parts Notice
Powertrain Control Module Connector End Views
Handling ESD Sensitive Parts Notice
Cell 14: LX5 Engine Grounds G100, G110, and G113
Cell 14: LX5 Engine Grounds G100, G110, and G113
Cell 10: Underhood Accessory Wiring Junction Block
Cell 10: ENG EMIS Fuse
Cell 10: Underhood Accessory Wiring Junction Block
Figure 9:

Cruise Control Module and VSS


Object Number: 378375  Size: FS
Engine Controls Components
Powertrain Control Module Description
Handling ESD Sensitive Parts Notice
EVAP and EGR
IAC and MAF
Handling ESD Sensitive Parts Notice
Handling ESD Sensitive Parts Notice
Handling ESD Sensitive Parts Notice
Handling ESD Sensitive Parts Notice
Powertrain Control Module Connector End Views
Figure 10:

EVAP and EGR


Object Number: 378377  Size: FS
Engine Controls Components
Powertrain Control Module Description
Indicators
Cruise Control Module and VSS
Handling ESD Sensitive Parts Notice
Powertrain Control Module Connector End Views
Engine Data Sensors
Handling ESD Sensitive Parts Notice
Cell 10: ENG EMIS Fuse
Cell 10: Underhood Accessory Wiring Junction Block
Figure 11:

Indicators


Object Number: 378380  Size: FS
Cell 10: IGN 2 MaxiFuse®, and Ignition Switch
Engine Controls Components
Powertrain Control Module Description
Powertrain Control Module Connector End Views
Cell 50
Transaxle Range Switch
EVAP and EGR
Handling ESD Sensitive Parts Notice
Handling ESD Sensitive Parts Notice
Handling ESD Sensitive Parts Notice
Cell 14: LX5 Engine Grounds G100, G110, and G113
Cell 14: LX5 Engine Grounds G100, G110, and G113
Cell 14: LX5 Engine Grounds G100, G110, and G113
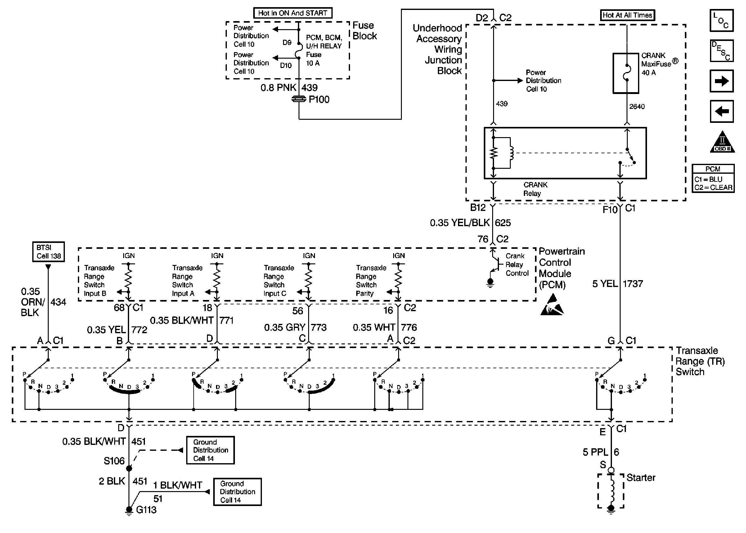
Figure 12:

Transaxle Range Switch


Object Number: 378384  Size: FS
Cell 10: IGN 2 MaxiFuse®, and Ignition Switch
Engine Controls Components
Powertrain Control Module Description
Powertrain Control Module Connector End Views
Cell 138: BTSI, Transaxle Range Switch and Ground Distribution
Cell 10: AIR BAG, CLUSTER, DRL, PCM BCM U/H RELAY, and TURN SIGNALSCORN LPS Fuses
Cell 10: AIR BAG, CLUSTER, DRL, PCM BCM U/H RELAY, and TURN SIGNALSCORN LPS Fuses
Cell 14: LX5 Engine Grounds G100, G110, and G113
Cell 14: LX5 Engine Grounds G100, G110, and G113
Handling ESD Sensitive Parts Notice
Handling ESD Sensitive Parts Notice
Indicators
Automatic Transaxle Controls 1 of 2
Figure 13:

Automatic Transaxle Controls 1 of 2


Object Number: 260054  Size: FS
Engine Controls Components
Powertrain Control Module Description
Powertrain Control Module Connector End Views
Automatic Transaxle Controls 2 of 2
Transaxle Range Switch
Handling ESD Sensitive Parts Notice
Handling ESD Sensitive Parts Notice
Handling ESD Sensitive Parts Notice
Figure 14:

Automatic Transaxle Controls 2 of 2


Object Number: 378390  Size: FS
Cell 10: Underhood Accessory Wiring Junction Block
Cell 10: Underhood Accessory Wiring Junction Block
Cell 10: ENG EMIS Fuse
Cell 10: TRANS, TRANS/ABS, DFI, F/INJR (25), and OXY SEN Fuses
Engine Data Sensors
Handling ESD Sensitive Parts Notice
Handling ESD Sensitive Parts Notice
Engine Controls Components
Powertrain Control Module Description
Powertrain Control Module Connector End Views
Automatic Transaxle Controls 1 of 2
A/C Compressor Controls
Figure 15:

A/C Compressor Controls


Object Number: 378392  Size: FS
Cell 10: IGN 1 MaxiFuse®, and Ignition Switch
Cell 10: AIR BAG, CLUSTER, DRL, PCM BCM U/H RELAY, and TURN SIGNALSCORN LPS Fuses
Cell 10: AIR BAG, CLUSTER, DRL, PCM BCM U/H RELAY, and TURN SIGNALSCORN LPS Fuses
Cell 10: Underhood Accessory Wiring Junction Block
Cell 10: Underhood Accessory Wiring Junction Block
Cell 10: CRUISE, HVAC, and LOW BLOWER Fuses
Cell 10: IGN 2 MaxiFuse®, and Ignition Switch
Cell 14: LX5 Engine Grounds G100, G110, and G113
Cell 14: LX5 Engine Grounds G100, G110, and G113
Cell 14: LX5 Engine Grounds G100, G110, and G113
Handling ESD Sensitive Parts Notice
Cell 14: LX5 Engine Ground G117
Cell 14: LX5 Engine Ground G117
Handling ESD Sensitive Parts Notice
Engine Controls Components
Powertrain Control Module Description
Powertrain Control Module Connector End Views
Automatic Transaxle Controls 2 of 2
Cooling Fans Controls
Figure 16:

Cooling Fans Controls


Object Number: 378393  Size: FS
Cell 10: Underhood Accessory Wiring Junction Block
Cell 14: LX5 Engine Ground G117
Cell 14: LX5 Engine Ground G117
Handling ESD Sensitive Parts Notice
Handling ESD Sensitive Parts Notice
A/C Compressor Controls
Engine Controls Components
Powertrain Control Module Connector End Views
Powertrain Control Module Description
Handling ESD Sensitive Parts Notice