GM Service Manual Online
For 1990-2009 cars only
Figure 1:

Front Parklamps - Chevrolet - Domestic and Gulf


Object Number: 774504  Size: FS
Master Electrical Component List
Exterior Lighting Systems Description and Operation
Rear Parklamps Chevrolet Domestic and Gulf
I/P-2,TAIL LPS, STOP/HAZARD,PWR ACCY and CIG/ACCY Fuses
Rear Parklamps Chevrolet Domestic and Gulf
G106
G105
Figure 2:

Rear Parklamps - Chevrolet - Domestic and Gulf


Object Number: 774505  Size: FS
Master Electrical Component List
Exterior Lighting Systems Description and Operation
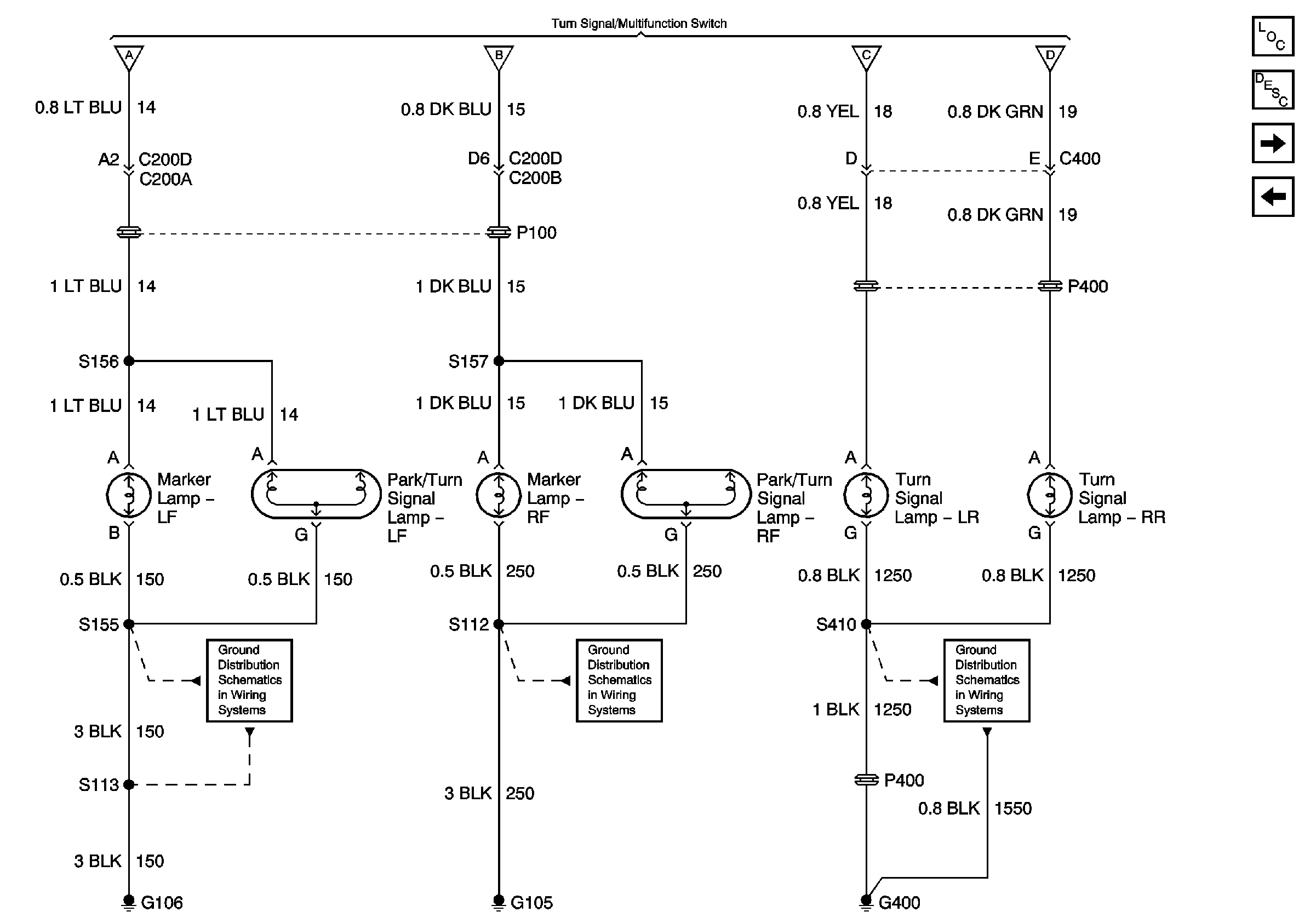
Turn Signal Control Chevrolet Domestic and Gulf
Front Parklamps Chevrolet Domestic and Gulf
Front Parklamps Chevrolet Domestic and Gulf
G400 Chevrolet
Figure 3:

Turn Signal Controls - Chevrolet - Domestic and Gulf


Object Number: 774470  Size: FS
Master Electrical Component List
Exterior Lighting Systems Description and Operation
Turn Signal Lamps Chevrolet Domestic and Gulf
Rear Parklamps Chevrolet Domestic and Gulf
I/P-2,TAIL LPS, STOP/HAZARD,PWR ACCY and CIG/ACCY Fuses
I/P-2,TAIL LPS, STOP/HAZARD,PWR ACCY and CIG/ACCY Fuses
HVAC and TURN B/U Fuses
Turn Signal Lamps Chevrolet Domestic and Gulf
Turn Signal Lamps Chevrolet Domestic and Gulf
Turn Signal Lamps Chevrolet Domestic and Gulf
Turn Signal Lamps Chevrolet Domestic and Gulf
Turn Signal Lamps Chevrolet Domestic and Gulf
Turn Signal Lamps Chevrolet Domestic and Gulf
Figure 4:

Turn Signal Lamps - Chevrolet - Domestic and Gulf


Object Number: 813116  Size: FS
Master Electrical Component List
Exterior Lighting Systems Description and Operation
Stoplamps Chevrolet Domestic and Gulf
Turn Signal Control Chevrolet Domestic and Gulf
Turn Signal Control Chevrolet Domestic and Gulf
Turn Signal Control Chevrolet Domestic and Gulf
Turn Signal Control Chevrolet Domestic and Gulf
Turn Signal Control Chevrolet Domestic and Gulf
Turn Signal Control Chevrolet Domestic and Gulf
Turn Signal Control Chevrolet Domestic and Gulf
Lamp Indicators
G106
G105
G200 Page 1 of 3
G400 Chevrolet
Figure 5:

Stoplamps - Chevrolet - Domestic and Gulf


Object Number: 774473  Size: FS
Master Electrical Component List
Exterior Lighting Systems Description and Operation
Front Park Lamps Pontiac
Turn Signal Lamps Chevrolet Domestic and Gulf
I/P-2,TAIL LPS, STOP/HAZARD,PWR ACCY and CIG/ACCY Fuses
I/P-2,TAIL LPS, STOP/HAZARD,PWR ACCY and CIG/ACCY Fuses
Engine Data Sensors-Electronic Throttle Controls
G400 Chevrolet
G305, G310, G320
Figure 6:

Front Park Lamps - Pontiac


Object Number: 774508  Size: FS
Master Electrical Component List
Exterior Lighting Systems Description and Operation
Rear Park Lamps Pontiac
Stoplamps Chevrolet Domestic and Gulf
I/P-2,TAIL LPS, STOP/HAZARD,PWR ACCY and CIG/ACCY Fuses
Rear Park Lamps Pontiac
G106
G105
Figure 7:

Rear Park Lamps - Pontiac


Object Number: 774509  Size: FS
Master Electrical Component List
Exterior Lighting Systems Description and Operation
Turn Signal Controls Pontiac
Front Park Lamps Pontiac
Front Park Lamps Pontiac
G400 Chevrolet
Figure 8:

Turn Signal Controls - Pontiac


Object Number: 813137  Size: FS
Master Electrical Component List
Exterior Lighting Systems Description and Operation
Turn Signal Lamps Pontiac
Rear Park Lamps Pontiac
I/P-2,TAIL LPS, STOP/HAZARD,PWR ACCY and CIG/ACCY Fuses
I/P-2,TAIL LPS, STOP/HAZARD,PWR ACCY and CIG/ACCY Fuses
HVAC and TURN B/U Fuses
Turn Signal Lamps Pontiac
Turn Signal Lamps Pontiac
Turn Signal Lamps Pontiac
Turn Signal Lamps Pontiac
Turn Signal Lamps Pontiac
Turn Signal Lamps Pontiac
Figure 9:

Turn Signal Lamps - Pontiac


Object Number: 813138  Size: FS
Master Electrical Component List
Exterior Lighting Systems Description and Operation
Stoplamps Pontiac
Turn Signal Controls Pontiac
Turn Signal Controls Pontiac
Turn Signal Controls Pontiac
Turn Signal Controls Pontiac
Turn Signal Controls Pontiac
Turn Signal Controls Pontiac
Turn Signal Controls Pontiac
G106
G105
G200 Page 1 of 3
G400 Chevrolet
Figure 10:

Stoplamps - Pontiac


Object Number: 774507  Size: FS
Master Electrical Component List
Exterior Lighting Systems Description and Operation
Parklamps Chevrolet Europe and Scandanavia
Turn Signal Lamps Pontiac
I/P-2,TAIL LPS, STOP/HAZARD,PWR ACCY and CIG/ACCY Fuses
I/P-2,TAIL LPS, STOP/HAZARD,PWR ACCY and CIG/ACCY Fuses
Engine Data Sensors-Electronic Throttle Controls
G400 Chevrolet
G305, G310, G320
Figure 11:

Parklamps - Chevrolet - Europe and Scandanavia


Object Number: 774468  Size: FS
Master Electrical Component List
Exterior Lighting Systems Description and Operation
Turn Signal Control Chevrolet Europe and Scandinavia
Stoplamps Pontiac
I/P-2,TAIL LPS, STOP/HAZARD,PWR ACCY and CIG/ACCY Fuses
Power,Ground and Headlight Switch Control Chevrolet Scandanavia
Chevrolet (Europe)
G400 Chevrolet
G400 Chevrolet
Figure 12:

Turn Signal Controls - Chevrolet - Europe and Scandanavia


Object Number: 774466  Size: FS
Master Electrical Component List
Exterior Lighting Systems Description and Operation
Turn Signal Lamps Chevrolet Europe and Scandanavia
Parklamps Chevrolet Europe and Scandanavia
I/P-2,TAIL LPS, STOP/HAZARD,PWR ACCY and CIG/ACCY Fuses
HVAC and TURN B/U Fuses
I/P-2,TAIL LPS, STOP/HAZARD,PWR ACCY and CIG/ACCY Fuses
HVAC and TURN B/U Fuses
Turn Signal Lamps Chevrolet Europe and Scandanavia
Lamp Indicators
Turn Signal Lamps Chevrolet Europe and Scandanavia
Turn Signal Lamps Chevrolet Europe and Scandanavia
Turn Signal Lamps Chevrolet Europe and Scandanavia
G200 Page 1 of 3
G200 Page 1 of 3
Figure 13:

Turn Signal Lamps - Chevrolet - Europe and Scandanavia


Object Number: 813139  Size: FS
Master Electrical Component List
Interior Lighting Systems Description and Operation
Stoplamps Chevrolet Europe and Scandanavia
Turn Signal Control Chevrolet Europe and Scandinavia
Turn Signal Control Chevrolet Europe and Scandinavia
Turn Signal Control Chevrolet Europe and Scandinavia
Turn Signal Control Chevrolet Europe and Scandinavia
Turn Signal Control Chevrolet Europe and Scandinavia
G106
G105
G400 Chevrolet
Figure 14:

Stoplamps - Chevrolet - Europe and Scandanavia


Object Number: 774467  Size: FS
Master Electrical Component List
Exterior Lighting Systems Description and Operation
Front Park Lamps Chevrolet Japan
Turn Signal Lamps Chevrolet Europe and Scandanavia
I/P-2,TAIL LPS, STOP/HAZARD,PWR ACCY and CIG/ACCY Fuses
I/P-2,TAIL LPS, STOP/HAZARD,PWR ACCY and CIG/ACCY Fuses
Engine Data Sensors-Electronic Throttle Controls
G400 Chevrolet
G305, G310, G320
G400 Coupe and Convertible
Figure 15:

Front Park Lamps - Chevrolet - Japan


Object Number: 774409  Size: FS
Master Electrical Component List
Exterior Lighting Systems Description and Operation
Rear Park Lamps Chevrolet Japan
Stoplamps Chevrolet Europe and Scandanavia
I/P-2,TAIL LPS, STOP/HAZARD,PWR ACCY and CIG/ACCY Fuses
Rear Park Lamps Chevrolet Japan
G106
G105
Figure 16:

Rear Park Lamps - Chevrolet - Japan


Object Number: 774463  Size: FS
Master Electrical Component List
Exterior Lighting Systems Description and Operation
Turn Signal Controls Chevrolet Japan
Front Park Lamps Chevrolet Japan
Front Park Lamps Chevrolet Japan
G400 Chevrolet
Figure 17:

Turn Signal Controls - Chevrolet - Japan


Object Number: 813141  Size: FS
Master Electrical Component List
Interior Lighting Systems Description and Operation
Turn Signal Lamps Chevrolet Japan
Rear Park Lamps Chevrolet Japan
I/P-2,TAIL LPS, STOP/HAZARD,PWR ACCY and CIG/ACCY Fuses
I/P-2,TAIL LPS, STOP/HAZARD,PWR ACCY and CIG/ACCY Fuses
HVAC and TURN B/U Fuses
Turn Signal Lamps Chevrolet Japan
Turn Signal Lamps Chevrolet Japan
Turn Signal Lamps Chevrolet Japan
Turn Signal Lamps Chevrolet Japan
Figure 18:

Turn Signal Lamps - Chevrolet - Japan


Object Number: 813142  Size: FS
Master Electrical Component List
Interior Lighting Systems Description and Operation
Stoplamps Chevrolet Japan
Turn Signal Controls Chevrolet Japan
Turn Signal Controls Chevrolet Japan
Turn Signal Controls Chevrolet Japan
Turn Signal Controls Chevrolet Japan
Turn Signal Controls Chevrolet Japan
Lamp Indicators
G400 Chevrolet
G106
G200 Page 1 of 3
G105
G400 Chevrolet
Figure 19:

Stoplamps - Chevrolet - Japan


Object Number: 774460  Size: FS
Master Electrical Component List
Exterior Lighting Systems Description and Operation
Backup Lamps
Turn Signal Lamps Chevrolet Japan
I/P-2,TAIL LPS, STOP/HAZARD,PWR ACCY and CIG/ACCY Fuses
I/P-2,TAIL LPS, STOP/HAZARD,PWR ACCY and CIG/ACCY Fuses
Engine Data Sensors-Electronic Throttle Controls
G400 Chevrolet
G305, G310, G320
G400 Coupe and Convertible
Figure 20:

Backup Lamps


Object Number: 774511  Size: FS
Master Electrical Component List
Exterior Lighting Systems Description and Operation
Stoplamps Chevrolet Japan
HVAC and TURN B/U Fuses
HVAC and TURN B/U Fuses
G400 Chevrolet