GM Service Manual Online
For 1990-2009 cars only
Figure 1:

Module Power, Ground, Serial Data, and MIL


Object Number: 1614390  Size: FS
Master Electrical Component List
Engine Control Module Description
Control Module References
Fuse Block Underhood - PWR/TRN Relay - 1 of 2
Engine Controls Schematic Icons
EAP, ECM, PCMB, TBC I, and TCM CNSTR Fuses
G104, G105 and G107
B+ Bus - Underhood Fuse Block - 2 of 2
BCK/UP, BTSI, IGN E, and TRLR BCK/UP Fuses
BCK/UP, BTSI, IGN E, and TRLR BCK/UP Fuses
Ignition Switch - ACCY/RUN/START, RUN, START Bus Bars and IGNA1 Fuse
B+ Bus - Rear Fuse Block
G104, G105 and G107
Power, Ground, Serial Data, and MIL
BCK/UP, BTSI, IGN E, and TRLR BCK/UP Fuses
G201 - 1 of 2
4WD, BRK, FRT WPR, HVAC I, IGN 0, and TCM Fuses
G108
SP 205
Power, Ground, Data Link Connector
Figure 2:

Fuse Block - Underhood - PWR/TRN Relay - 1 of 2


Object Number: 1614391  Size: FS
Master Electrical Component List
Fuel System Description
Control Module References
Fuse Block Underhood - PWR/TRN Relay - 2 of 2
Module Power, Ground, Serial Data and MIL
Engine Controls Schematic Icons
B+ Bus - Underhood Fuse Block - 2 of 2
ENG I, INJA, INJB, O2 SNSR A, and O2 SNSR B Fuses - 5.3L
Figure 3:

Fuse Block - Underhood - PWR/TRN Relay - 2 of 2


Object Number: 1614392  Size: FS
Master Electrical Component List
Engine Control Module Description
Control Module References
Engine Data Sensors - 5-Volt and Low References
Fuse Block Underhood - PWR/TRN Relay - 1 of 2
Engine Controls Schematic Icons
ENG I, INJA, INJB, O2 SNSR A, and O2 SNSR B Fuses - 5.3L
B+ Bus - Underhood Fuse Block - 2 of 2
Figure 4:

Engine Data Sensors - 5-Volt and Low Reference


Object Number: 1614393  Size: FS
Master Electrical Component List
Engine Control Module Description
Control Module References
Engine Data Sensors - MAF, Pressure and Temperature
Fuse Block Underhood - PWR/TRN Relay - 2 of 2
Engine Controls Schematic Icons
Figure 5:

Engine Data Sensors - MAF, Pressure and Temperature


Object Number: 1614394  Size: FS
Master Electrical Component List
Air Intake System Description
Control Module References
Engine Data Sensors - Oxygen Sensors
Engine Data Sensors - 5-Volt and Low References
Engine Controls Schematic Icons
Fuse Block Underhood - PWR/TRN Relay - 2 of 2
ENG I, INJA, INJB, O2 SNSR A, and O2 SNSR B Fuses - 5.3L
Gages
G108
Figure 6:

Engine Data Sensors - Oxygen Sensors


Object Number: 1614395  Size: FS
Master Electrical Component List
Engine Control Module Description
Control Module References
Engine Data Sensors - Throttle Actuator Controls
Engine Data Sensors - MAF, Pressure and Temperature
Engine Controls Schematic Icons
Fuse Block Underhood - PWR/TRN Relay - 2 of 2
Fuse Block Underhood - PWR/TRN Relay - 2 of 2
G108
Figure 7:

Engine Data Sensors - Throttle Actuator Controls


Object Number: 1614396  Size: FS
Master Electrical Component List
Throttle Actuator Control (TAC) System Description
Control Module References
Ignition Controls - Ignition System Coils 1, 3, 5, 7
Engine Data Sensors - Oxygen Sensors
Engine Controls Schematic Icons
Cruise Control - 5.3L
Figure 8:

Ignition Controls - Ignition System Coils 1, 3, 5, 7


Object Number: 1614398  Size: FS
Master Electrical Component List
Engine Control Module Description
Control Module References
Ignition Controls - Ignition System Coils 2, 4, 6, 8
Engine Data Sensors - Throttle Actuator Controls
Engine Controls Schematic Icons
Fuse Block Underhood - PWR/TRN Relay - 1 of 2
ENG I, INJA, INJB, O2 SNSR A, and O2 SNSR B Fuses - 5.3L
G109
Figure 9:

Ignition Controls - Ignition System Coils 2, 4, 6, 8


Object Number: 1614399  Size: FS
Master Electrical Component List
Engine Control Module Description
Control Module References
Ignition Controls - Sensors and DOD Controls
Ignition Controls - Ignition System Coils 1, 3, 5, 7
Engine Controls Schematic Icons
Fuse Block Underhood - PWR/TRN Relay - 1 of 2
ENG I, INJA, INJB, O2 SNSR A, and O2 SNSR B Fuses - 5.3L
G109
Figure 10:

Ignition Controls -- Sensors and DOD controls


Object Number: 1719207  Size: FS
Master Electrical Component List
Knock Sensor (KS) System Description
Control Module References
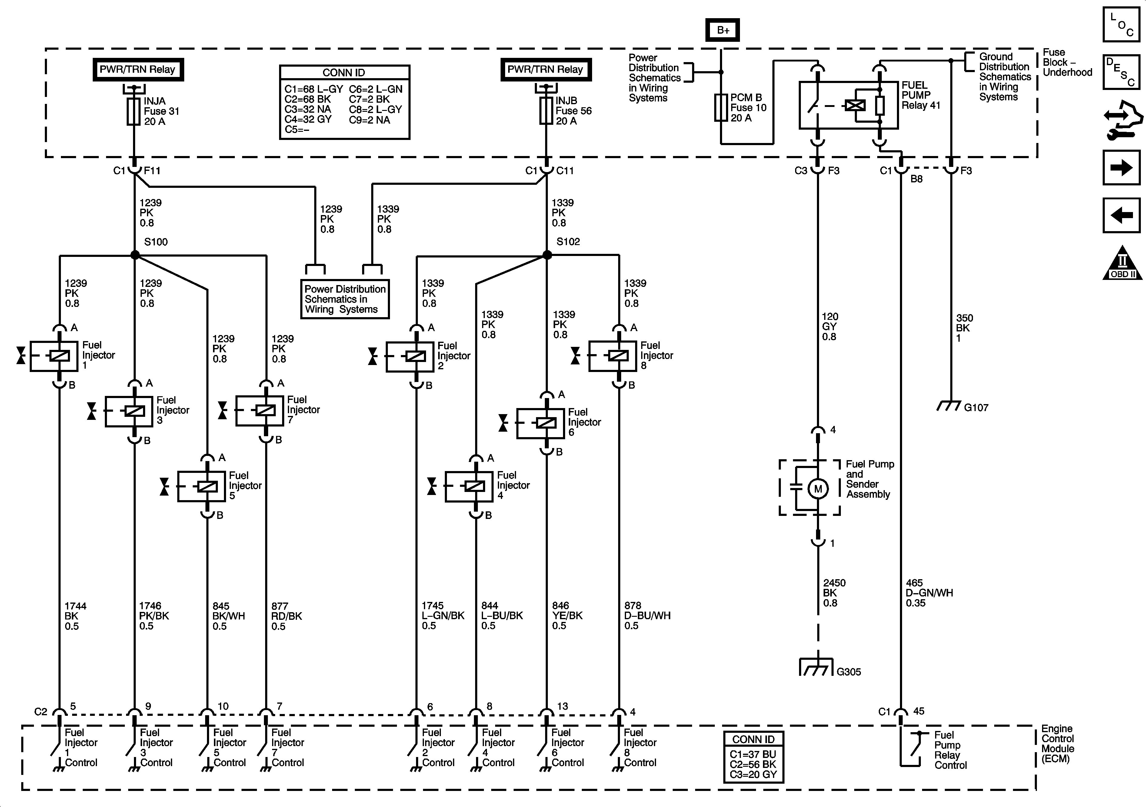
Fuel Controls - Fuel Pump Controls and Fuel Injectors
Ignition Controls - Ignition System Coils 2, 4, 6, 8
Engine Controls Schematic Icons
Fuse Block Underhood - PWR/TRN Relay - 2 of 2
ENG I, INJA, INJB, O2 SNSR A, and O2 SNSR B Fuses - 5.3L
Engine Controls Schematic Icons
Figure 11:

Fuel Controls - Fuel Pump Controls and Fuel Injectors


Object Number: 1614404  Size: FS
Master Electrical Component List
Fuel System Description
Control Module References
Fuel Controls - EVAP Controls
Ignition Controls - Sensors and DOD Controls
Engine Controls Schematic Icons
Fuse Block Underhood - PWR/TRN Relay - 1 of 2
Fuse Block Underhood - PWR/TRN Relay - 1 of 2
B+ Bus - Underhood Fuse Block - 2 of 2
G104, G105 and G107
ENG I, INJA, INJB, O2 SNSR A, and O2 SNSR B Fuses - 5.3L
G201 - 2 of 2 and G305
Figure 12:

Fuel Controls - EVAP Controls


Object Number: 1614406  Size: FS
Master Electrical Component List
Evaporative Emission Control System Description
Control Module References
Controlled/Monitored Subsystem References
Fuel Controls - Fuel Pump Controls and Fuel Injectors
Engine Controls Schematic Icons
Fuel Gage
Fuse Block Underhood - PWR/TRN Relay - 2 of 2
ENG I, INJA, INJB, O2 SNSR A, and O2 SNSR B Fuses - 5.3L
B+ Bus - Underhood Fuse Block - 1 of 2
EAP, ECM, PCMB, TBC I, and TCM CNSTR Fuses
Figure 13:

Controlled/Monitored Subsystem References


Object Number: 1614432  Size: FS
Master Electrical Component List
Engine Control Module Description
Control Module References
Fuel Controls - EVAP Controls
Engine Controls Schematic Icons
Gages
Fuel Gage
Gages
Compressor Controls
Engine Cooling Schematics
Charging System
Starting System
EBCM, Power, Ground, Serial Data, Indicator, and Signal Circuits
Pressure Controls, Temperature, and VSS
Engine Cooling Schematics