GM Service Manual Online
For 1990-2009 cars only

Automatic Transmission Controls Schematics 4.2L

Figure 1:

Shift Control and Stop Lamp Switch


Object Number: 1749280  Size: FS
Master Electrical Component List
Electronic Component Description (PCM)
Control Module References
Pressure Controls, Temperature, and VSS
G104, G105, and G107
B+ BUS - Underhood Fuse Block - 2 of 2
B+ BUS - Underhood Fuse Block - 2 of 2
BCK/UP, BTSI, IGN E, and TRLR BCK/UP Fuses
BCK/UP, BTSI, IGN E, and TRLR BCK/UP Fuses
BCK/UP, BTSI, IGN E, and TRLR BCK/UP Fuses
Ignition Switch - ACCY/RUN/START, RUN, START Bus Bars, and IGNA1 Fuse
B+ BUS - Rear Fuse Block
G201 - 1 of 2
4WD, BRK, FRT WPR, HVAC I, IGN 0, and TCM Fuses
G104, G105, and G107
Figure 2:

Pressure Controls, Temperature, and VSS


Object Number: 1749281  Size: FS
Master Electrical Component List
Electronic Component Description (PCM)
Control Module References
PNP Switch, Serial Data, and Indicator
Shift Control and Stop Lamp Switch
Automatic Transmission Schematic Icons
Automatic Transmission Schematic Icons
Figure 3:

PNP Switch, Serial Data, and Indicator


Object Number: 1749282  Size: FS
Master Electrical Component List
Electronic Component Description (PCM)
Control Module References
Pressure Controls, Temperature, and VSS
SP205
G108

Automatic Transmission Controls Schematics 5.3L

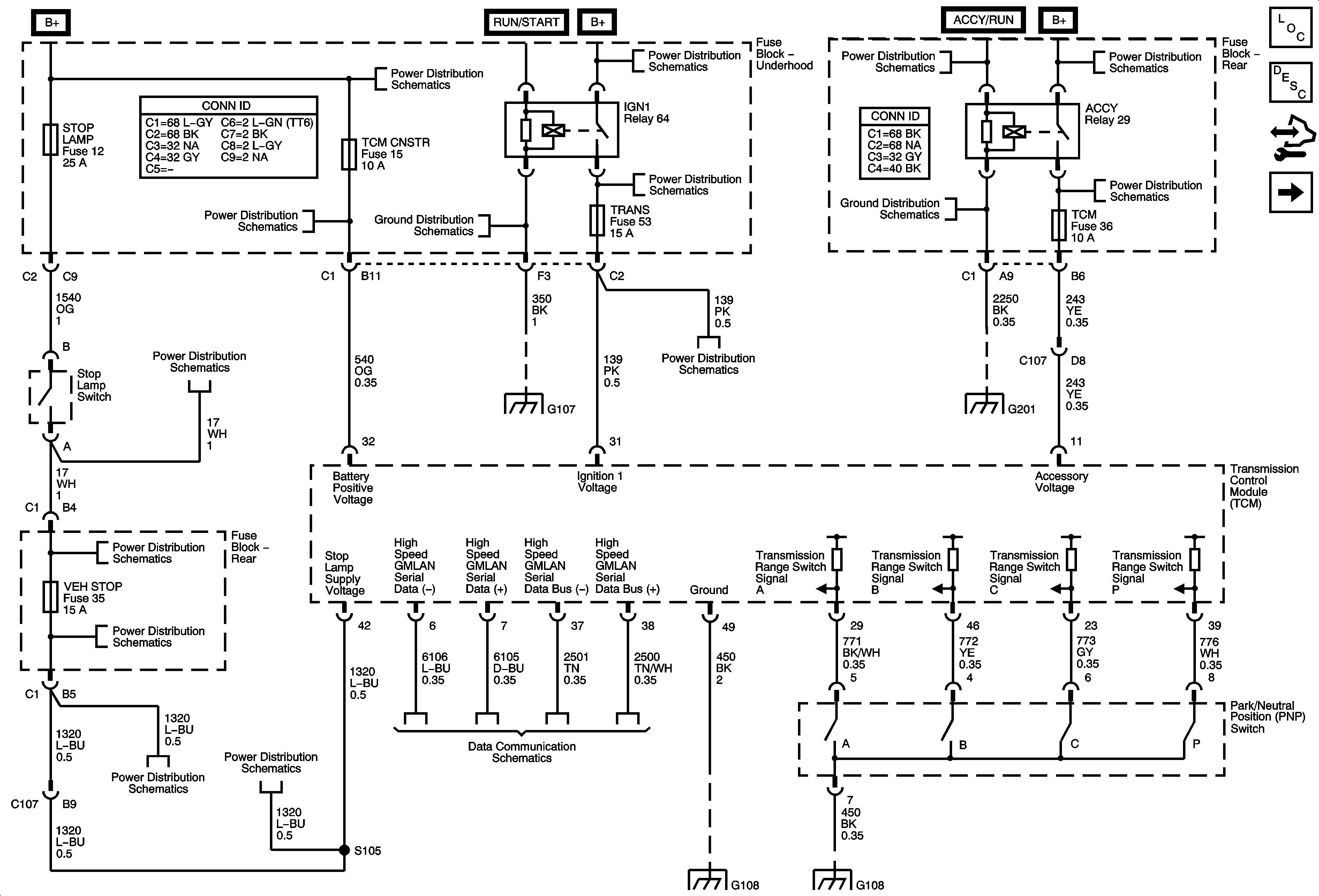
Figure 1:

Module Power, Ground, Serial Data, and Stop Lamp Switch


Object Number: 1749283  Size: FS
Master Electrical Component List
Electronic Component Description (TCM)
Control Module References
Transmission Controls
B+ BUS - Underhood Fuse Block - 1 of 2
B+ BUS - Underhood Fuse Block - 2 of 2
Ignition Switch - ACCY/RUN, RUN/START Bus Bars, and IGNB1 Fuse
B+ BUS - Rear Fuse Block
AIR PUMP, EAP, ECM, PCM B, TBC I, and TCM CNSTR Fuses
G104, G105, and G107
B+ BUS - Underhood Fuse Block - 2 of 2
G201 - 1 of 2
B+ BUS - Rear Fuse Block
ABS, ATC, BLWR ECAS, ELEC BRK, HAZRD, IPC/DIC, LTR, STOP LAMP, TRLR, VEH CHMSL, VEH STOP, and VSES Fuses
G104, G105, and G107
AIRBAG, ECM I, and TRANS Fuses
G201 - 1 of 2
ABS, ATC, BLWR ECAS, ELEC BRK, HAZRD, IPC/DIC, LTR, STOP LAMP, TRLR, VEH CHMSL, VEH STOP, and VSES Fuses
ABS, ATC, BLWR ECAS, ELEC BRK, HAZRD, IPC/DIC, LTR, STOP LAMP, TRLR, VEH CHMSL, VEH STOP, and VSES Fuses
ABS, ATC, BLWR ECAS, ELEC BRK, HAZRD, IPC/DIC, LTR, STOP LAMP, TRLR, VEH CHMSL, VEH STOP, and VSES Fuses
ABS, ATC, BLWR ECAS, ELEC BRK, HAZRD, IPC/DIC, LTR, STOP LAMP, TRLR, VEH CHMSL, VEH STOP, and VSES Fuses
Power, Ground, and Data Link Connector
G108
G108
Figure 2:

Transmission Controls


Object Number: 1749284  Size: FS
Master Electrical Component List
Electronic Component Description (TCM)
Control Module References
Pressure Controls, Temperature, and VSS
Module Power, Ground, Serial Data, and Stop Lamp Switch
G104, G105, and G107
B+ BUS - Underhood Fuse Block - 2 of 2
B+ BUS - Underhood Fuse Block - 2 of 2
AIRBAG, ECM I, and TRANS Fuses
G104, G105, and G107
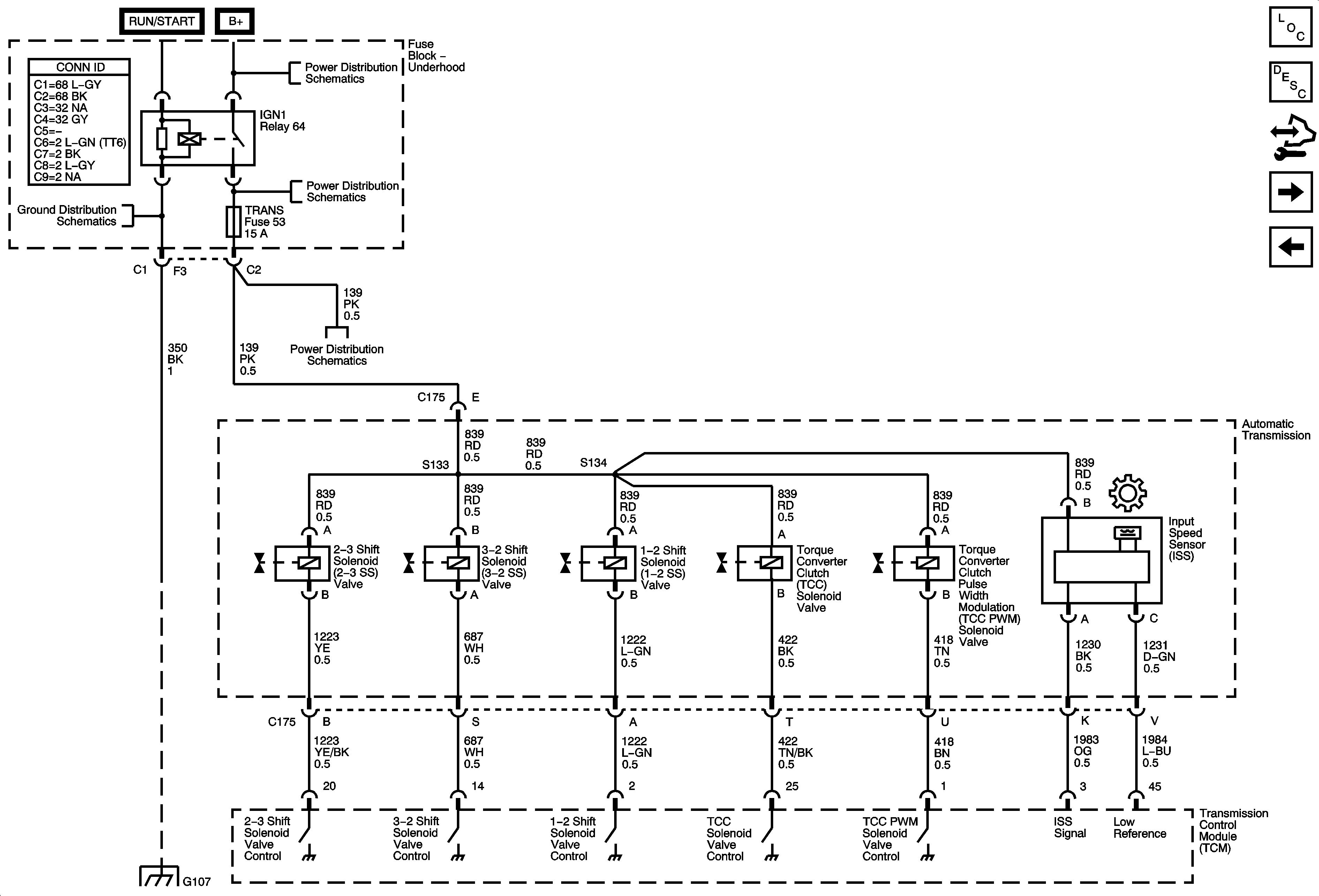
Figure 3:

Pressure Controls, Temperature, and VSS


Object Number: 1749285  Size: FS
Master Electrical Component List
Electronic Component Description (TCM)
Control Module References
Transmission Controls
Automatic Transmission Schematic Icons
Automatic Transmission Schematic Icons