GM Service Manual Online
For 1990-2009 cars only
Makes
🢒
Saab
🢒
2007
🢒
9-7x
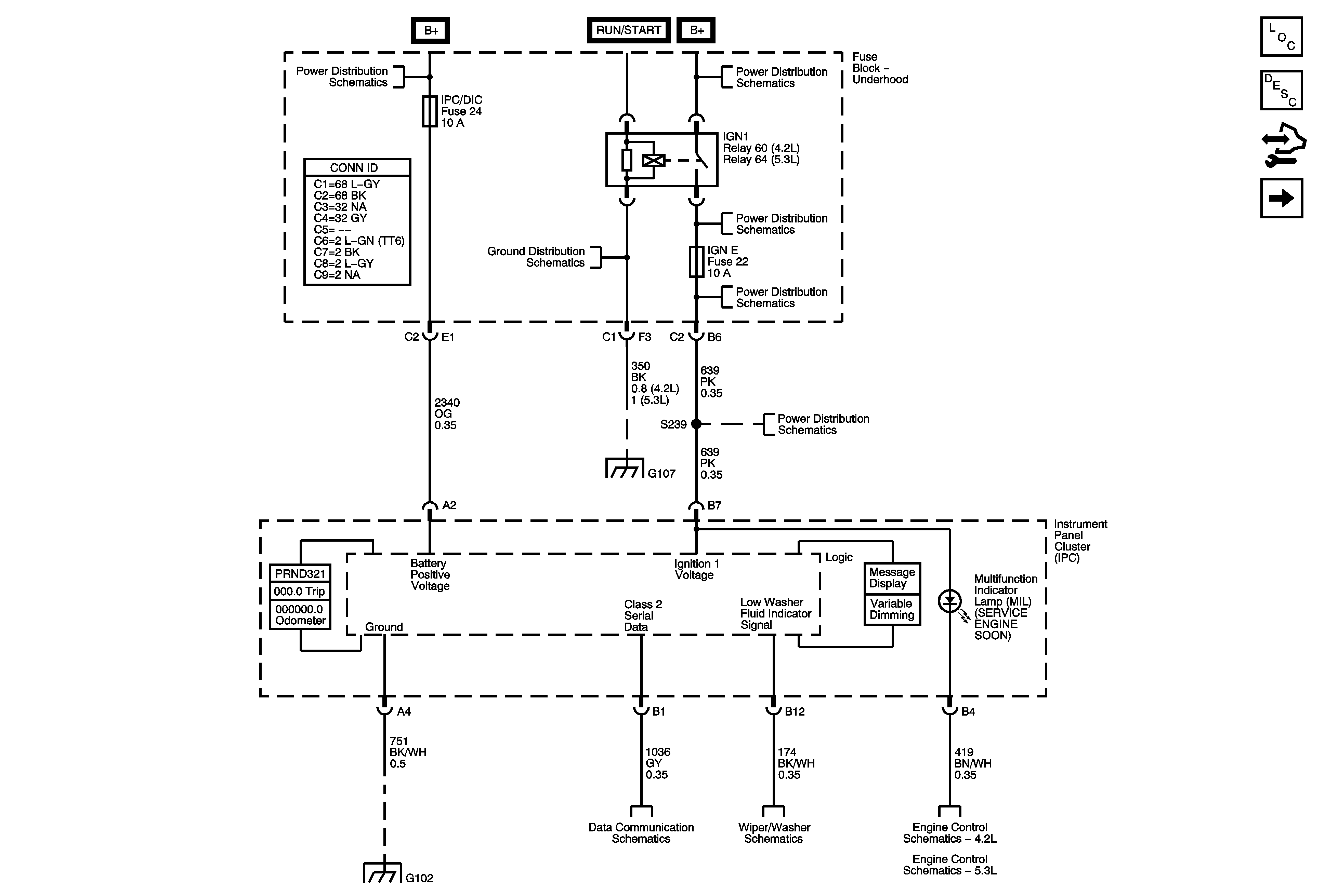
🢒 Power, Ground, Serial Data, and MIL
Power, Ground, Serial Data, and MIL
Power, Ground, Serial Data, and MIL
Master Electrical Component List
Instrument Cluster Description and Operation
Control Module References
Gages
B+ BUS - Underhood Fuse Block - 1 of 2
B+ BUS - Underhood Fuse Block - 2 of 2
G104, G105, and G107
BCK/UP, BTSI, IGN E, and TRLR BCK/UP Fuses
BCK/UP, BTSI, IGN E, and TRLR BCK/UP Fuses
G104, G105, and G107
BCK/UP, BTSI, IGN E, and TRLR BCK/UP Fuses
G102
SP205
Wiper/Washer Switch and Washer Fluid Level Switch
Module Power, Grounds, Serial Data, and MIL
Module Power, Ground, Serial Data, and MIL