GM Service Manual Online
For 1990-2009 cars only
Makes
🢒
Saab
🢒
2007
🢒
9-7x
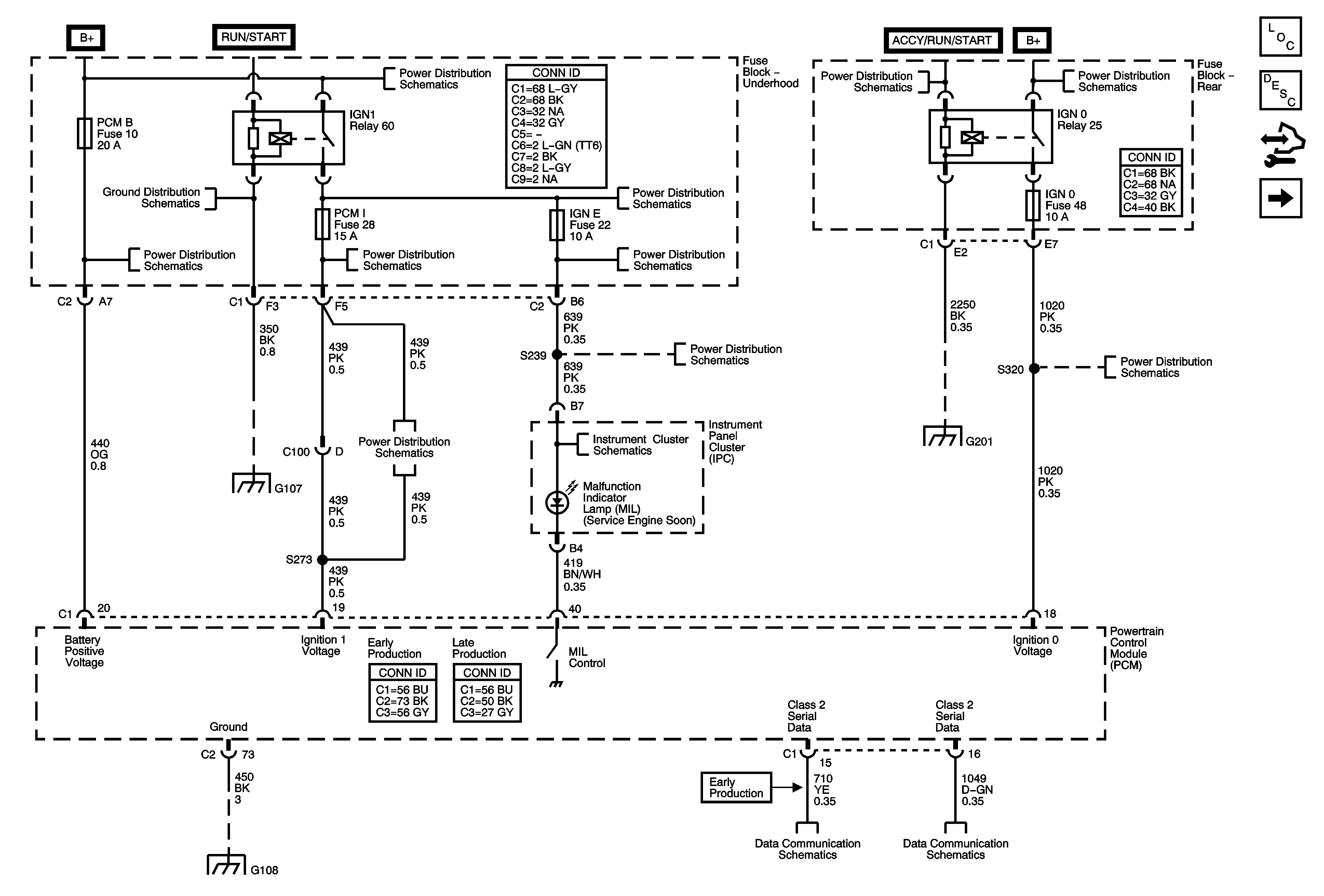
🢒 Module Power, Grounds, Serial Data, and MIL
Module Power, Grounds, Serial Data, and MIL
Module Power, Grounds, Serial Data, and MIL
Master Electrical Component List
Powertrain Control Module Description
Control Module References
Fuse Block - Underhood - PWR/TRN Relay
AIR PUMP, EAP, ECM, PCM B, TBC I, and TCM CNSTR Fuses
B+ BUS - Underhood Fuse Block - 2 of 2
B+ BUS - Underhood Fuse Block - 2 of 2
AIR SOL and PCM I Fuses
BCK/UP, BTSI, IGN E, and TRLR BCK/UP Fuses
BCK/UP, BTSI, IGN E, and TRLR BCK/UP Fuses
BCK/UP, BTSI, IGN E, and TRLR BCK/UP Fuses
G104, G105, and G107
AIR SOL and PCM I Fuses
Power, Ground, Serial Data, and MIL
G201 - 1 of 2
4WD, BRK, FRT WPR, HVAC I, IGN 0, and TCM Fuses
G108
Power, Ground, and Data Link Connector
SP205