GM Service Manual Online
For 1990-2009 cars only
Makes
🢒
Cadillac
🢒
2004
🢒
XLR
🢒
Suspension
🢒
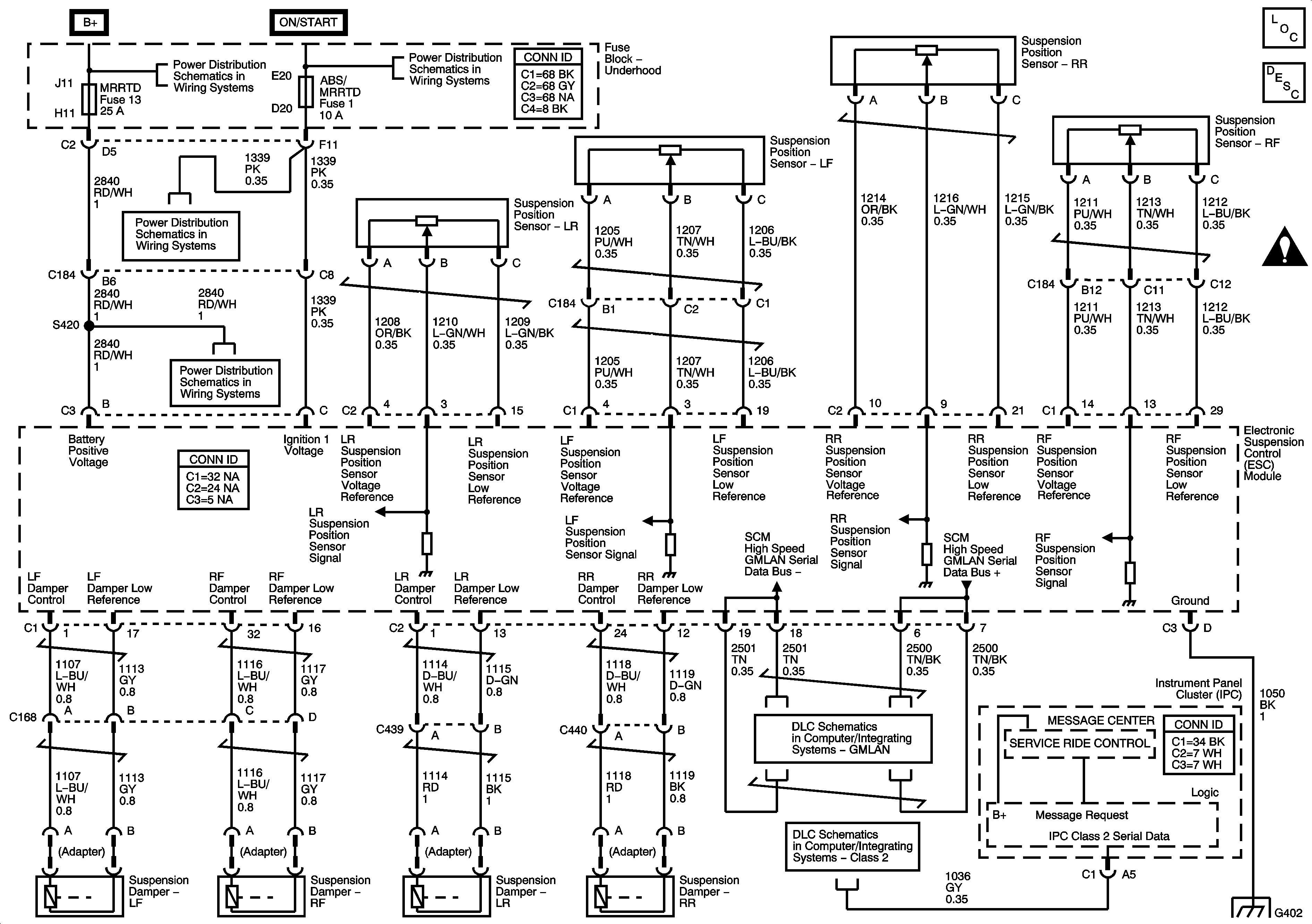
Electronic Suspension Control (ESC)
🢒 Suspension Controls Schematics
Master Electrical Component List
Tire Pressure Monitor Description and Operation Japan Export Only
Suspension Controls Schematic Icons
Fuse Block-Underhood Bussing
BCM Fuses; ECM, GMLAN DEVICES, RPA / H/C SEAT, and SDM/PSIR SW, Fuse Block-Underhood Fuses; ABS/MRRTD, and ACC/TCM
BCM Fuses; ECM, GMLAN DEVICES, RPA / H/C SEAT, and SDM/PSIR SW, Fuse Block-Underhood Fuses; ABS/MRRTD, and ACC/TCM
Fuse Block-Underhood Fuses; ABS, AMP, BATT2, COOLFAN, ECM/TCM, HORN, HVAC, and MRRTD
GMLAN
Class 2