GM Service Manual Online
For 1990-2009 cars only
Makes
🢒
Cadillac
🢒
2004
🢒
XLR
🢒 Messages
Messages
Messages
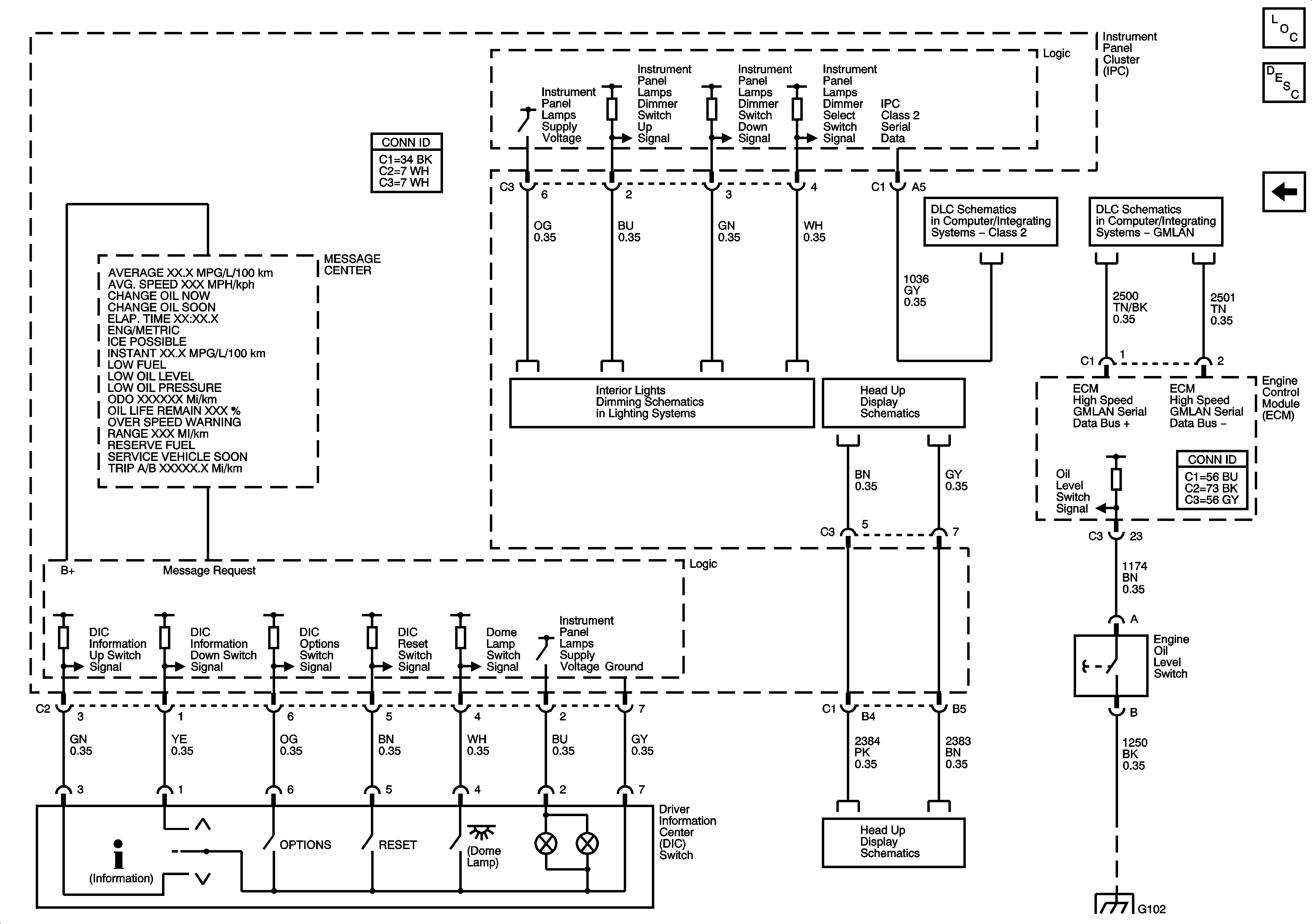
Master Electrical Component List
Driver Information Center (DIC) Description and Operation
Gages
Class 2
GMLAN
Dimmer Controls, IPC, Switches and DLC
Head Up Display Schematics
Head Up Display Schematics