GM Service Manual Online
For 1990-2009 cars only
Makes
🢒
Cadillac
🢒
2004
🢒
XLR
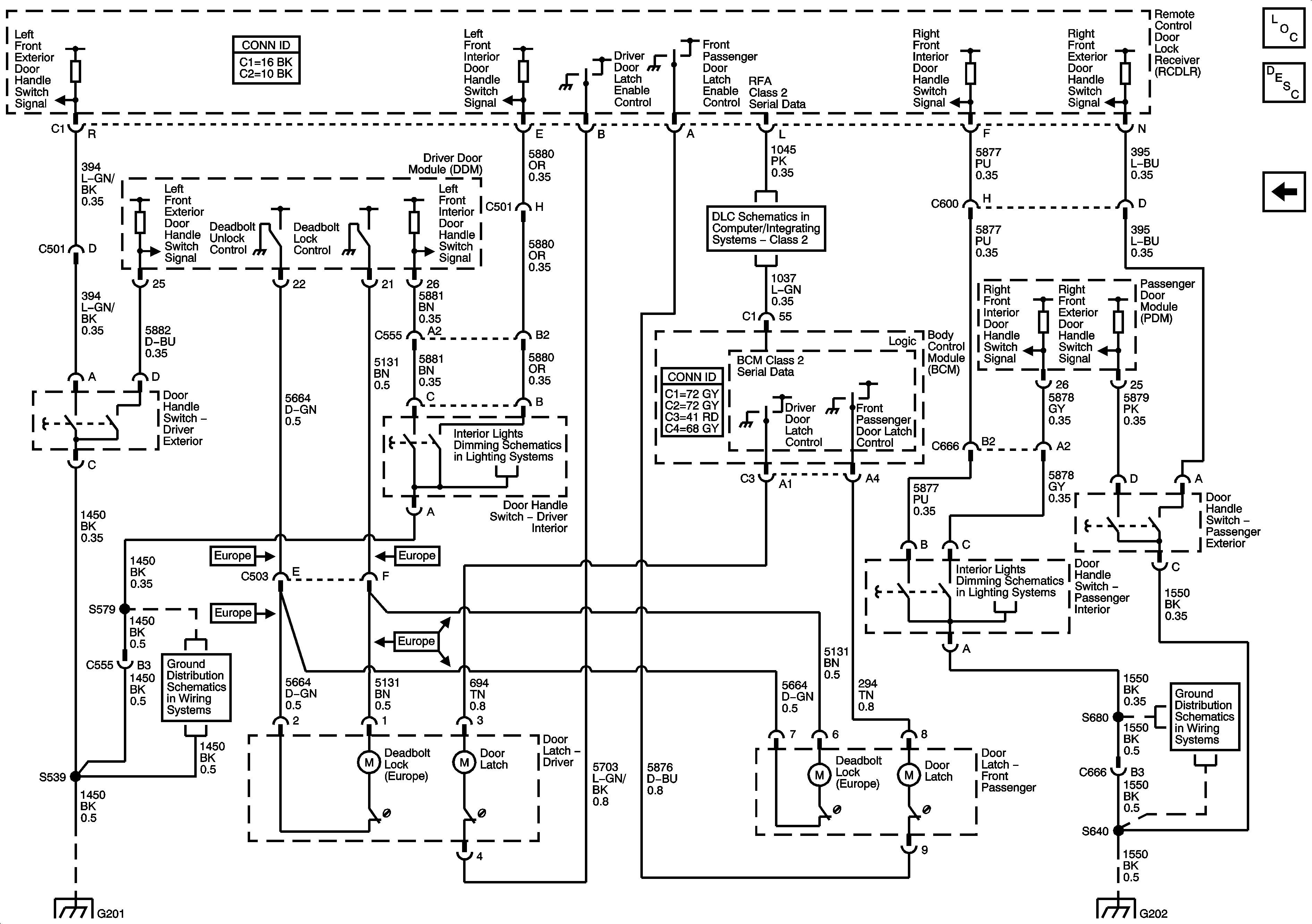
🢒 Actuators and Handle Switches
Actuators and Handle Switches
Actuators and Handle Switches
Master Electrical Component List
Power Door Locks Description and Operation
Indicators, Messages, and Ajar/Open/Lock Switches
Class 2
DLC, HVAC Control Module, Radio and Switches
G201
DLC, HVAC Control Module, Radio and Switches
G202-1 of 2