GM Service Manual Online
For 1990-2009 cars only
Makes
🢒
Cadillac
🢒
2004
🢒
XLR
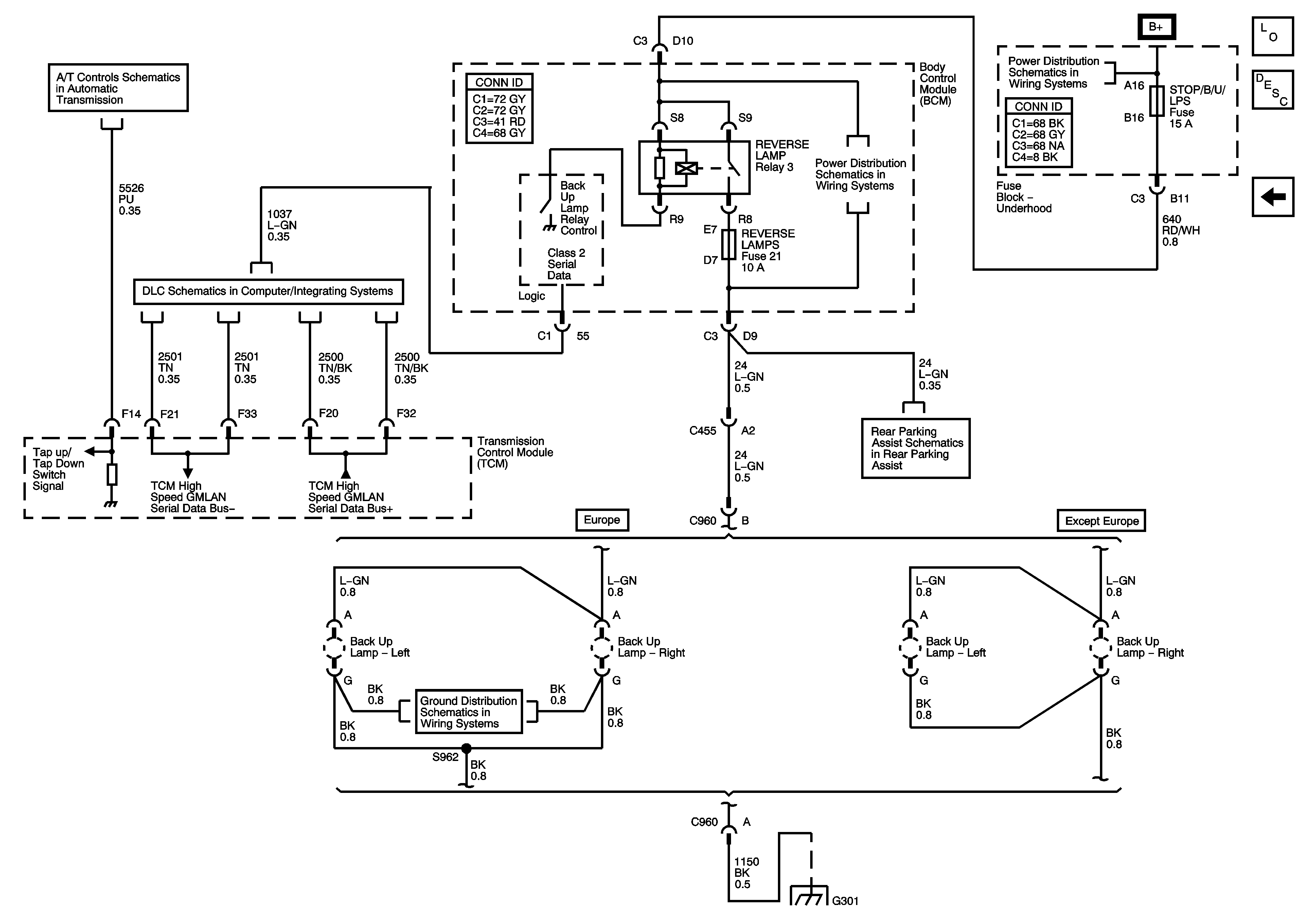
🢒 Backup Lamps
Backup Lamps
Backup Lamps
Master Electrical Component List
Exterior Lighting Systems Description and Operation
Stoplamps
Shift Lever
Fuse Block-Underhood Bussing
GMLAN
Fuse Block-Underhood Fuses; BATT3 and STOP/B/U/LPS, BCM Fuses; BTSI SOL/COL LOCK, PWR FLDG MIR-EXT/RET, RADIO/ANT/VICS, REAR FOG/ALDL TOP SW, and REVERSE LAMPS
G301
DLC, Ground, Power, and Non-Sensor Signals