GM Service Manual Online
For 1990-2009 cars only
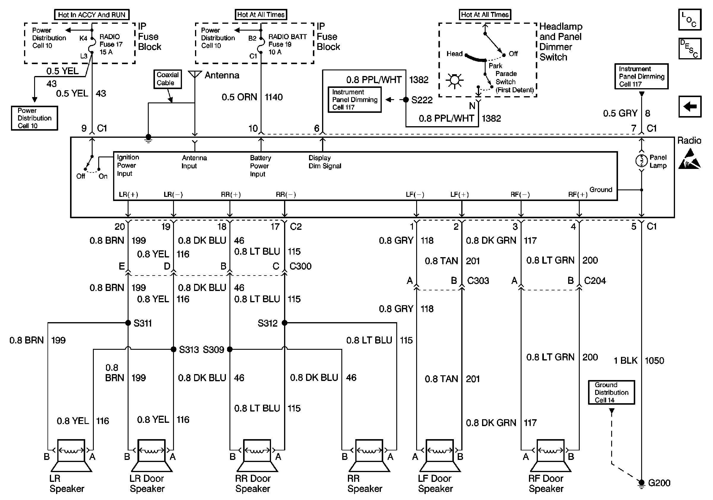
Figure 1:

Cell 150 Radio/Audio Systems Premium Radio with Speed Compensated Volume (1 of 2)


Object Number: 493009  Size: FS
Entertainment Components
Radio/Audio System Circuit Description
Cell 150 Radio/Audio Systems Premium Radio with Speed Compensated Volume(2 of 2)
Power Distribution Schematics
Power Distribution Schematics
Fuse Block Schematics
Interior Lights Dimming Schematics
Interior Lights Dimming Schematics
Ground Distribution Schematics
Handling ESD Sensitive Parts Notice
Handling ESD Sensitive Parts Notice
Handling ESD Sensitive Parts Notice
Handling ESD Sensitive Parts Notice
Figure 2:

Cell 150 Radio/Audio Systems Premium Radio with Speed Compensated Volume (2 of 2)


Object Number: 493015  Size: FS
Entertainment Components
Radio/Audio System Circuit Description
Cell 150 Radio/Audio Systems Premium Radio with Rear Control (1 of2)
Cell 150 Radio/Audio Systems Premium Radio with Speed Compensated Volume(1 of 2)
Power Distribution Schematics
Power Distribution Schematics
Ground Distribution Schematics
Ground Distribution Schematics
Interior Lights Schematics
Handling ESD Sensitive Parts Notice
Handling ESD Sensitive Parts Notice
Figure 3:

Cell 150 Radio/Audio Systems Premium Radio with Rear Control (1 of 2)


Object Number: 493033  Size: FS
Figure 4:

Cell 150 Radio/Audio Systems Premium Radio with Rear Control (2 of 2)


Object Number: 493036  Size: FS
Entertainment Components
Radio/Audio System Circuit Description
Cell 150 Radio/Audio Systems Base Radio
Cell 150 Radio/Audio Systems Premium Radio with Rear Control (1 of2)
Handling ESD Sensitive Parts Notice
Handling ESD Sensitive Parts Notice
Handling ESD Sensitive Parts Notice
Power Distribution Schematics
Power Distribution Schematics
Ground Distribution Schematics
Exterior Lights Schematics
Figure 5:

Cell 150 Radio/Audio Systems Base Radio


Object Number: 493038  Size: FS
Entertainment Components
Radio/Audio System Circuit Description
Cell 150 Radio/Audio Systems Premium Radio with Rear Control (2 of2)
Handling ESD Sensitive Parts Notice
Power Distribution Schematics
Power Distribution Schematics
Power Distribution Schematics
Interior Lights Dimming Schematics
Interior Lights Dimming Schematics
Ground Distribution Schematics