GM Service Manual Online
For 1990-2009 cars only
Figure 1:

Power, Ground, DLC and Messages


Object Number: 1242745  Size: FS
Master Electrical Component List
Power Folding Top Description and Operation
Switches
Fuse Block-Underhood Fuses; ABS, AMP, BATT2, COOLFAN, ECM/TCM, HORN, HVAC, and MRRTD
Class 2
GMLAN
IMS, ISS, Solenoids, TFT, and VSS
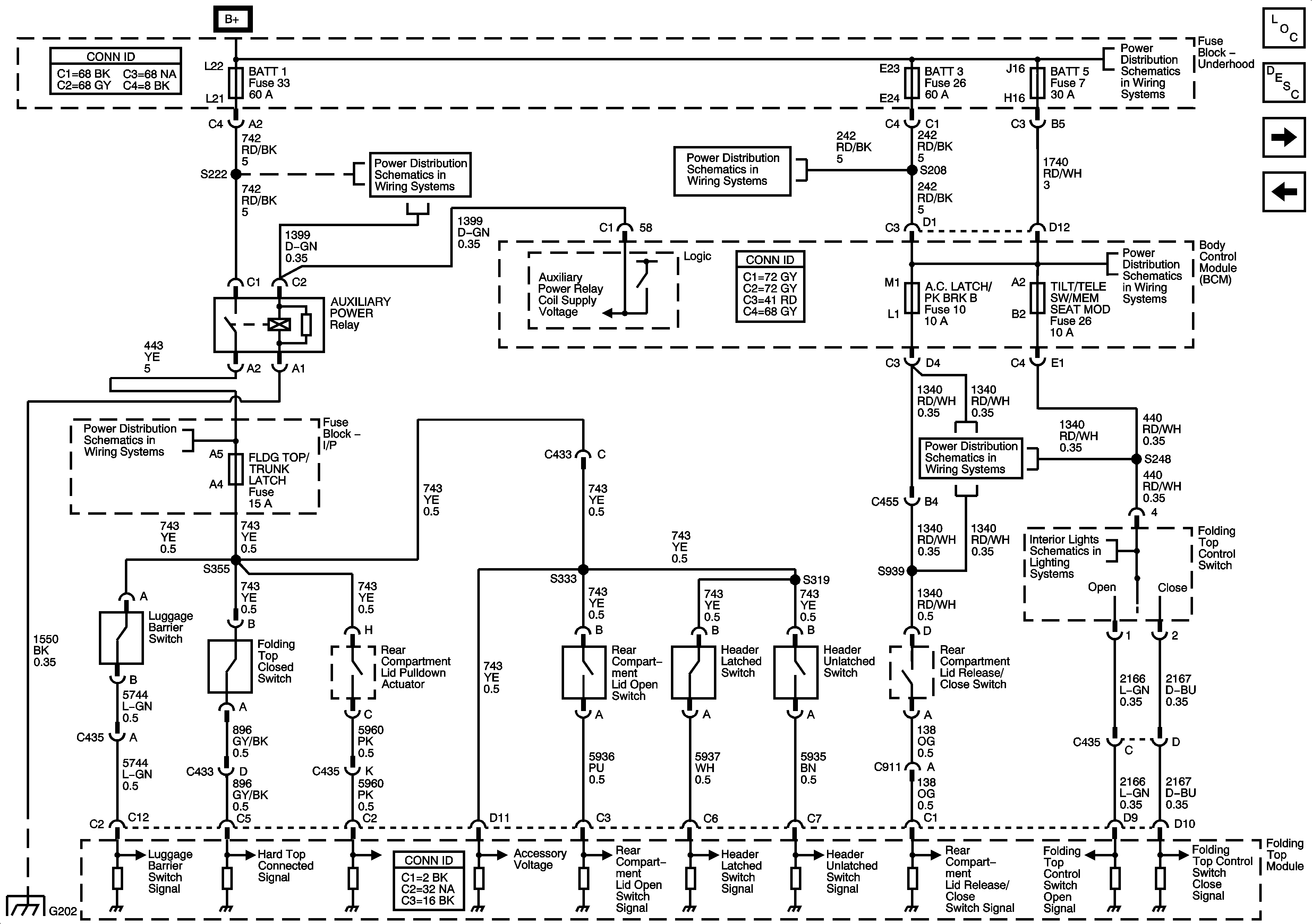
Figure 2:

Switches


Object Number: 1242747  Size: FS
Master Electrical Component List
Power Folding Top Description and Operation
Sensors,Valves and Pump
Power, Ground, DLC and Messages
Fuse Block-Underhood Fuse; BATT1, Fuse Block-I/P Fuses; HEATED SEAT LH, HEATED SEAT RH, POWER LUMBAR LH/RH, Fuse Block-I/P Circuit Breakers; DOOR CONTROLS, and POWER SEATS
Fuse Block-Underhood Fuses; BATT3 and STOP/B/U/LPS, BCM Fuses; BTSI SOL/COL LOCK, PWR FLDG MIR-EXT/RET, RADIO/ANT/VICS, REAR FOG/ALDL TOP SW, and REVERSE LAMPS
Fuse Block-Underhood Bussing
Fuse Block-Underhood Fuse: BATT5, BCM Fuses; ACCA/DRIV DR SW, IGNITION SW/INTR SENS, ONSTAR, PARK BRAKE SOL A, and TILT/TELE SW/MEM SEAT MOD
Fuse Block-Underhood Fuse: BATT1, Fuse Block-I/P Fuses; AUXILIARY POWER, CIGAR LIGHTER, COLUMN LK MODULE (EUROPE), and FLDG TOP/TRUNK LATCH
Fuse Block-Underhood Fuse: BATT5, BCM Fuses; ACCA/DRIV DR SW, IGNITION SW/INTR SENS, ONSTAR, PARK BRAKE SOL A, and TILT/TELE SW/MEM SEAT MOD
DLC, HVAC Control Module, Radio and Switches
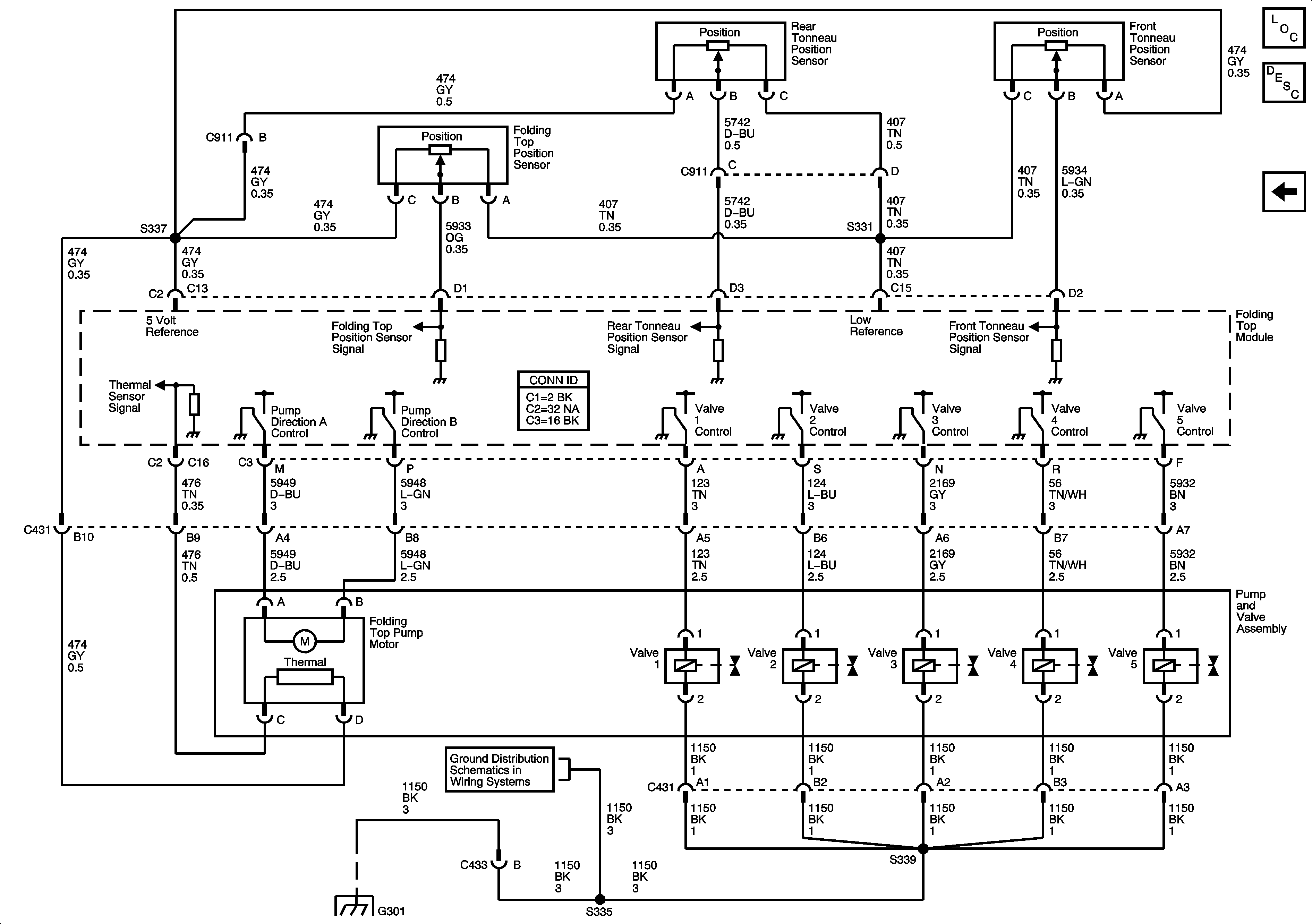
Figure 3:

Sensors, Valves and Pump


Object Number: 1242751  Size: FS
Master Electrical Component List
Power Folding Top Description and Operation
Switches
G301