GM Service Manual Online
For 1990-2009 cars only
Figure 1:

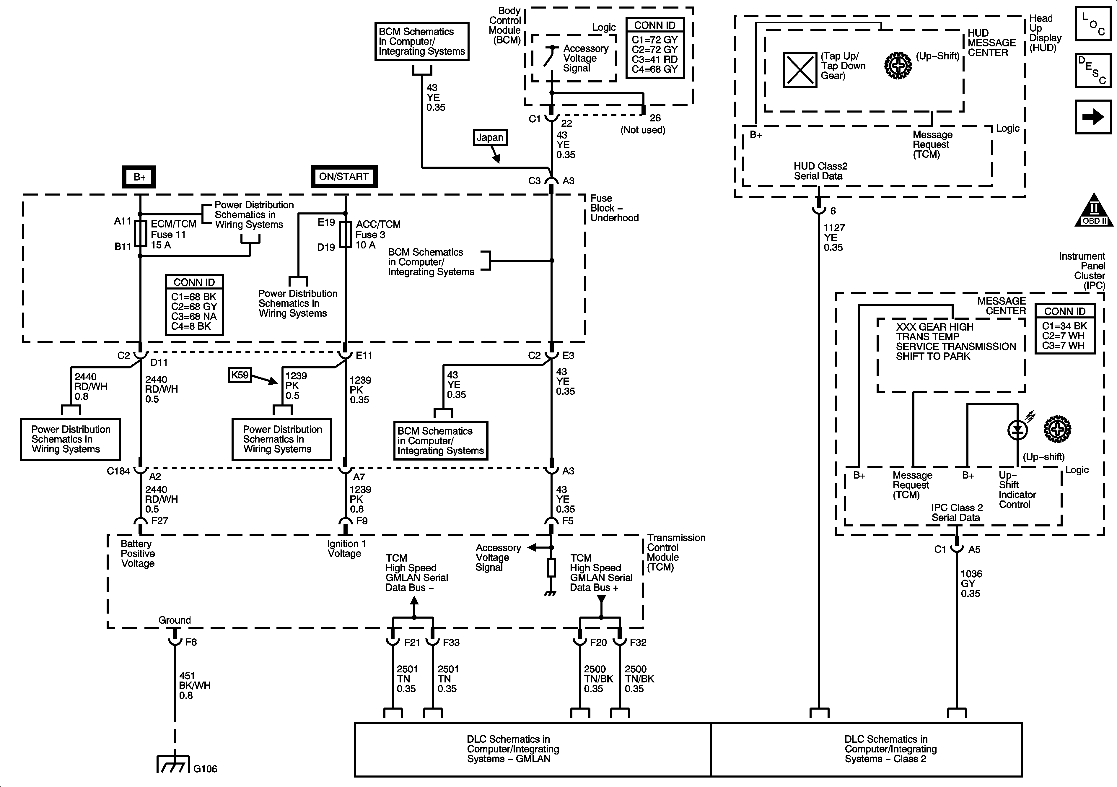
DLC, Ground, MIL, and Power


Object Number: 1003815  Size: FS
Master Electrical Component List
Transmission General Description
IMS, ISS, Solenoids, TFT, and VSS
Engine Controls Schematic Icons
DLC, Ground and Power
Fuse Block-Underhood Bussing
DLC, Ground and Power
BCM Fuses; ECM, GMLAN DEVICES, RPA / H/C SEAT, and SDM/PSIR SW, Fuse Block-Underhood Fuses; ABS/MRRTD, and ACC/TCM
Fuse Block-Underhood Bussing
BCM Fuses; ECM, GMLAN DEVICES, RPA / H/C SEAT, and SDM/PSIR SW, Fuse Block-Underhood Fuses; ABS/MRRTD, and ACC/TCM
DLC, Ground and Power
GMLAN
GMLAN
Automatic Transmission Schematic Icons
Figure 2:

IMS, ISS, Solenoids, TFT, and VSS


Object Number: 1003825  Size: FS
Master Electrical Component List
Transmission General Description
Shift Lever
DLC, Ground, MIL, and Power
Engine Controls Schematic Icons
Automatic Transmission Schematic Icons
Figure 3:

Shift Lever


Object Number: 1003831  Size: FS
Master Electrical Component List
Transmission General Description
IMS, ISS, Solenoids, TFT, and VSS
Engine Controls Schematic Icons
Fuse Block-Underhood Fuses; BATT3 and STOP/B/U/LPS, BCM Fuses; BTSI SOL/COL LOCK, PWR FLDG MIR-EXT/RET, RADIO/ANT/VICS, REAR FOG/ALDL TOP SW, and REVERSE LAMPS
BCM Fuses; A.C.LATCH/PK BRK B, CLUSTER, DOOR LOCKS, HVAC/PWR SND, INTERIOR LIGHTS, ISRVM/HVAC, and TUTD SW/STRG COL SW
Stoplamps
Stoplamps
Fuse Block-Underhood Fuses; BATT3 and STOP/B/U/LPS, BCM Fuses; BTSI SOL/COL LOCK, PWR FLDG MIR-EXT/RET, RADIO/ANT/VICS, REAR FOG/ALDL TOP SW, and REVERSE LAMPS
BCM Fuses; A.C.LATCH/PK BRK B, CLUSTER, DOOR LOCKS, HVAC/PWR SND, INTERIOR LIGHTS, ISRVM/HVAC, and TUTD SW/STRG COL SW
A/T Shift Lock Control Schematics
DLC, HVAC Control Module, Radio and Switches
Engine Data Sensors-Pressure Temperature, MAF, VSS, and Brake Travel