GM Service Manual Online
For 1990-2009 cars only
Figure 1:

Module Power, Ground, Serial Data, and MIL


Object Number: 1749072  Size: FS
Master Electrical Component List
Engine Control Module Description
Control Module References
Fuse Block - Underhood - PWR/TRN Relay - 1 of 2
B+ BUS - Underhood Fuse Block - 1 of 2
B+ BUS - Underhood Fuse Block - 2 of 2
G104, G105, and G107
BCK/UP, BTSI, IGN E, and TRLR BCK/UP Fuses
BCK/UP, BTSI, IGN E, and TRLR BCK/UP Fuses
Ignition Switch - ACCY/RUN/START, RUN, START Bus Bars, and IGNA1 Fuse
B+ BUS - Rear Fuse Block
BCK/UP, BTSI, IGN E, and TRLR BCK/UP Fuses
4WD, BRK, FRT WPR, HVAC I, IGN 0, and TCM Fuses
G104, G105, and G107
Power, Ground, Serial Data, and MIL
G201 - 1 of 2
G108
SP205
Power, Ground, and Data Link Connector
Figure 2:

Fuse Block - Underhood - PWR/TRN Relay - 1 of 2


Object Number: 1749074  Size: FS
Master Electrical Component List
Engine Control Module Description
Control Module References
Fuse Block - Underhood - PWR/TRN Relay - 2 of 2
Module Power, Ground, Serial Data, and MIL
B+ BUS - Underhood Fuse Block - 2 of 2
B+ BUS - Underhood Fuse Block - 2 of 2
Figure 3:

Fuse Block - Underhood - PWR/TRN Relay - 2 of 2


Object Number: 1749076  Size: FS
Master Electrical Component List
Engine Control Module Description
Control Module References
Engine Data Sensors - 5-Volt and Low Reference
Fuse Block - Underhood - PWR/TRN Relay - 1 of 2
B+ BUS - Underhood Fuse Block - 2 of 2
B+ BUS - Underhood Fuse Block - 2 of 2
Figure 4:

Engine Data Sensors - 5-Volt and Low Reference


Object Number: 1749078  Size: FS
Master Electrical Component List
Engine Control Module Description
Control Module References
Engine Data Sensors - MAF, Pressure, and Temperature
Fuse Block - Underhood - PWR/TRN Relay - 2 of 2
Figure 5:

Engine Data Sensors - MAF, Pressure, and Temperature


Object Number: 1749079  Size: FS
Master Electrical Component List
Engine Control Module Description
Control Module References
Engine Data Sensors - Oxygen Sensors
Engine Data Sensors - 5-Volt and Low Reference
Fuse Block - Underhood - PWR/TRN Relay - 2 of 2
Fuse Block - Underhood - PWR/TRN Relay - 2 of 2
G108
Gages
Figure 6:

Engine Data Sensors - Oxygen Sensors


Object Number: 1749082  Size: FS
Master Electrical Component List
Fuel System Description
Control Module References
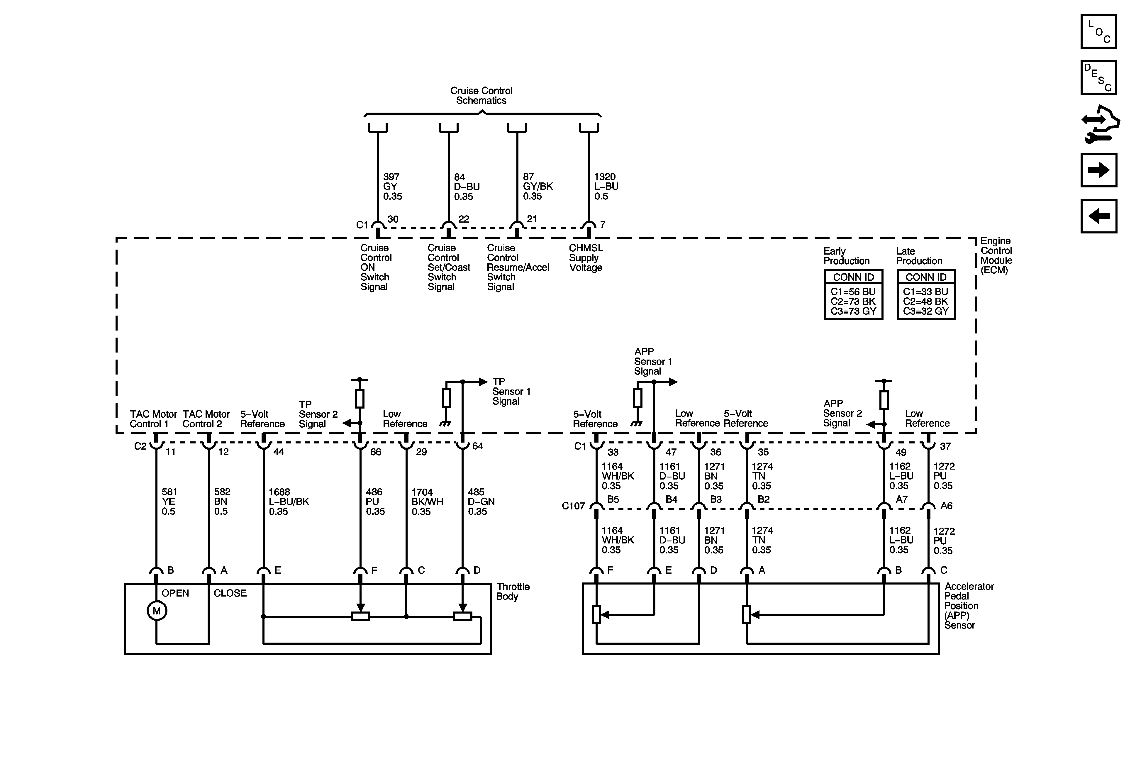
Engine Data Sensors - Throttle Actuator Controls
Engine Data Sensors - MAF, Pressure, and Temperature
Fuse Block - Underhood - PWR/TRN Relay - 2 of 2
Fuse Block - Underhood - PWR/TRN Relay - 2 of 2
Figure 7:

Engine Data Sensors - Throttle Actuator Controls


Object Number: 1749084  Size: FS
Master Electrical Component List
Throttle Actuator Control (TAC) System Description
Control Module References
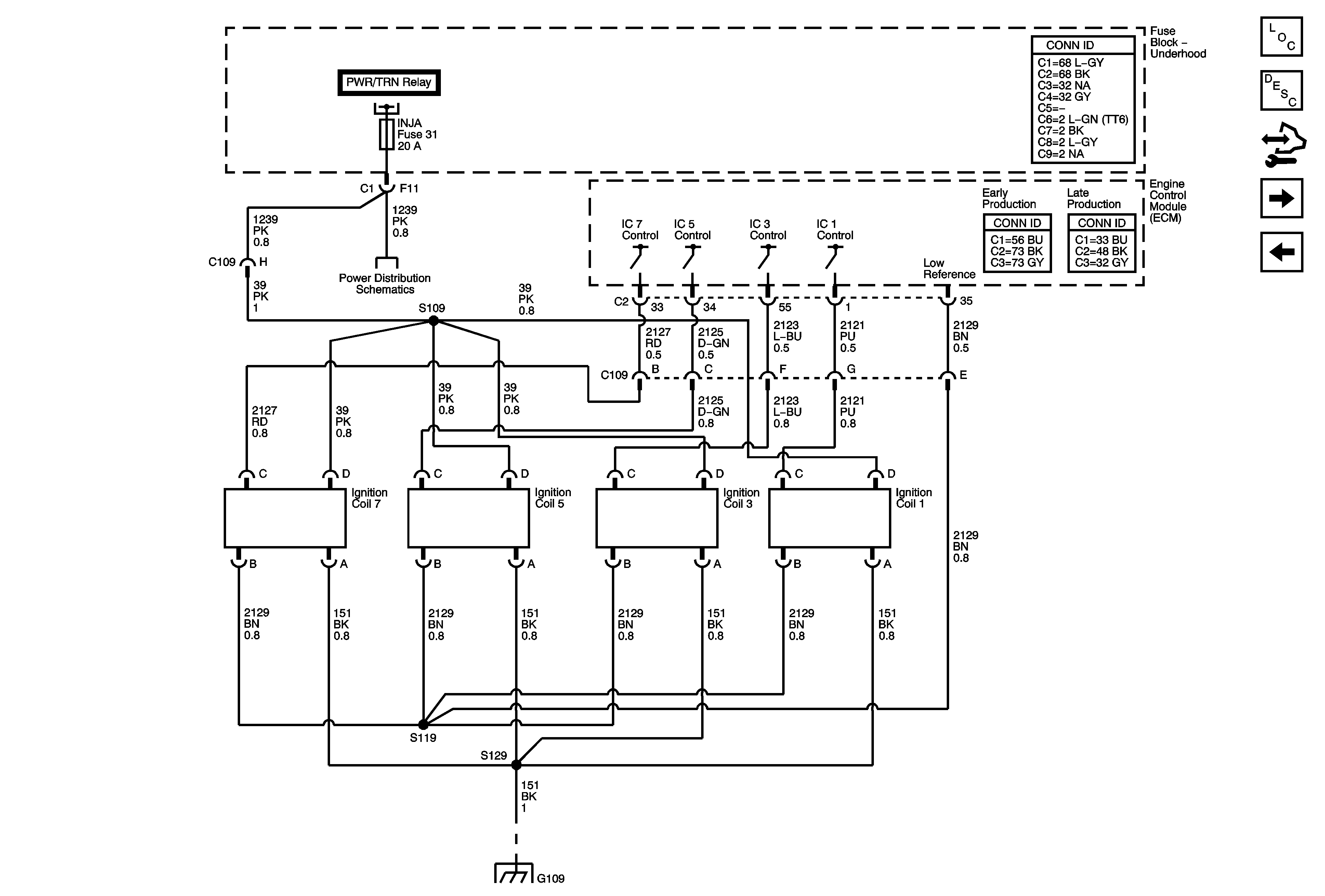
Ignition Controls - Ignition System Coils 1, 3, 5, and 7
Engine Data Sensors - Oxygen Sensors
5.3L
Figure 8:

Ignition Controls - Ignition System Coils 1, 3, 5, and 7


Object Number: 1749085  Size: FS
Master Electrical Component List
Engine Control Module Description
Control Module References
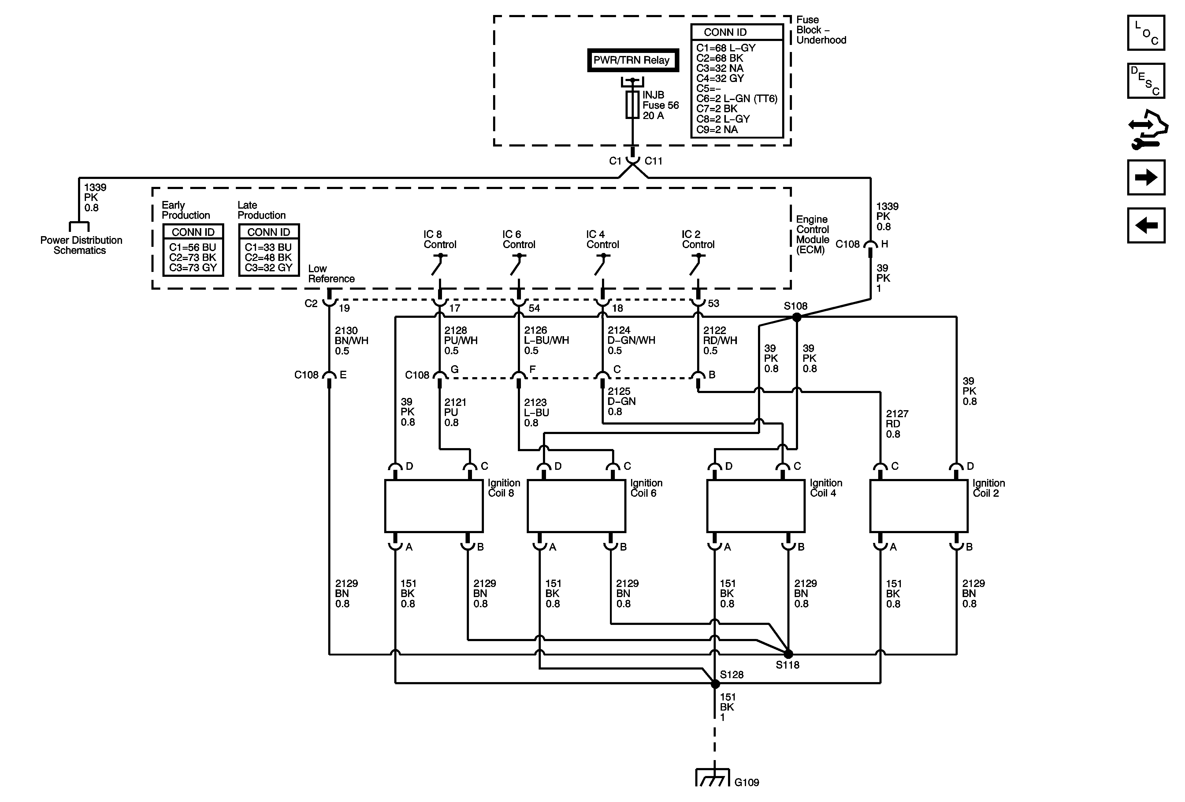
Ignition Controls - Ignition System Coils 2, 4, 6, and 8
Engine Data Sensors - Throttle Actuator Controls
Fuse Block - Underhood - PWR/TRN Relay - 1 of 2
ENG I, ETC, INJA, INJB, O2 SNSR A, and O2 SNSR B Fuses - 5.3L
ENG I, ETC, INJA, INJB, O2 SNSR A, and O2 SNSR B Fuses - 5.3L
Figure 9:

Ignition Controls - Ignition System Coils 2, 4, 6, and 8


Object Number: 1749087  Size: FS
Master Electrical Component List
Engine Control Module Description
Control Module References
Ignition Controls - Sensors and DOD Controls
Ignition Controls - Ignition System Coils 1, 3, 5, and 7
ENG I, ETC, INJA, INJB, O2 SNSR A, and O2 SNSR B Fuses - 5.3L
Fuse Block - Underhood - PWR/TRN Relay - 1 of 2
G109
Figure 10:

Ignition Controls - Sensors and DOD Controls


Object Number: 1749091  Size: FS
Master Electrical Component List
Engine Control Module Description
Control Module References
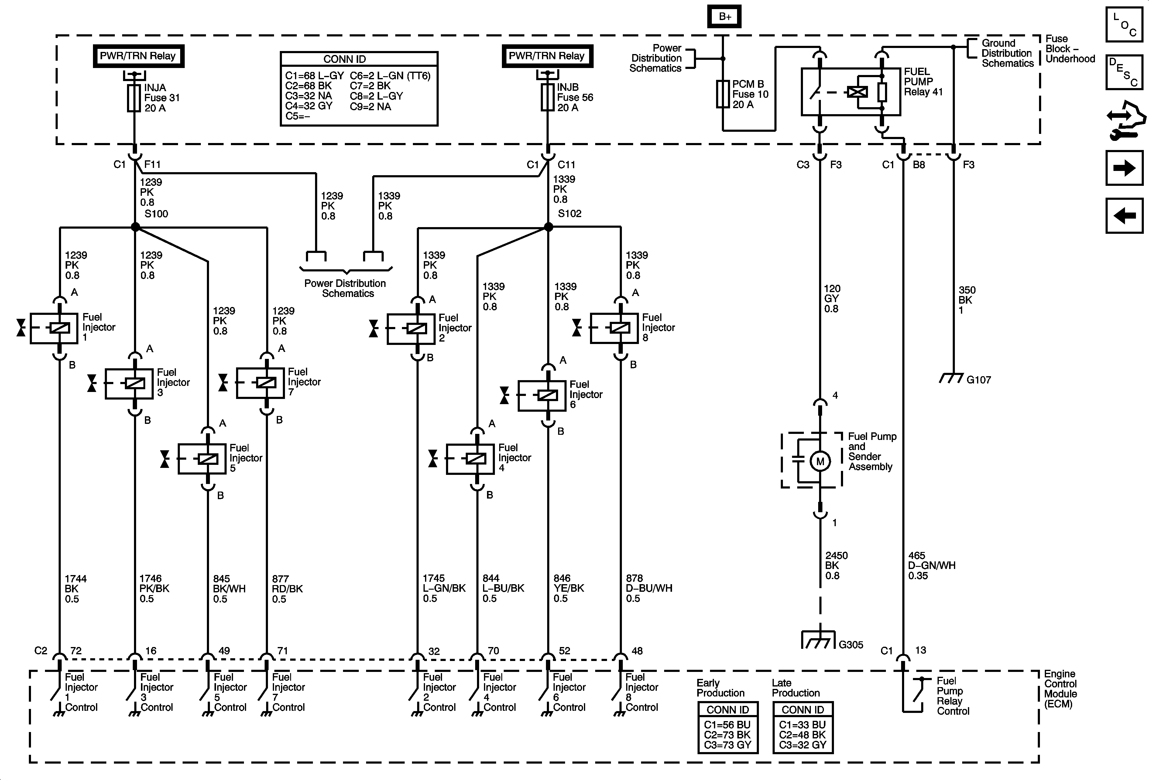
Fuel Controls - Fuel Pump Controls and Fuel Injectors
Ignition Controls - Ignition System Coils 2, 4, 6, and 8
Fuse Block - Underhood - PWR/TRN Relay - 2 of 2
ENG I, ETC, INJA, INJB, O2 SNSR A, and O2 SNSR B Fuses - 5.3L
Engine Controls Schematic Icons
Figure 11:

Fuel Controls - Fuel Pump Controls and Fuel Injectors


Object Number: 1749093  Size: FS
Master Electrical Component List
Fuel System Description
Control Module References
Fuel Controls - EVAP Controls
Ignition Controls - Sensors and DOD Controls
Fuse Block - Underhood - PWR/TRN Relay - 1 of 2
Fuse Block - Underhood - PWR/TRN Relay - 1 of 2
B+ BUS - Underhood Fuse Block - 2 of 2
G104, G105, and G107
ENG I, ETC, INJA, INJB, O2 SNSR A, and O2 SNSR B Fuses - 5.3L
G201 - 2 of 2, and G305
Figure 12:

Fuel Controls - EVAP Controls


Object Number: 1749094  Size: FS
Master Electrical Component List
Evaporative Emission Control System Description
Control Module References
Controlled/Monitored Subsystem References
Fuel Controls - Fuel Pump Controls and Fuel Injectors
Fuel Gage
Fuse Block - Underhood - PWR/TRN Relay - 2 of 2
B+ BUS - Underhood Fuse Block - 1 of 2
AIR PUMP, EAP, ECM, PCM B, TBC I, and TCM CNSTR Fuses
ENG I, ETC, INJA, INJB, O2 SNSR A, and O2 SNSR B Fuses - 5.3L
Figure 13:

Controlled/Monitored Subsystem References


Object Number: 1749095  Size: FS
Master Electrical Component List
Engine Control Module Description
Control Module References
Fuel Controls - EVAP Controls
Gages
Fuel Gage
Gages
Compressor Controls
EBCM Power, Ground, Serial Data, Indicator, and Signal Circuits
Charging System
Starting System
EBCM Power, Ground, Serial Data, Indicator, and Signal Circuits
Pressure Controls, Temperature, and VSS
Engine Cooling Schematics